电脑桌面
添加小米粒文库到电脑桌面
安装后可以在桌面快捷访问

机电安装工程创优施工工艺策划及要点

机电安装工程创优施工工艺策划及要点_第1页
1/23
机电安装工程创优施工工艺策划及要点_第2页
2/23
机电安装工程创优施工工艺策划及要点_第3页
3/23
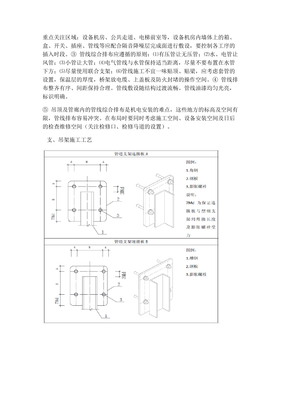
机电安装工程包括了电气工程、弱电智能化工程、通风空调工程、给水排水工程等多个分部,囊括的系统繁多,要想实现工程创优,必须先行策划,针对重点部位明确施工工艺及实物标准。 (1)机电管线综合排布 (2)支、吊架施工工艺 (3)防火封堵施工工艺 (4)空调机房施工工艺 (5)水管井施工工艺 (6)强弱电井施工工艺 (7)风管立管的支架制安工艺 (8)电缆桥架变向处连接施工工艺 (9)金属线槽 (10)电缆桥架接地施工工艺 (11)JDG连接施工工艺 (12)室内 JDG管明敷设施工工艺 (13)保温施工工艺 (14)标识、成品保护 1机电管线综合排布 BIM深化设计综合平面图 BIM深化设计剖面图 工艺要点: ① 实施流程:机电分包提资→机电总包深化→样板实施→ 现场监控纠偏→ 确立实物标准→ 大规模推广施工。② 重点关注机电各单位末端管线的排布实施,比如线盒、各类明配管、通风及电气软管、小口径水管及其支、吊架等安装。重点关注区域:设备机房、公共走道、电梯前室等,设备机房内墙体上的箱、盒、开关、插座、管线等应配合隔音降噪层完成面进行敷设,要控制各工序的插入时段。③ 管线综合排布应遵循的原则:⑴有压管让无压管;⑵水、电管让风管;⑶小管让大管;⑷电气管线与水管保持适当距离,尽量不要布置在水管下方;⑸尽量使用联合支架;⑹管线施工不宜一味贴顶、贴梁,应考虑套管的设置,保温层的厚度,桥架放电缆、上盖板及防火封堵的操作空间。④ 管线排布整齐有序、间距保持合理。管线敷设随结构过渡流畅。管线油漆均匀光亮,标识明确。 ⑤ 吊顶及管廊内的管线综合排布是机电安装的难点,这些地方的标高及空间有限 ,管线排布容 易 冲 突 。在布局 时要同 时考虑施工空间、设备安装空间及日 后的检 查 维 修 空间( 关注检 修 口 、检 修 马 道的设置) 。 2支、吊架施工工艺 各类管道支架连接板大样图 工 艺 要 点 : ① 应 保 证 支 、 吊 架 与 管 线 安 装 牢 固 可 靠 , 成 排 管 道 安 装 应 在 同 一 个 支 架 上 , 支 、吊 架 排 列 美 观 整 齐 , 刷 漆 鲜 亮 。 ② 支 架 倒 角 打 磨 处 理 , 倒 角 光 滑 。 ③ 管 线 间距 合 理 , 并 留 出 保 温 距 离 。 ④ 保 温 管 道 支 、 吊 架 采 用 木 托 作 为 隔 冷 、 隔 热 的 系统 U型 卡 子 应...

1、当您付费下载文档后,您只拥有了使用权限,并不意味着购买了版权,文档只能用于自身使用,不得用于其他商业用途(如 [转卖]进行直接盈利或[编辑后售卖]进行间接盈利)。
2、本站所有内容均由合作方或网友上传,本站不对文档的完整性、权威性及其观点立场正确性做任何保证或承诺!文档内容仅供研究参考,付费前请自行鉴别。
3、如文档内容存在违规,或者侵犯商业秘密、侵犯著作权等,请点击“违规举报”。

碎片内容

机电安装工程创优施工工艺策划及要点

您可能关注的文档

确认删除?
VIP
微信客服
  • 扫码咨询
会员Q群
  • 会员专属群点击这里加入QQ群
客服邮箱
回到顶部