电脑桌面
添加小米粒文库到电脑桌面
安装后可以在桌面快捷访问

材料力学期末考试复习题及答案

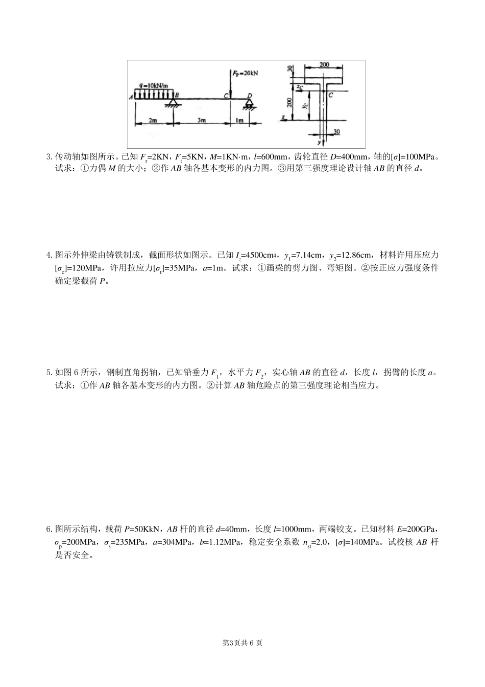
材料力学期末考试复习题及答案_第1页
1/17
材料力学期末考试复习题及答案_第2页
2/17
材料力学期末考试复习题及答案_第3页
3/17
第1页共6 页 材料力学期末考试复习题及答案 配高等教育出版社第五版 一、填空题: 1.受力后几何形状和尺寸均保持不变的物体称为 。 2.构件抵抗 的能力称为强度。 3.圆轴扭转时,横截面上各点的切应力与其到圆心的距离成 比。 4.梁上作用着均布载荷,该段梁上的弯矩图为 。 5.偏心压缩为 的组合变形。 6.柔索的约束反力沿 离开物体。 7.构件保持 的能力称为稳定性。 8.力对轴之矩在 情况下为零。 9.梁的中性层与横截面的交线称为 。 10.图所示点的应力状态,其最大切应力是 。 11.物体在外力作用下产生两种效应分别是 。 12.外力解除后可消失的变形,称为 。 13.力偶对任意点之矩都 。 14.阶梯杆受力如图所示,设AB 和 BC 段的横截面面积分别为 2A 和 A,弹性模量为 E,则杆中最大正应力为 。 15.梁上作用集中力处,其剪力图在该位置有 。 16.光滑接 触 面约束的约束力沿 指 向 物体。 17.外力解除后不能消失的变形,称为 。 18.平 面任意力系 平 衡 方 程 的三 矩式 ,只 有满 足 三 个 矩心 的条 件时,才 能成为力系 平 衡 的充 要 条 件。 19.图所示,梁最大拉 应力的位置在 点处。 第 2页 共 6 页 20.图 所 示 点 的 应 力 状 态 , 已 知 材 料 的 许 用 正 应 力 [σ ], 其 第 三 强 度 理 论 的 强 度 条 件 是 。 21.物 体 相 对 于 地 球 处 于 静 止 或 匀 速 直 线 运 动 状 态 , 称 为 。 22.在 截 面 突 变 的 位 置 存 在 集 中 现 象 。 23.梁 上 作 用 集 中 力 偶 位 置 处 , 其 弯 矩 图 在 该 位 置 有 。 24.图 所 示 点 的 应 力 状 态 , 已 知 材 料 的 许 用 正 应 力 [σ ], 其 第 三 强 度 理 论 的 强 度 条 件 是 。 25.临 界 应 力 的 欧 拉 公 式 只 适 用 于 杆 。 26.只 受 两 个 力 作 用 而 处 于 平 衡 状 态 的 构 件 , 称 为 。 27.作 用 力 与 反 作 用 力 的 关 系 是 。 28.平 面 任 意 力 系 向 一 点 简 化 的 结 果 的 三 种 情 形 是 。 29.阶 梯 杆 受 力 如 图 所 示 , 设 AB 和 BC 段 的 横 截 面 面 积 分 别 为 2A 和 A, 弹 性 模 量 为 E, 则 ...

1、当您付费下载文档后,您只拥有了使用权限,并不意味着购买了版权,文档只能用于自身使用,不得用于其他商业用途(如 [转卖]进行直接盈利或[编辑后售卖]进行间接盈利)。
2、本站所有内容均由合作方或网友上传,本站不对文档的完整性、权威性及其观点立场正确性做任何保证或承诺!文档内容仅供研究参考,付费前请自行鉴别。
3、如文档内容存在违规,或者侵犯商业秘密、侵犯著作权等,请点击“违规举报”。

碎片内容

材料力学期末考试复习题及答案

您可能关注的文档

确认删除?
VIP
微信客服
  • 扫码咨询
会员Q群
  • 会员专属群点击这里加入QQ群
客服邮箱
回到顶部