电脑桌面
添加小米粒文库到电脑桌面
安装后可以在桌面快捷访问

材料成型技术基础习题答案

材料成型技术基础习题答案_第1页
1/37
材料成型技术基础习题答案_第2页
2/37
材料成型技术基础习题答案_第3页
3/37
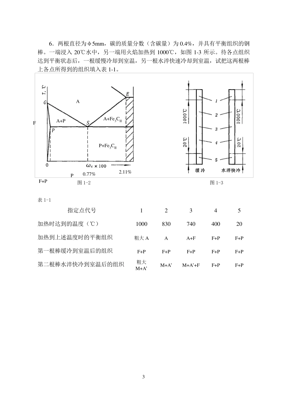
1 作业1 金属材料技术基础 1-1 判断题(正确的画O,错误的画×) 1.纯铁在升温过程中,912℃时发生同素异构转变,由体心立方晶格的α-Fe 转变为面心立方晶格的γ-Fe。这种转变也是结晶过程,同样遵循晶核形成和晶核长大的结晶规律。 ( O ) 2.奥氏体是碳溶解在γ-Fe 中所形成的固溶体,具有面心立方结构,而铁素体是碳溶解在α-Fe 中所形成的固溶体,具有体心立方结构。 ( O ) 3.钢和生铁都是铁碳合金。其中,碳的质量分数(又称含碳量)小于 0.77%的叫钢,碳的质量分数大于 2.11%的叫生铁。 ( × ) 4.珠光体是铁素体和渗碳体的机械混合物,珠光体的力学性能介于铁素体和渗碳体之间。 ( O ) 5.钢中的含碳量对钢的性能有重要的影响。40 与 45 钢相比,后者的强度高,硬度也高,但后者的塑性差。 ( O ) 6.为了改善低碳钢的切削加工性能,可以用正火代替退火,因为正火比退火周期短,正火后比退火后的硬度低,便于进行切削加工。 ( × ) 7.淬火的主要目的是为了提高钢的硬度。因此,淬火钢就可以不经回火而直接使用。 ( × ) 8.铁碳合金的基本组 织 包 括 铁素体(F)、奥氏体(A)、珠光体(P)、渗碳体(Fe3C)、马 氏体(M)、 索 氏体(S)等 。 ( × ) 1-2 选 择 题 1.铁碳合金状 态 图 中的合金在冷 却 过程中发生的( F )是共 析 转变,( B )是共 晶转变。 A.液 体中结晶出 奥氏体; B.液 体中结晶出 莱 氏体; C.液 体中结晶出 一 次 渗碳体; D.奥氏体中析 出 二 次 渗碳体; E.奥氏体中析 出 铁素体; F.奥氏体转变为珠光体。 2.下 列 牌 号 的钢材经过退火后具有平 衡 组 织 。其中,( C )的σb最 高,( D )的HBS 最 高,( A )的δ 和 ak 最 高。在它 们 的组 织 中,( A )的铁素体最 多 ,( C )的珠光体最 多 ,( D )的二 次 渗碳体最 多 。 A.25; B.45; C.T8; D.T12。 3.纯铁分别 按 图 1-1 所示 不同的冷 却 曲 线 冷 却 。其中,沿 ( D )冷 却 ,过冷度最 小; 沿 ( D )冷 却 ,结晶速 度最 慢 ; 沿 ( A )冷 却 ,晶粒 最 细 小。 2 图1-1 4.成分相同的钢,经过不同的热处理,可以得到不同的组织,从而具有不同的力学性能。对于碳的质量分数(含碳量)为0.45%的钢,当要求具有高的硬度...

1、当您付费下载文档后,您只拥有了使用权限,并不意味着购买了版权,文档只能用于自身使用,不得用于其他商业用途(如 [转卖]进行直接盈利或[编辑后售卖]进行间接盈利)。
2、本站所有内容均由合作方或网友上传,本站不对文档的完整性、权威性及其观点立场正确性做任何保证或承诺!文档内容仅供研究参考,付费前请自行鉴别。
3、如文档内容存在违规,或者侵犯商业秘密、侵犯著作权等,请点击“违规举报”。

碎片内容

材料成型技术基础习题答案

确认删除?
VIP
微信客服
  • 扫码咨询
会员Q群
  • 会员专属群点击这里加入QQ群
客服邮箱
回到顶部