电脑桌面
添加小米粒文库到电脑桌面
安装后可以在桌面快捷访问

材料构配件进场检验记录

材料构配件进场检验记录_第1页
1/8
材料构配件进场检验记录_第2页
2/8
材料构配件进场检验记录_第3页
3/8
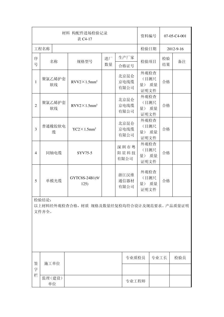
材料 构配件进场检验记录 表C4-17 资料编号 07-05-C4-001 工程名称 检验日期 2012-9-16 序号 名称 规格型号 进厂数量 生产厂家 检验项目 检验结果 备注 合格证号 1 聚氯乙烯护套软线 RVV2×1.5mm² 北 京 昆 仑京 电 线缆有 限 公 司 外 观 检查( 目测 尺量) 质 量证明 文 件 合格 2 聚氯乙烯护套软线 RVV2×1.5mm² 北 京 昆 仑京 电 线缆有 限 公 司 外 观 检查( 目测 尺量) 质 量证明 文 件 合格 3 普 通 橡 胶 软电缆 YC2×1.5mm² 北 京 昆 仑京 电 线缆有 限 公 司 外 观 检查( 目测 尺量) 质 量证明 文 件 合格 4 同 轴 电 缆 SYV75-5 深 圳 市 粤阳 星 科 技有 限 公 司 外 观 检查( 目测 尺量) 质 量证明 文 件 合格 5 单 模 光 缆 GYTC8S-24B1(9/125) 浙 江 汉 维通 信 器 材有 限 公 司 外 观 检查( 目测 尺量) 质 量证明 文 件 合格 检验结论 : 以 上 材料经 外 观 检查 合格, 材质 规格及 数量经 复 检均 符 合设 计 及 规范 要 求 。 产品 质 量证明文 件齐 全 。 签字栏 施 工单 位 专 业 质 检员 专 业 工长 检验员 监 理 ( 建 设 )单 位 专 业 工程师 设备开箱检验记录 表C4-18 资料编号 07-05-C4-001 工程名称 检查日期 2012-9-16 设备名称 红外中速球 规格型号 BT-8018 生产厂家 深圳市贝斯得电子有限公司 产品合格证编号 总数量 12 检验数量 12 进厂检验记录 包装情况 纸箱包装 随机文件 合格证 出厂检验报告 技术说明书齐全 备件与附件 附件齐全 外观情况 外观良好 无破损 测试情况 良好 缺 损付备件明细 序号 附备件名称 规格 单位 数量 备注 检验结论: 以上材料经外观检查合格,材质 规格及数量经复检均符合设计及规范要求。产品质量证明文件齐全。 签字栏 监理(建设)单位 施工单位 供应单位 设备开箱检验记录 表C4-18 资料编号 07-05-C4-002 工程名称 检查日期 2012-9-16 设备名称 数字硬盘录像机 规格型号 DH/DVR1604HF-L/-AF-DVR-II/16-4 生产厂家 浙江大华技术股份有限公司 产品合格证编号 总数量 1 检验数量 1 进厂检验记录 包装情况 纸箱包装 随机文件 合格证 出厂检验报告 技术说明书齐全 备件与附件 附件齐全 外观...

1、当您付费下载文档后,您只拥有了使用权限,并不意味着购买了版权,文档只能用于自身使用,不得用于其他商业用途(如 [转卖]进行直接盈利或[编辑后售卖]进行间接盈利)。
2、本站所有内容均由合作方或网友上传,本站不对文档的完整性、权威性及其观点立场正确性做任何保证或承诺!文档内容仅供研究参考,付费前请自行鉴别。
3、如文档内容存在违规,或者侵犯商业秘密、侵犯著作权等,请点击“违规举报”。

碎片内容

材料构配件进场检验记录

确认删除?
VIP
微信客服
  • 扫码咨询
会员Q群
  • 会员专属群点击这里加入QQ群
客服邮箱
回到顶部