电脑桌面
添加小米粒文库到电脑桌面
安装后可以在桌面快捷访问

污水砂垫层检验批

污水砂垫层检验批_第1页
1/15
污水砂垫层检验批_第2页
2/15
污水砂垫层检验批_第3页
3/15
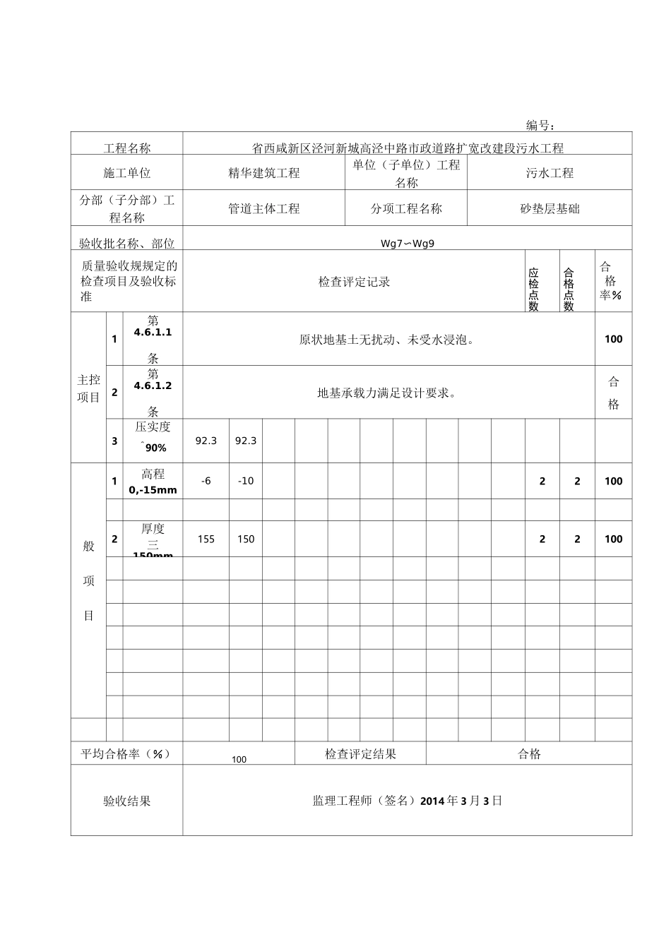
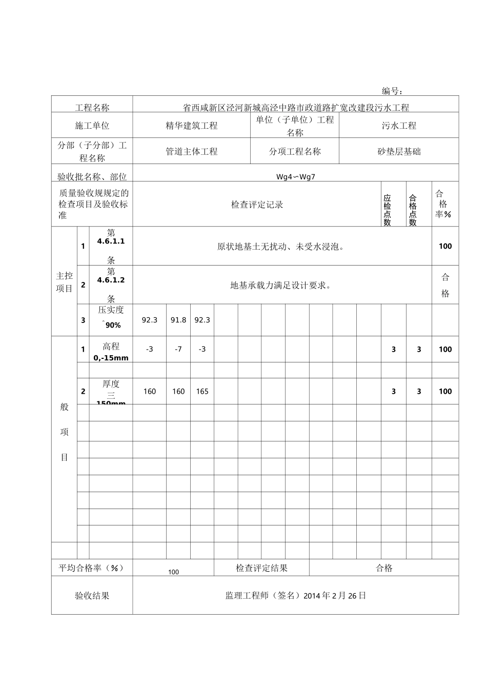
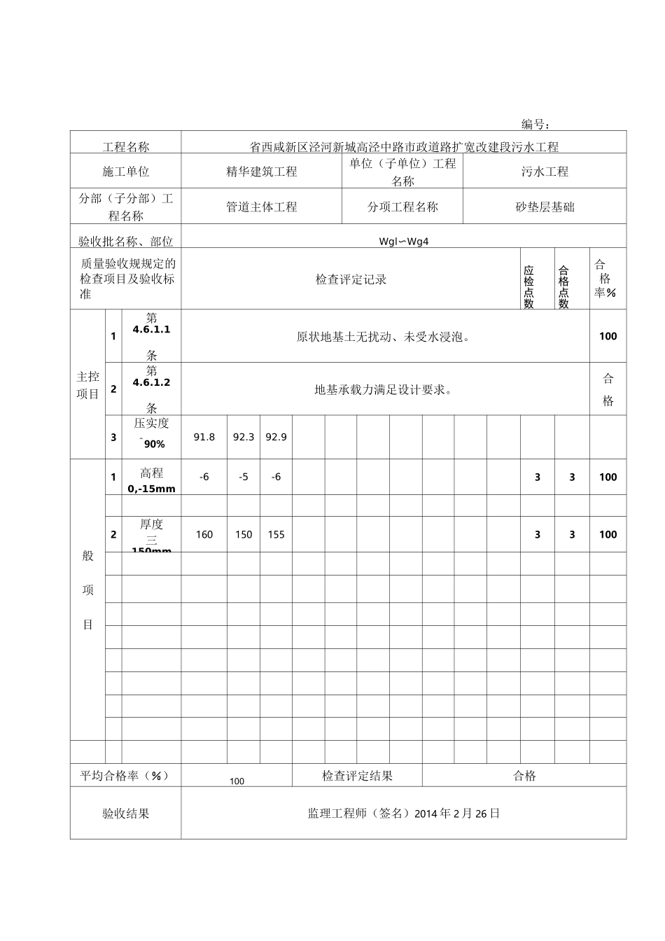
编号:工程名称省西咸新区泾河新城高泾中路市政道路扩宽改建段污水工程施工单位精华建筑工程单位(子单位)工程名称污水工程分部(子分部)工程名称管道主体工程分项工程名称砂垫层基础验收批名称、部位Wgl〜Wg4质量验收规规定的检查项目及验收标准检查评定记录应检点数合格点数合格率%主控项目1第4.6.1.1条原状地基土无扰动、未受水浸泡。1002第4.6.1.2条地基承载力满足设计要求。合格3压实度^90%91.892.392.9般项目1高程0,-15mm-6-5-6331002厚度三150mm16015015533100平均合格率(%)100检查评定结果合格验收结果监理工程师(签名)2014 年 2 月 26 日编号:工程名称省西咸新区泾河新城高泾中路市政道路扩宽改建段污水工程施工单位精华建筑工程单位(子单位)工程名称污水工程分部(子分部)工程名称管道主体工程分项工程名称砂垫层基础验收批名称、部位Wg4〜Wg7质量验收规规定的检查项目及验收标准检查评定记录应检点数合格点数合格率%主控项目1第4.6.1.1条原状地基土无扰动、未受水浸泡。1002第4.6.1.2条地基承载力满足设计要求。合格3压实度^90%92.391.892.3般项目1高程0,-15mm-3-7-3331002厚度三150mm16016016533100平均合格率(%)100检查评定结果合格验收结果监理工程师(签名)2014 年 2 月 26 日编号:工程名称省西咸新区泾河新城高泾中路市政道路扩宽改建段污水工程施工单位精华建筑工程单位(子单位)工程名称污水工程分部(子分部)工程名称管道主体工程分项工程名称砂垫层基础验收批名称、部位Wg7〜Wg9质量验收规规定的检查项目及验收标准检查评定记录应检点数合格点数合格率%主控项目1第4.6.1.1条原状地基土无扰动、未受水浸泡。1002第4.6.1.2条地基承载力满足设计要求。合格3压实度^90%92.392.3般项目1高程0,-15mm-6-10221002厚度三150mm15515022100平均合格率(%)100检查评定结果合格验收结果监理工程师(签名)2014 年 3 月 3 日编号:工程名称省西咸新区泾河新城高泾中路市政道路扩宽改建段污水工程施工单位精华建筑工程单位(子单位)工程名称污水工程分部(子分部)工程名称管道主体工程分项工程名称砂垫层基础验收批名称、部位Wg9〜WglO质量验收规规定的检查项目及验收标准检查评定记录应检点数合格点数合格率%主控项目1第4.6.1.1条原状地基土无扰动、未受水浸泡。1002第4.6.1.2条地基承载力满足设计要求。合格3压实度^90%91.3般项目1高程0,-15mm-4111002厚度三150mm15011100平均合格率(%)100检查...

1、当您付费下载文档后,您只拥有了使用权限,并不意味着购买了版权,文档只能用于自身使用,不得用于其他商业用途(如 [转卖]进行直接盈利或[编辑后售卖]进行间接盈利)。
2、本站所有内容均由合作方或网友上传,本站不对文档的完整性、权威性及其观点立场正确性做任何保证或承诺!文档内容仅供研究参考,付费前请自行鉴别。
3、如文档内容存在违规,或者侵犯商业秘密、侵犯著作权等,请点击“违规举报”。

碎片内容

污水砂垫层检验批

您可能关注的文档

确认删除?
VIP
微信客服
  • 扫码咨询
会员Q群
  • 会员专属群点击这里加入QQ群
客服邮箱
回到顶部