电脑桌面
添加小米粒文库到电脑桌面
安装后可以在桌面快捷访问

板式楼梯计算实例

板式楼梯计算实例_第1页
1/16
板式楼梯计算实例_第2页
2/16
板式楼梯计算实例_第3页
3/16
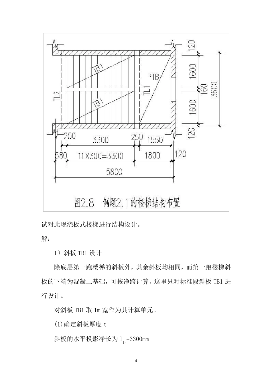
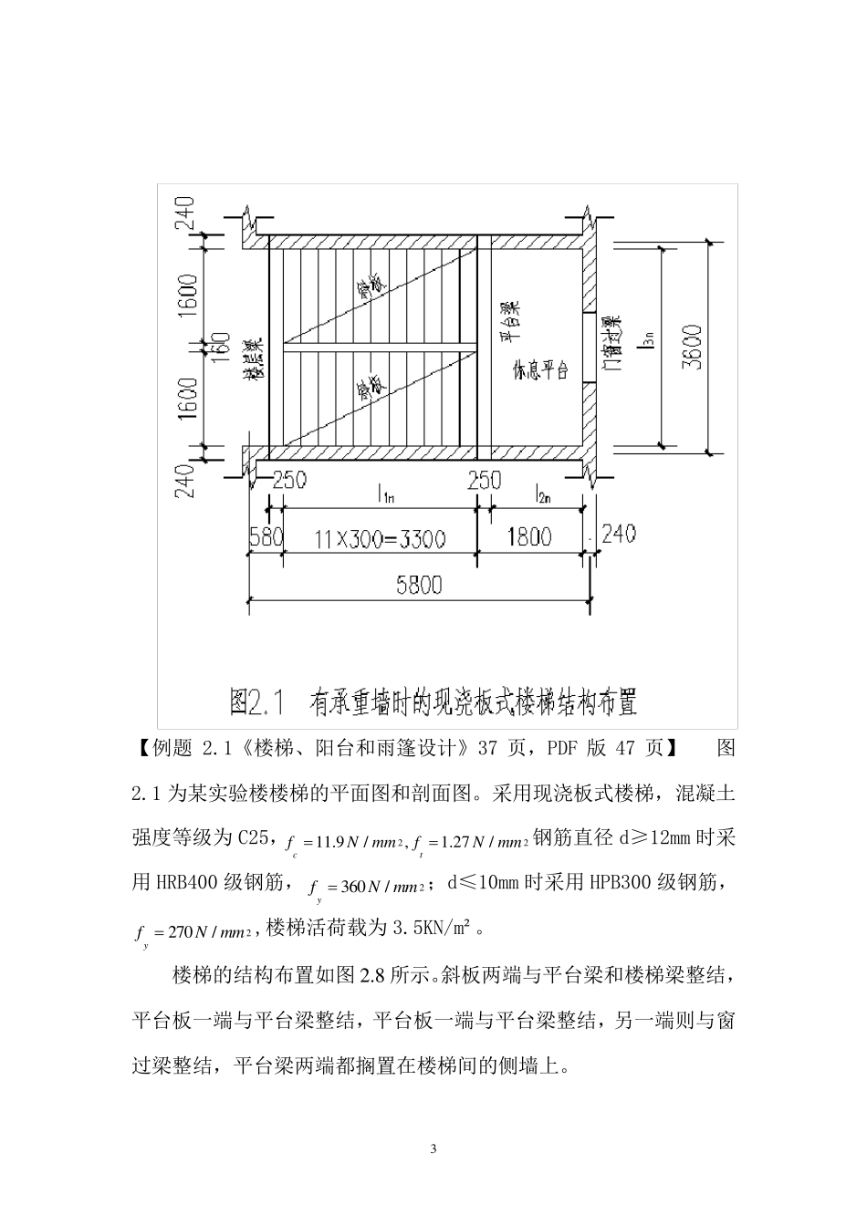
2 板式楼梯计算实例 3 【例题 2.1《楼梯、阳台和雨篷设计》37 页,PDF 版47 页】 图2.1 为某实验楼楼梯的平面图和剖面图。采用现浇板式楼梯,混凝土强度等级为C25,221 1 .9/,1 .2 7/ctfNmmfNmm钢筋直径d≥12mm 时采用HRB400 级钢筋,23 6 0/yfN mm;d≤10mm 时采用HPB300 级钢筋,22 7 0/yfN mm,楼梯活荷载为3.5KN/m²。 楼梯的结 构 布 置 如 图2 .8 所 示 。斜 板两 端 与 平台梁 和楼梯梁 整 结 ,平台板一 端 与 平台梁 整 结 ,平台板一 端 与 平台梁 整 结 ,另 一 端 则 与 窗过 梁 整 结 ,平台梁 两 端 都 搁 置 在 楼梯间 的侧 墙 上 。 4 试对此现浇板式楼梯进行结构设计。 解: 1)斜板TB1 设计 除底层第一跑楼梯的斜板外,其余斜板均相同,而第一跑楼梯斜板的下端为混凝土基础,可按净跨计算。这里只对标准段斜板TB1 进行设计。 对斜板TB1 取 1m 宽作为其计算单元。 (1)确定斜板厚度 t 斜板的水平投影净长为 l1n=3300mm 5 斜板的斜向净长为112233003691cos300 /150300nnllmm 斜板厚度为t1=(1/25~1/30)l1n=(1/25~1/30)×3300=110~120mm,取t1=120mm。(根据“混凝土结构构造手册(第四版)”384 页) (2)荷载计算,楼梯斜板荷载计算见表2.3。 表2.3 楼梯斜板荷载计算 荷载种类 荷载标准值(KN/m) 荷载分项系数 荷载设计值(KN/m) 恒 荷 载 栏杆自重 0.5 1.2 0.6 三角形踏板自重 1(0.150.3)1225 [0.30.12 1 1]5.230.894  1.2 6.28 30 厚水磨石面层 0.65(0.150.3) / 0.30.98 1.2 1.18 板底20 厚水泥砂浆粉刷 0.02200.450.894 1.2 0.54 小计g 7.16 1.2 8.60 活荷载q 3.5 1.4 4.9 总 计p 9.66 13.50 水磨石面层的容重为0.65KN/m²(GB50009-2012,附录A-15,84 页);纸筋灰容重16KN/m³(GB50009-2012,附录A-6,75 页,实 际 工 程 中已 被 水泥砂浆代 替 )以 上 计算的荷载设计值是 由 可 变 荷载控 制 的组合 ,计算由 永 久 荷载控 制 的组 合1.357.160.983.513.10/pKNm,综 合 取p=13.50KN/m (3)计算简 图 如 前 所 述 ,斜板的计算简 图 可 用 一 根假 想 的跨 度为l1n 的水平 梁 6 替代,如图2.9 所示。其计算跨度取斜板水平投影净长l1n=3300mm。 对于底层第一跑...

1、当您付费下载文档后,您只拥有了使用权限,并不意味着购买了版权,文档只能用于自身使用,不得用于其他商业用途(如 [转卖]进行直接盈利或[编辑后售卖]进行间接盈利)。
2、本站所有内容均由合作方或网友上传,本站不对文档的完整性、权威性及其观点立场正确性做任何保证或承诺!文档内容仅供研究参考,付费前请自行鉴别。
3、如文档内容存在违规,或者侵犯商业秘密、侵犯著作权等,请点击“违规举报”。

碎片内容

板式楼梯计算实例

小辰+ 关注
实名认证
内容提供者

出售各种文档和资料

相关文档

确认删除?
VIP
微信客服
  • 扫码咨询
会员Q群
  • 会员专属群点击这里加入QQ群
客服邮箱
回到顶部