电脑桌面
添加小米粒文库到电脑桌面
安装后可以在桌面快捷访问

架空送电线路工程预算定额使用

架空送电线路工程预算定额使用_第1页
1/35
架空送电线路工程预算定额使用_第2页
2/35
架空送电线路工程预算定额使用_第3页
3/35
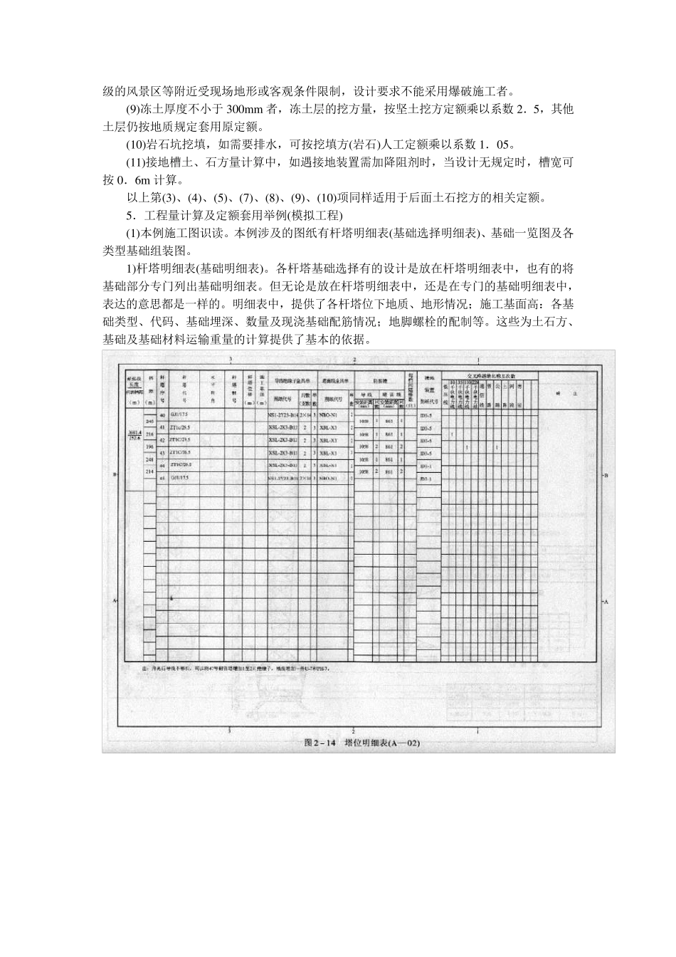
图6—8 基础断面示意图 架空送电线路工程预算定额使用 本体工程各单位工程概预算编制方法,每单位工程包括定额应用、工程量计算及工程实例。 第一节土石方工程 土石方工程涉及的主要定额节有线路复测及分坑,电杆坑、拉线塔坑、拉线坑、电缆沟的挖方(或爆破)及回填,自立式铁塔坑的挖方(或爆破)及回填,接地槽的挖方(或爆破)及回填,岩石嵌固基坑爆破,坚土坑掏挖,挖孔桩基坑开挖,井点施工开挖及回填,排水沟开挖,尖峰及施工基面开挖。 一、常用土石方工程 (一)线路复测及分坑 1.定额子目的设置 线路复测及分坑这一项目工程内容综合了复测桩位及档距,测定坑位、坑界及施工基面,主桩或辅助桩遗失或变动后的恢复,平、断面的校核,工器具移运等项目。并按杆塔类型(单杆、双杆;直线、耐张)划分相应的定额子目,计量单位为“基”。 2.定额使用时应注意的事项 在线路复测分坑中遇到高低腿杆、塔按相应定额的人工乘以系数 1.5,三联杆定额乘以系数 1.5;跨越房屋每处另外增加 0.7 工日计算。 3.工程量计算及定额套用举例(模拟工程) 架空送电线路土石方工程单位工程预算表见表 6—4。 (二)杆塔坑、电缆沟及接地槽的挖方(或爆破)及回填 1.定额子目的设置 杆塔坑、电缆沟及接地槽的挖方(或爆破)及回填这一项目工程按杆塔形式划分为电杆坑、拉线塔坑、拉线坑、电缆沟的挖方(或爆破)及回填,自立式铁塔坑的挖方(或爆破)及回填及接地槽的挖方(或爆破)及回填三个定额节。其工程内容综合了各杆塔坑、电缆沟挖方(或爆破),修整、排水、装拆挡土板及回填,工器具移运等项目。并按不同土质及坑深(接地槽不分坑深)划分相应的定额子目,计量单位为“m 3”。 3.工程量计算规则 (1)杆坑、拉线坑、塔坑的土、石方量。基坑的断面形状通常有圆形、正方形、长方形等三种,但最常用的是后面两种。 1)平截方尖柱体适用于为正形的基础截面,如底盘、现浇基础等 21123aaaahV (6—1) 2)平截长方尖柱体适用于长方形截面的基础,如拉线盘 11116babbaaabhV (6—2) (2)无底盘、卡盘的电杆坑 hV8.08.0 (6—3) 如果h ≥1.5m 时,按放坡计算。 (3)接地槽土、石方量的计算 V=0.4×长度×槽深 (6—4) 其中 坑深=基础埋深+垫层厚度(按设计规定) 坑底宽度=基础宽+2×每边操作裕度(c) 坑口宽(m)=a(b)+2×h×边坡系数 以上式中 V——土、石方体积,m3; h——坑深,m,坑深指基础设计时...

1、当您付费下载文档后,您只拥有了使用权限,并不意味着购买了版权,文档只能用于自身使用,不得用于其他商业用途(如 [转卖]进行直接盈利或[编辑后售卖]进行间接盈利)。
2、本站所有内容均由合作方或网友上传,本站不对文档的完整性、权威性及其观点立场正确性做任何保证或承诺!文档内容仅供研究参考,付费前请自行鉴别。
3、如文档内容存在违规,或者侵犯商业秘密、侵犯著作权等,请点击“违规举报”。

碎片内容

架空送电线路工程预算定额使用

您可能关注的文档

确认删除?
VIP
微信客服
  • 扫码咨询
会员Q群
  • 会员专属群点击这里加入QQ群
客服邮箱
回到顶部