电脑桌面
添加小米粒文库到电脑桌面
安装后可以在桌面快捷访问

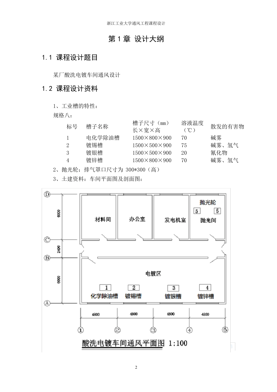
某厂酸洗电镀车间通风课程设计

某厂酸洗电镀车间通风课程设计_第1页
1/16
某厂酸洗电镀车间通风课程设计_第2页
2/16
某厂酸洗电镀车间通风课程设计_第3页
3/16
浙江工业大学通风工程课程设计 通 风 工 程 课 程 设 计 安全工程0 9 0 1 班 贝晓立 查溢银 陈非 陈骏劼 浙江工业大学通风工程课程设计 1 目 录 第1 章 设计大纲 ................................................................................... 2 1.1 课程设计题目 .............................................. 2 1.2 课程设计资料 .............................................. 2 1.3 课程设计内容 .............................................. 2 1.4 课程设计步骤 .............................................. 3 1.5 通风系统方案的确定、系统划分应注意的问题 .................. 4 1.6 本课程设计参考资料 ........................................ 4 1.7 成果 ...................................................... 4 1.8 图纸要求 .................................................. 4 第2 章 工业通风系统的设计与计算 ................................................... 5 2.1 排气罩的计算与选取 ........................................ 5 2.1.1 电化学除油槽......................................... 5 2.1.2 镀锡槽............................................... 5 2.1.3 镀银槽............................................... 6 2.1.4 镀锌槽............................................... 6 2.2 系统划分,风管布置......................................... 7 2.3 通风管道的水力计算 ........................................ 7 2.4 选择净化设备............................................... 9 2.5 风机型号和配套电机......................................... 9 第3 章 抛光工部的通风除尘设计与计算 ......................................... 1 1 3.1 排风量的计算 ............................................. 11 3.2 通风量的水力计算 ......................................... 11 3.3 选定净化除尘设备.......................................... 12 3.4 选定风机型号和配套电机.................................... 12 第4 章 发电机室的通风计算 ............................................................. 1 3 4.1 通风量...

1、当您付费下载文档后,您只拥有了使用权限,并不意味着购买了版权,文档只能用于自身使用,不得用于其他商业用途(如 [转卖]进行直接盈利或[编辑后售卖]进行间接盈利)。
2、本站所有内容均由合作方或网友上传,本站不对文档的完整性、权威性及其观点立场正确性做任何保证或承诺!文档内容仅供研究参考,付费前请自行鉴别。
3、如文档内容存在违规,或者侵犯商业秘密、侵犯著作权等,请点击“违规举报”。

碎片内容

某厂酸洗电镀车间通风课程设计

您可能关注的文档

确认删除?
VIP
微信客服
  • 扫码咨询
会员Q群
  • 会员专属群点击这里加入QQ群
客服邮箱
回到顶部