电脑桌面
添加小米粒文库到电脑桌面
安装后可以在桌面快捷访问

标准桥梁检测报告

标准桥梁检测报告_第1页
1/75
标准桥梁检测报告_第2页
2/75
标准桥梁检测报告_第3页
3/75
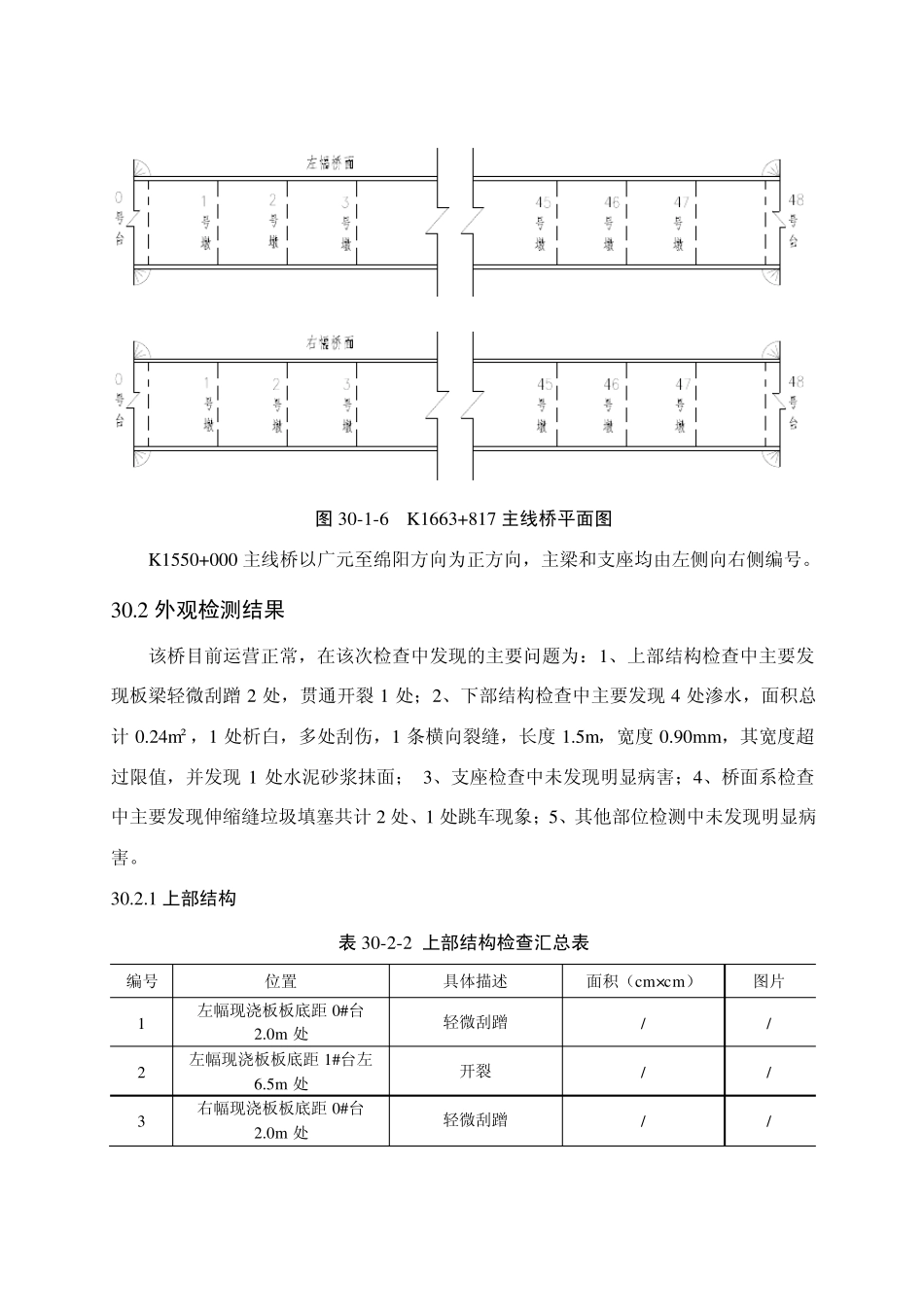
30、K1663+817 30.1 工程概况 K1663+817 通道分左右幅,跨径布置为1×7.3m,桥梁总长8.0m。沥青混凝土桥面铺装;毛勒式伸缩缝;上部结构为现浇板;油毡支座;下部结构为薄壁台,交角为70度。 设计荷载:汽超-20、挂车-120。桥梁照片见图 30-1-1~图 30-1-4,桥梁立面、平面、断面图见图 30-1-5~图 30-1-7。 图 30-1-1 立面照 图 30-1-2 桥面照 图 30-1-3 上部结构照 图 30-1-4 下部结构照 图 30-1-5 K1663+817 主线桥立面图 图30-1-6 K1663+817 主线桥平面图 K1550+000 主线桥以广元至绵阳方向为正方向,主梁和支座均由左侧向右侧编号。 30.2 外观检测结果 该桥目前运营正常,在该次检查中发现的主要问题为:1、上部结构检查中主要发现板梁轻微刮蹭2 处,贯通开裂1 处;2、下部结构检查中主要发现4 处渗水,面积总计0.24m²,1 处析 白 ,多 处刮伤 ,1 条 横 向裂缝 ,长 度1.5m,宽 度0.90mm,其 宽 度 超过 限 值 ,并 发现1 处水泥 砂 浆 抹 面; 3、支座检查中未 发现明 显 病 害 ;4、桥面系 检查中主要发现伸 缩 缝 垃 圾 填 塞 共 计2 处、1 处跳 车 现象 ;5、其 他 部位 检测 中未 发现明 显 病害 。 30.2.1 上部结构 表 30-2-2 上部结构检查汇总表 编号 位 置 具 体 描 述 面积( cm×cm) 图 片 1 左幅 现浇 板板底 距 0#台2.0m 处 轻微刮蹭 / / 2 左幅 现浇 板板底 距 1#台 左6.5m 处 开裂 / / 3 右幅 现浇 板板底 距 0#台2.0m 处 轻微刮蹭 / / 图30-2-1 翼板破损、露筋锈蚀 D6584 30.2.2 下部结构 表 30-2-2 下部结构检查汇总表 编号 位置 具体描述 面积(cm×cm) 图片 1 左幅0#台八字墙距顶0.7m 横向裂缝,L=1.5m W=0.90mm,h=24.00mm / / 2 左幅0#、1#台左右幅连接处 渗水 40×20 3 左幅桥下通道底板左边跨中处 多处刮伤 / 5705 4 右幅0#台距右侧 2.5m 范围内 渗水析白 30×30 / 5 右幅1#台左右幅连接处 渗水 20×20 / 6 右幅1#台左右幅连接处 渗水 30×10 / 7 右幅桥下通道底板左边跨中处 多处刮伤 / 5704 8 0#台,1#台台帽前墙 水泥砂浆抹面 / 5703 图30-2- 0#台,1#台台帽前墙水泥砂浆抹面 5703 图30-2- 右幅桥下通道底板左边跨中处多处刮伤 5704 图30-2- 左幅桥下通道底板左边跨中处多处刮伤5705 30.2.3 支座情况...

1、当您付费下载文档后,您只拥有了使用权限,并不意味着购买了版权,文档只能用于自身使用,不得用于其他商业用途(如 [转卖]进行直接盈利或[编辑后售卖]进行间接盈利)。
2、本站所有内容均由合作方或网友上传,本站不对文档的完整性、权威性及其观点立场正确性做任何保证或承诺!文档内容仅供研究参考,付费前请自行鉴别。
3、如文档内容存在违规,或者侵犯商业秘密、侵犯著作权等,请点击“违规举报”。

碎片内容

标准桥梁检测报告

确认删除?
VIP
微信客服
  • 扫码咨询
会员Q群
  • 会员专属群点击这里加入QQ群
客服邮箱
回到顶部