电脑桌面
添加小米粒文库到电脑桌面
安装后可以在桌面快捷访问

框架涵施工技术交底书VIP专享

框架涵施工技术交底书_第1页
1/13
框架涵施工技术交底书_第2页
2/13
框架涵施工技术交底书_第3页
3/13
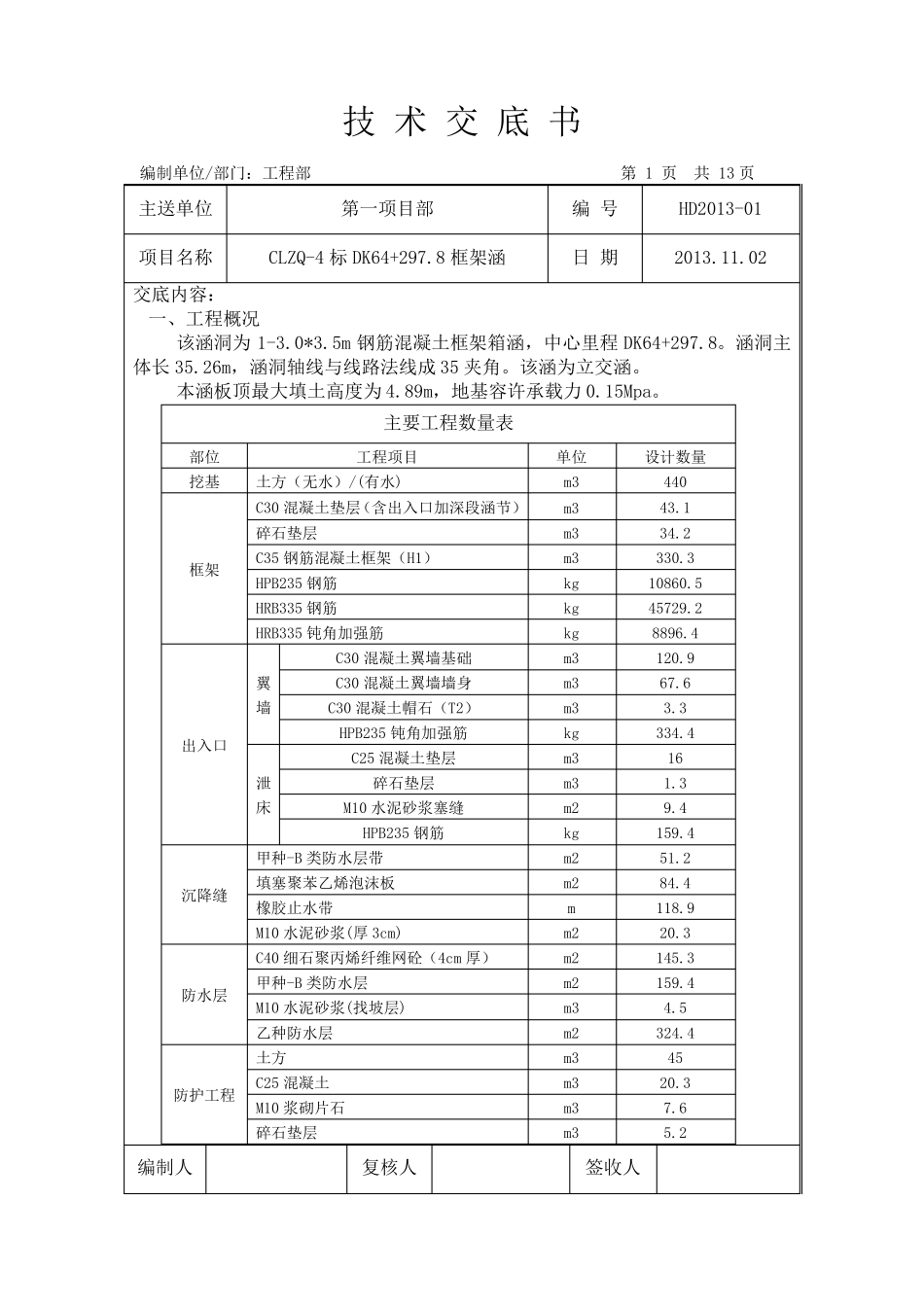
技 术 交 底 书 编制单位/部门:工程部 第 1 页 共 13 页 主送单位 第一项目部 编 号 HD2013-01 项目名称 CLZQ-4 标DK64+297.8 框架涵 日 期 2013.11.02 交底内容: 一、工程概况 该涵洞为 1-3.0*3.5m 钢筋混凝土框架箱涵,中心里程DK64+297.8。涵洞主体长 35.26m,涵洞轴线与线路法线成 35 夹角。该涵为立交涵。 本涵板顶最大填土高度为 4.89m,地基容许承载力 0.15Mpa。 主要工程数量表 部位 工程项目 单位 设计数量 挖基 土方(无水)/(有水) m3 440 框架 C30 混凝土垫层(含出入口加深段涵节) m3 43.1 碎石垫层 m3 34.2 C35 钢筋混凝土框架(H1) m3 330.3 HPB235 钢筋 kg 10860.5 HRB335 钢筋 kg 45729.2 HRB335 钝角加强筋 kg 8896.4 出入口 翼墙 C30 混凝土翼墙基础 m3 120.9 C30 混凝土翼墙墙身 m3 67.6 C30 混凝土帽石(T2) m3 3.3 HPB235 钝角加强筋 kg 334.4 泄床 C25 混凝土垫层 m3 16 碎石垫层 m3 1.3 M10 水泥砂浆塞缝 m2 9.4 HPB235 钢筋 kg 159.4 沉降缝 甲种-B 类防水层带 m2 51.2 填塞聚苯乙烯泡沫板 m2 84.4 橡胶止水带 m 118.9 M10 水泥砂浆(厚 3cm) m2 20.3 防水层 C40 细石聚丙烯纤维网砼(4cm 厚) m2 145.3 甲种-B 类防水层 m2 159.4 M10 水泥砂浆(找坡层) m3 4.5 乙种防水层 m2 324.4 防护工程 土方 m3 45 C25 混凝土 m3 20.3 M10 浆砌片石 m3 7.6 碎石垫层 m3 5.2 编制人 复核人 签收人 技 术 交 底 书 编制单位/部门: 工程部 第 2 页 共 13 页 主送单位 第一项目部 编 号 HD2013-01 项目名称 CLZQ-4 标DK64+297.8 框架涵 日 期 2013.11.02 交底内容: 检查台阶 M10 浆砌片石检查台阶 m3 13.3 基坑回填 级配碎石 m3 185 土 m3 79 路面及侧沟 C40 防磨混凝土路面 m3 10 HPB235 钢筋 kg 1693.4 C15 混凝土 m3 52.4 C30 混凝土侧沟边墙 m3 14.4 盖板 C35 混凝土 m3 7.8 HPB235 钢筋 kg 1530.7 限高架 套 2 二、主要施工方法 根据设计要求,该涵箱身为斜交斜作。 框架涵主体采用现浇法施工,施工顺序为:先正线后两侧,先主体后附属,先主体框架后出入口挡墙。 2.1 基坑开挖 2.1.1 开挖准备 基坑开挖前,测定出基坑中心线、方向、高程。根据基坑设计尺寸、原地面与设计基底的高...

1、当您付费下载文档后,您只拥有了使用权限,并不意味着购买了版权,文档只能用于自身使用,不得用于其他商业用途(如 [转卖]进行直接盈利或[编辑后售卖]进行间接盈利)。
2、本站所有内容均由合作方或网友上传,本站不对文档的完整性、权威性及其观点立场正确性做任何保证或承诺!文档内容仅供研究参考,付费前请自行鉴别。
3、如文档内容存在违规,或者侵犯商业秘密、侵犯著作权等,请点击“违规举报”。

碎片内容

框架涵施工技术交底书

小辰6+ 关注
实名认证
内容提供者

出售各种资料和文档

确认删除?
VIP
微信客服
  • 扫码咨询
会员Q群
  • 会员专属群点击这里加入QQ群
客服邮箱
回到顶部