电脑桌面
添加小米粒文库到电脑桌面
安装后可以在桌面快捷访问

桥梁工程试卷

桥梁工程试卷_第1页
1/23
桥梁工程试卷_第2页
2/23
桥梁工程试卷_第3页
3/23
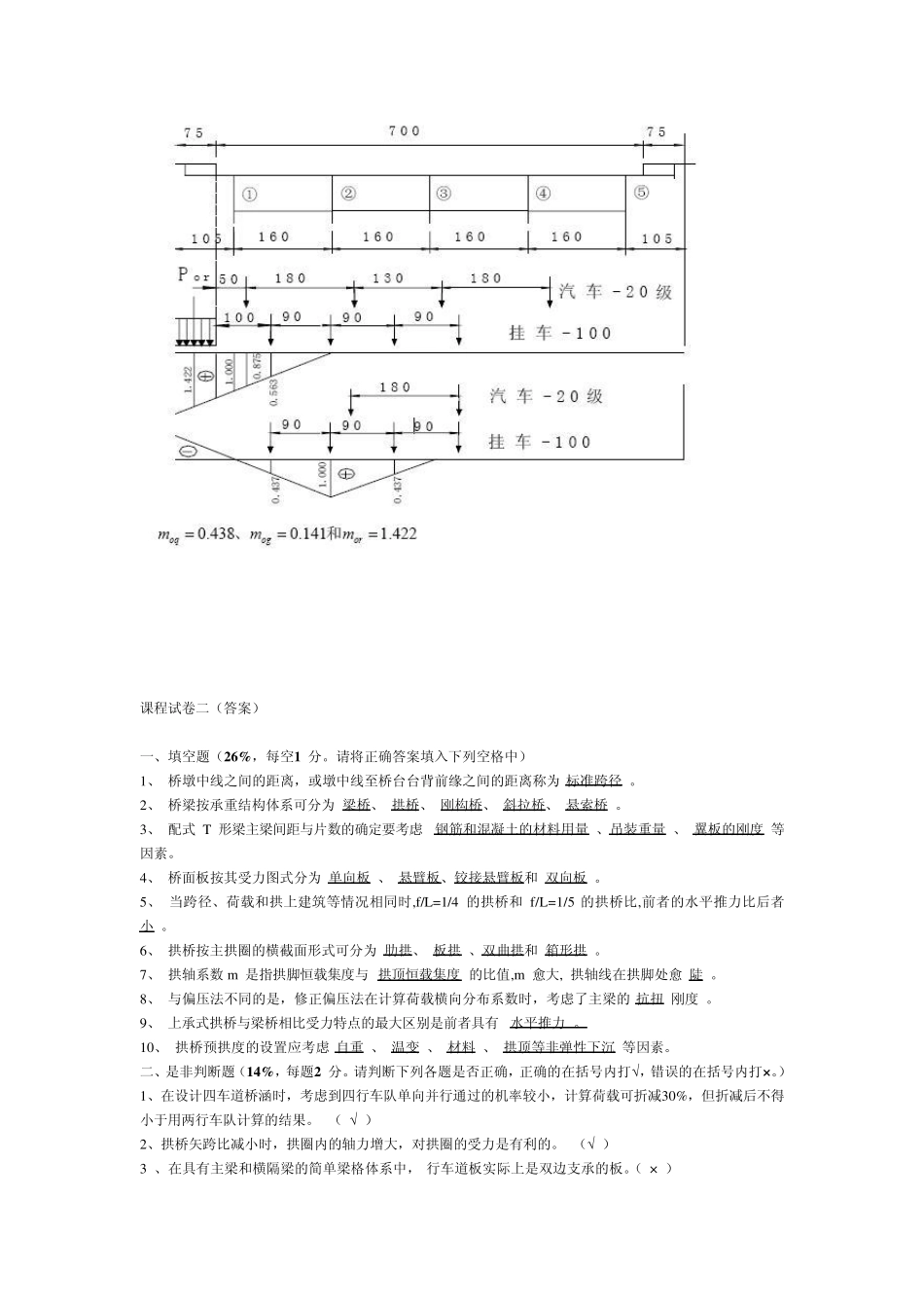
课程试卷一(答案) 一、 填空题(15%,每题1.5分。请将正确答案填入下列空格中) 1、桥梁结构在力学上可以归纳为_拉_ 、_压_ 、_弯曲_ 三种基本体系以及他们之间的各种组合。 2、按承台位置的不同桩基础可分为 高桩承台和 低桩承台。 3、桥墩中线之间的距离,或墩中线至桥台台背前缘之间的距离称为 标准跨径。 4、荷载横向分布计算中 Rki 的第一个脚标表示 该荷载引起反力的粱号。 5、在实践中最常遇到的行车道板的受力图式为 单向板 、 悬臂板 、 铰接悬臂板 三种。 6、当跨径、荷载和拱上建筑等情况相同时,f/L=1/3的拱桥和 f/L=1/8的拱桥相比,前者的水平推力比后者 小 。 7、拱桥按主拱圈的横截面形式可分为 肋拱、 板拱、双曲拱和 箱形拱 。 8、支座的类型 简易支座、钢支座、钢混凝土支座、 橡胶支座。 9、桥梁重力式桥墩类型: 矩形墩、 圆端行墩、 圆形墩。 10、拱轴系数 m 是指拱脚恒载集度与 拱顶恒载集度 的比值,m 愈大, 拱轴线在拱脚处愈 陡。 二、 是非判断题(20%,每题2分。请判断下列各题是否正确,正确的在括号内打√,错误的在括号内打×。) 1、在具有主梁和横隔梁的简单梁格体系中,行车道板实际上是双边支承的板。 ( × ) 2、通常荷载横向分布系的值小于1,且没有负值。 ( √ ) 3、在铰接板法中,采用半波正弦荷载来分析支点荷载横向分布的规律。 ( × ) 4、为了消除恒载挠度而设置的预拱度,其值通常取等于全部恒载和一半静活载所产生的竖向挠度值。 ( √ ) 5、拱桥的标高主要有:桥面标高、拱顶底边标高、起拱线标高、基础底面标高。(√) 6、任何纵横梁格系结构比拟成的异性板,可以完全仿造真正的材料异性板来求解,只是挠曲微分方程中的刚度常数不同罢了。 ( √ ) 7、用偏压法计算横隔梁内力的力学模型是将中横隔梁近似地视作竖向支承在多根弹性主梁上的多跨弹性支承简支梁。 ( √ ) 8、拱圈内力计算主要分为恒载作用下内力计算和裸拱内力计算。 ( × ) 9、拱圈是偏心受压结构,常以最大正(负)弯矩控制设计;而下部结构常以最大水平力控制设计。 ( √ ) 10、”修正刚性横梁法”是在计算中考虑了主梁的抗扭刚度,而”刚性横梁法”则不予考虑。( √ ) 三、 名词解释(15%,每题3分) 1、净跨径 梁式桥的净+径指设计洪水位上相邻两个桥墩(或桥台)之间的净距。 2、永久作用: 在设计使用期内,其作用位置和...

1、当您付费下载文档后,您只拥有了使用权限,并不意味着购买了版权,文档只能用于自身使用,不得用于其他商业用途(如 [转卖]进行直接盈利或[编辑后售卖]进行间接盈利)。
2、本站所有内容均由合作方或网友上传,本站不对文档的完整性、权威性及其观点立场正确性做任何保证或承诺!文档内容仅供研究参考,付费前请自行鉴别。
3、如文档内容存在违规,或者侵犯商业秘密、侵犯著作权等,请点击“违规举报”。

碎片内容

桥梁工程试卷

确认删除?
VIP
微信客服
  • 扫码咨询
会员Q群
  • 会员专属群点击这里加入QQ群
客服邮箱
回到顶部