电脑桌面
添加小米粒文库到电脑桌面
安装后可以在桌面快捷访问

桥梁工程课程设计报告

桥梁工程课程设计报告_第1页
1/33
桥梁工程课程设计报告_第2页
2/33
桥梁工程课程设计报告_第3页
3/33
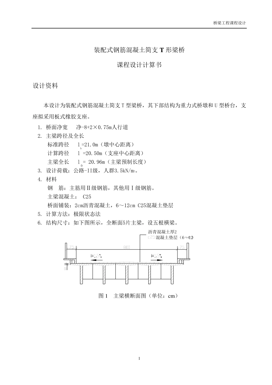
桥梁工程课程设计 1 装配式钢筋混凝土简支T 形梁桥 课程设计计算书 设计资料 本设计为装配式钢筋混凝土简支T 型梁桥,其下部结构为重力式桥墩和U 型桥台,支座拟采用板式橡胶支座。 1. 桥面净宽 净-8+2×0.75m人行道 2. 主梁跨径及全长 标准跨径 lb=21.0m(墩中心距离) 计算跨径 l =20.50m(支座中心距离) 主梁全长 l全= 20.96m(主梁预制长度) 3. 设计荷载:公路-II级,人群3.5kN/m2。 4. 材料 钢 筋:主筋用Ⅱ级钢筋,其他用Ⅰ级钢筋。 主梁混凝土: C25 桥面铺装:2cm沥青混凝土,6~12cm C25混凝土垫层 5. 计算方法:极限状态法 6. 结构尺寸:如下图所示,全断面5片主梁,设五根橫梁。 图 1 主梁横断面图(单位:cm ) 沥青混凝土厚2混凝土垫层(6~12)桥梁工程课程设计 2 图2 主梁纵向布置图(单位:cm) 图3 T 型梁尺寸图(单位:cm ) 7. 设计依据 ⑴《公路桥涵设计通用规范》(JTGD60-2004),简称“桥规” ⑵《公路钢筋混凝土及预应力混凝土桥涵设计规范》(JTGD62-2004) 180 135 100 8 14 18 桥梁工程课程设计 3 桥梁工程课程设计报告 一、行车道板计算 (一)采用铰接板计算恒载、活载在T梁悬臂根部每延米最大内力(M 和Q)。 1.恒载及其内力(以纵向1m 宽的板条进行计算) 1)毎延米板上的恒载g: 沥青混凝土面层1g :kN/m46.0230.102.0 C25 混凝土垫层2g :kN/m16.2240.109.0 T 梁翼板自重3g :kN/m75.2250.1214.008.0 合 计:kN/m37.5gggg321ig 2)毎延米板上的恒载内力: 弯矩:kN/m76.1-81.037.521-g21-M220Agl 剪力:kN35.481.037.5g0 lQAg 2.活载及其内力 将后轮作用于铰缝轴线上,后轴作用力为kN140P ,轮压分布宽度如图4 所示。车轮荷载中后轮着地长度为m20.0a2 ,宽度为m60.0b2 [由《公路桥涵设计通用规范》(JTG D60—2004)查得],则有: 桥梁工程课程设计 4 m42.011.0220.0H2aa21 m82.011.0260.0H2bb21 荷载对悬臂根部的有效宽度: m44.34.181.0242.0d2aa01l 冲击系数: 3.11  作用于每延米板条上的弯矩: kN/m16-482.0-81.044.3414023.1-4b-a4P21-M10Ap)()()()(l 作用于每延米板条上的剪力: N45.2644.3414023.1a4P21Ap)(Q (二)确定行车道板正截面...

1、当您付费下载文档后,您只拥有了使用权限,并不意味着购买了版权,文档只能用于自身使用,不得用于其他商业用途(如 [转卖]进行直接盈利或[编辑后售卖]进行间接盈利)。
2、本站所有内容均由合作方或网友上传,本站不对文档的完整性、权威性及其观点立场正确性做任何保证或承诺!文档内容仅供研究参考,付费前请自行鉴别。
3、如文档内容存在违规,或者侵犯商业秘密、侵犯著作权等,请点击“违规举报”。

碎片内容

桥梁工程课程设计报告

确认删除?
VIP
微信客服
  • 扫码咨询
会员Q群
  • 会员专属群点击这里加入QQ群
客服邮箱
回到顶部