电脑桌面
添加小米粒文库到电脑桌面
安装后可以在桌面快捷访问

桥梁支座力学性能检测指导书

桥梁支座力学性能检测指导书_第1页
1/21
桥梁支座力学性能检测指导书_第2页
2/21
桥梁支座力学性能检测指导书_第3页
3/21
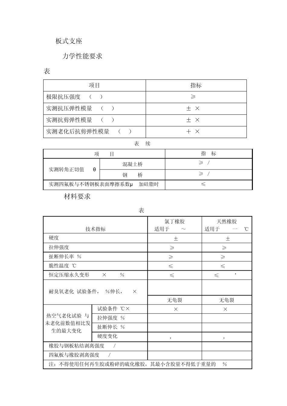
桥梁支座力学性能检测指导书 1. 总则 桥梁支座设置在梁板式体系中主梁与墩台之间,是将上部结构的各种荷载传递给墩台,并能适应上部结构的荷载、温度变化、砼收缩等各种因素所产生的自由变形,使上下部结构的实际受力情况符合设计要求。 目前使用极为广泛的是板式橡胶支座、盆式橡胶支座和球型支座。 2. 执行标准、规范 公路桥梁板式橡胶支座:JT /T 4-2004 公路桥梁盆式橡胶支座:JT /T 391-2009 公路桥梁球型支座:GB/T 17955-2009 3. 检测范围 主要应用于公路桥梁板式橡胶支座、公路桥梁盆式橡胶支座及球型支座力学性能指标测试。 3.1抗压弹性模量试验 3.2抗剪弹性模量试验 3.3抗剪粘结性能试验 3.4抗剪老化试验 3.5摩擦系数试验 3.6转角试验 3.7极限抗压强度试验 3.8盆式支座荷载试验 3.9盆式橡胶支座摩阻系数试验 3.10盆式橡胶支座转角试验 3.11球型橡胶支座荷载试验 3.12球型橡胶支座摩擦因数试验 3.13球型橡胶支座转动试验 3.14自定义抗压弹性模量试验 4.取样方法 4.1板式橡胶支座 试样随机抽取实样,每种规格试样数量为三对,凡与油及其他化学药品接触过的支座不得用作试样(试样试验前应暴露在标准温度23℃±5℃下,放置 24h时使试样内外温度一致) 4.2盆式橡胶支座 试样随机抽取实样每种规格试样数量为三组,试样样品原则应选实体支座,对大型支座进行试验,经协商可选用小型支座代替。 5.试验条件 5.1试样试验前应暴露在标准温度23℃±5℃下,放置 24h时使试样内外温度一致。 5.2试验室的标准温度为23℃±5℃,且不能有腐蚀性气体及影响检测的振动源。 6.技术要求 6.1板式支座 6.1.1力学性能要求 表1 项目 指标 极限抗压强度RU(MPA) ≥70 实测抗压弹性模量E1(MPA) E±G×20% 实测抗剪弹性模量G1(MPA) G±G×15% 实测老化后抗剪弹性模量G2(MPA) G+G×15% 表1(续) 项 目 指 标 实测转角正切值 tanθ 混凝土桥 ≥1/300 钢 桥 ≥1/500 实测四氟板与不锈钢板表面摩擦系数μf(加硅脂时) ≤0.03 6.1.2.材料要求 表2 技术指标 氯丁橡胶 (适用于-250C~600C) 天然橡胶 (适用于-400C一 60℃) 硬度(IRHD) 60±5 60±5 拉伸强度(MPa) ≥17 ≥18 扯断伸长率(%) ≥400 ≥450 脆性温度(℃) ≤-40 ≤-50 恒定压缩永久变形(70~C×24h)(%) ≤15 ≤30 ’ 耐臭氧老化(试验条件,20%伸长,400C×96h) 100pphm 25pphm 无龟裂 无龟裂 热空气...

1、当您付费下载文档后,您只拥有了使用权限,并不意味着购买了版权,文档只能用于自身使用,不得用于其他商业用途(如 [转卖]进行直接盈利或[编辑后售卖]进行间接盈利)。
2、本站所有内容均由合作方或网友上传,本站不对文档的完整性、权威性及其观点立场正确性做任何保证或承诺!文档内容仅供研究参考,付费前请自行鉴别。
3、如文档内容存在违规,或者侵犯商业秘密、侵犯著作权等,请点击“违规举报”。

碎片内容

桥梁支座力学性能检测指导书

您可能关注的文档

小辰4+ 关注
实名认证
内容提供者

出售各种资料和文档

确认删除?
VIP
微信客服
  • 扫码咨询
会员Q群
  • 会员专属群点击这里加入QQ群
客服邮箱
回到顶部