电脑桌面
添加小米粒文库到电脑桌面
安装后可以在桌面快捷访问

桩基础施工安全应急预案

桩基础施工安全应急预案_第1页
1/19
桩基础施工安全应急预案_第2页
2/19
桩基础施工安全应急预案_第3页
3/19
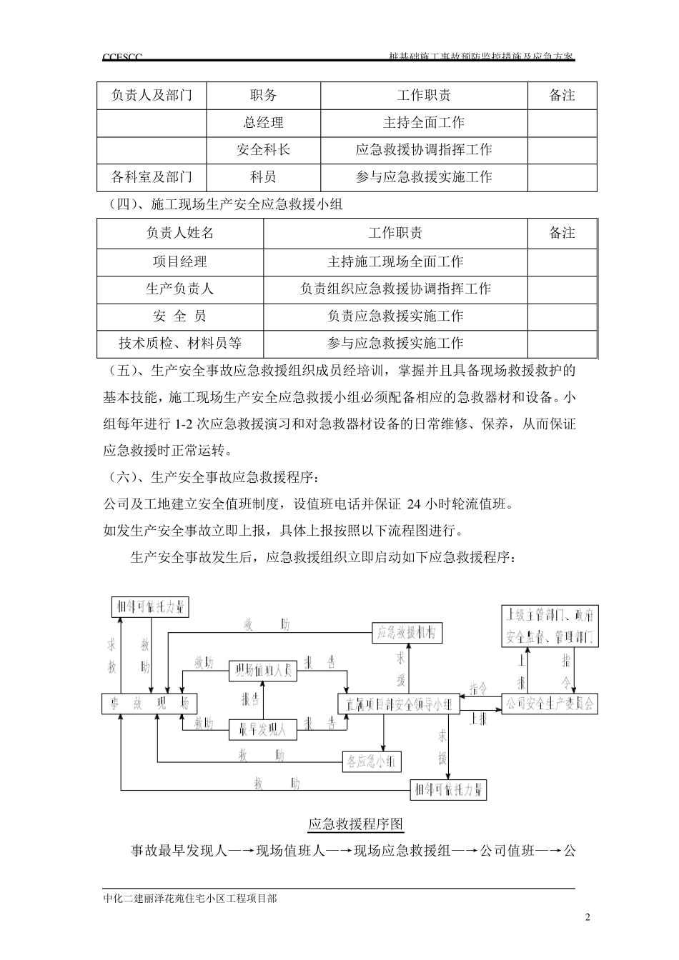
CCESCC 桩基础施工事故预防监控措施及应急方案 中化二建丽泽花苑住宅小区工程项目部 1 丽泽花苑桩基础施工 事故预防监控措施及应急预案 一、现场危险性较大分部分项工程及施工现场易发生重大事故的部位 (一)、坍塌事故(桩孔塌陷) (二)、倾覆事故(吊车及桩基础施工机械作业) (三)、物体打击事故 (四)、机械伤害 (五)、触电事故 (六)、环境污染事件 (七)、火灾 (八)、施工中挖断水、电、通信光缆、煤气管道 (九)、食物中毒、传染疾病 二、应急准备和响应组织准备 (一)、目的: 针对项目部生产活动中潜在的事故、事件或紧急情况,为充分保障工人的生命安全、避免发生重大的安全事故、确保公司安全目标的实现,及时统计、报告协调处理职工伤亡事故,采取有效的预防措施,能够及时进行应急救援,从而最大限度 地 降 低 生产安全事故给 本 企 业及本 企 业员 工所 造 成 的损 失 。 项目部成 立 公司生产安全事故应急救援小组。 特 制 定 如 下 紧急预案。 一旦 发生便 可 随 时做 好 响应,以 预防或减 少 可 能随 之 引 发的疾病和伤害。 (二)、适 用 范 围 : 本 预案适 用 于 中化二建丽泽花园 项目部现场施工、管理人员 及各 部门 在生产劳 动过 程中对环境和职业健 康 安全方面 潜在事故、事件或紧急情况的应急准备和响应。 (三)、责 任 : 本 企 业建立 生产安全事故应急救援指 挥 机构 : CCESCC 桩基础施工事故预防监控措施及应急方案 中化二建丽泽花苑住宅小区工程项目部 2 负责人及部门 职务 工作职责 备注 总经理 主持全面工作 安全科长 应急救援协调指挥工作 各科室及部门 科员 参与应急救援实施工作 (四)、施工现场生产安全应急救援小组 负责人姓名 工作职责 备注 项目经理 主持施工现场全面工作 生产负责人 负责组织应急救援协调指挥工作 安 全 员 负责应急救援实施工作 技术质检、材料员等 参与应急救援实施工作 (五)、生产安全事故应急救援组织成员经培训,掌握并且具备现场救援救护的基本技能,施工现场生产安全应急救援小组必须配备相应的急救器材和设备。小组每年进行 1-2 次应急救援演习和对急救器材设备的日常维修、保养,从而保证应急救援时正常运转。 (六)、生产安全事故应急救援程序: 公司及工地建立安全值班制度,设值班电话并保证 24 小时轮流值班。 如发生...

1、当您付费下载文档后,您只拥有了使用权限,并不意味着购买了版权,文档只能用于自身使用,不得用于其他商业用途(如 [转卖]进行直接盈利或[编辑后售卖]进行间接盈利)。
2、本站所有内容均由合作方或网友上传,本站不对文档的完整性、权威性及其观点立场正确性做任何保证或承诺!文档内容仅供研究参考,付费前请自行鉴别。
3、如文档内容存在违规,或者侵犯商业秘密、侵犯著作权等,请点击“违规举报”。

碎片内容

桩基础施工安全应急预案

小辰2+ 关注
实名认证
内容提供者

出售各种资料和文档

确认删除?
VIP
微信客服
  • 扫码咨询
会员Q群
  • 会员专属群点击这里加入QQ群
客服邮箱
回到顶部