电脑桌面
添加小米粒文库到电脑桌面
安装后可以在桌面快捷访问

桩基础课程设计

桩基础课程设计_第1页
1/14
桩基础课程设计_第2页
2/14
桩基础课程设计_第3页
3/14
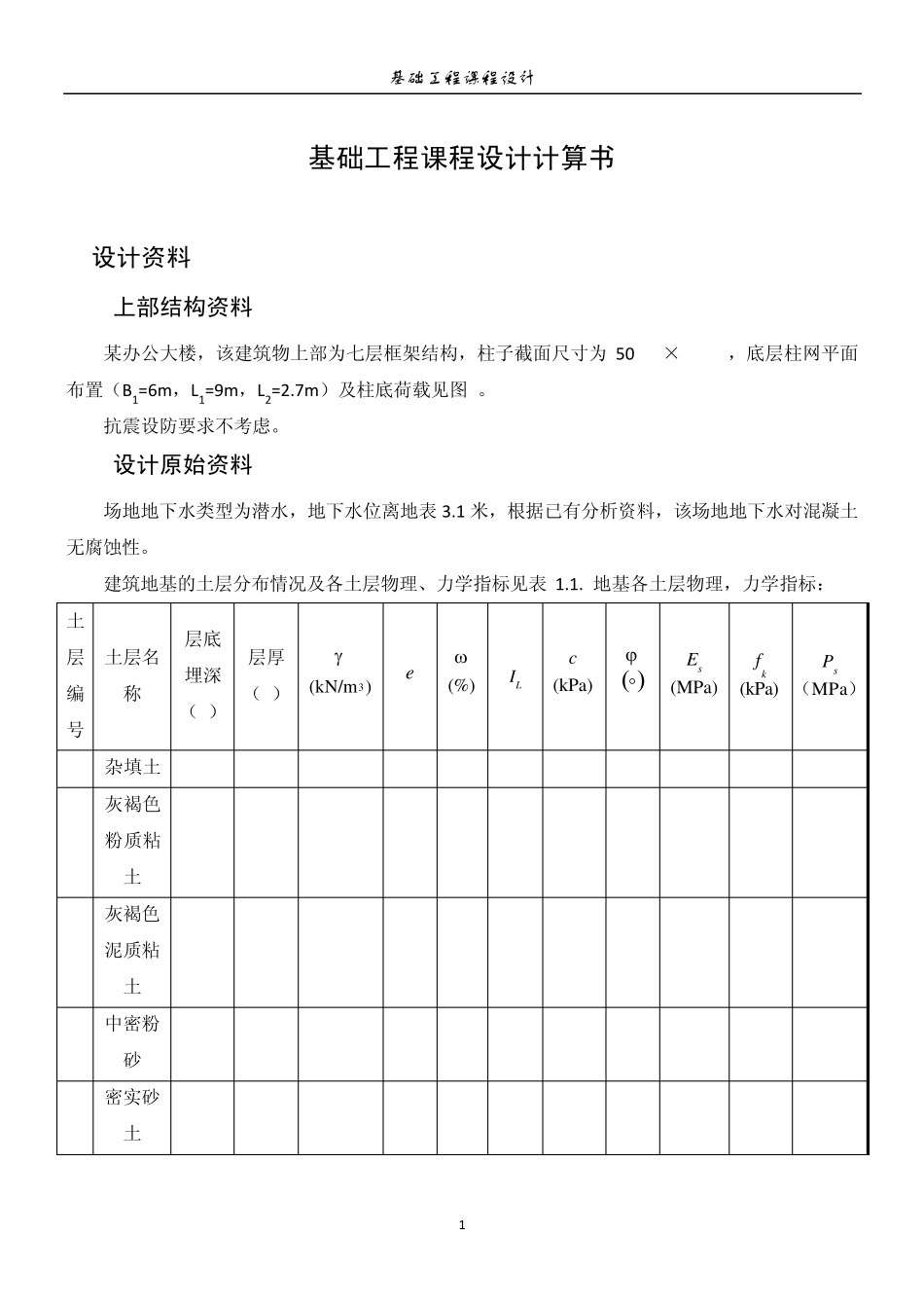
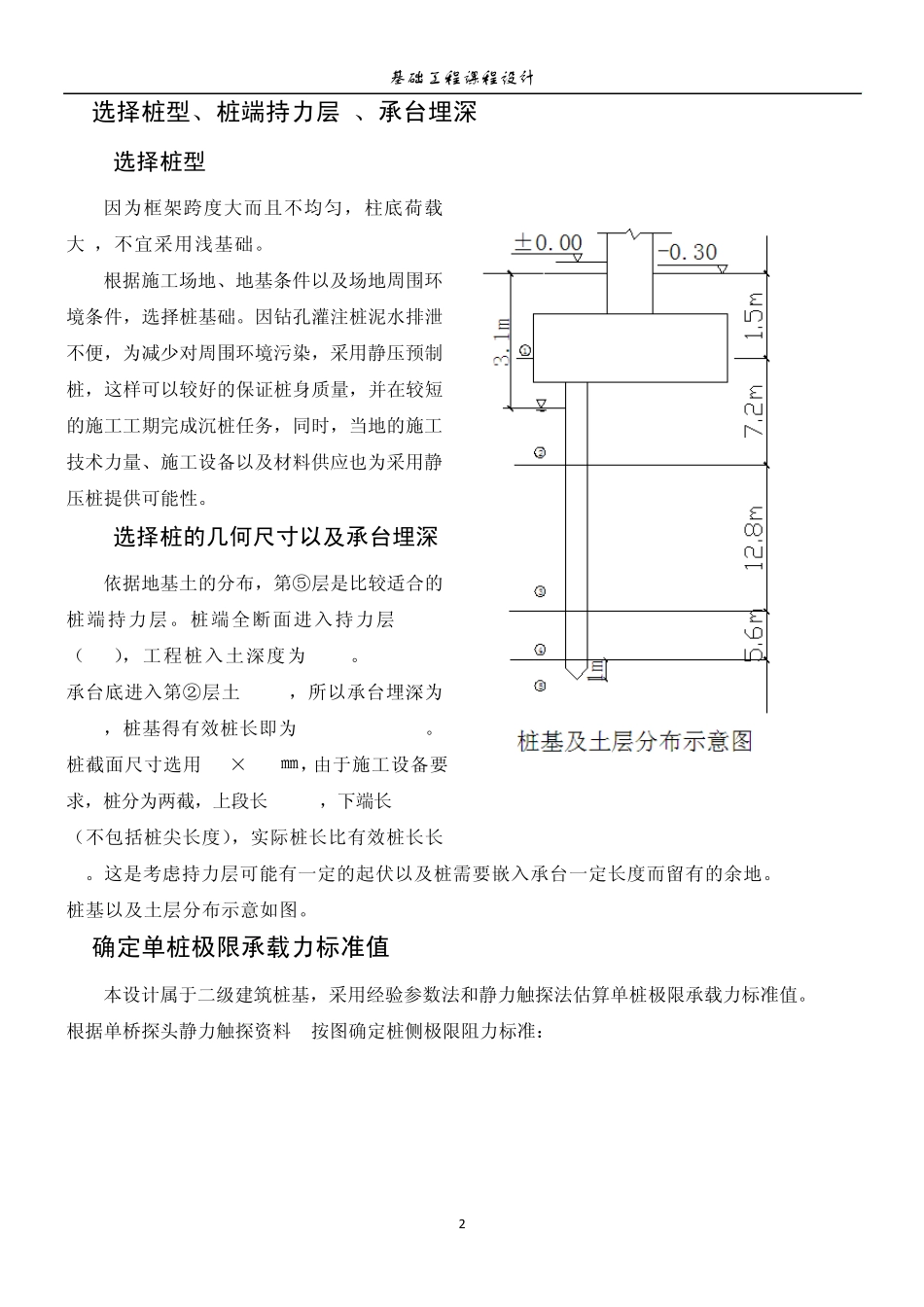
基础工程课程设计 1 基础工程课程设计计算书 1 设计资料 1.1 上部结构资料 某办公大楼,该建筑物上部为七层框架结构,柱子截面尺寸为500mm×500mm,底层柱网平面布置(B1=6m ,L1=9m ,L2=2.7m )及柱底荷载见图 。 抗震设防要求不考虑。 1.2 设计原始资料 场地地下水类型为潜水,地下水位离地表 3.1 米,根据已有分析资料,该场地地下水对混凝土无腐蚀性。 建筑地基的土层分布情况及各土层物理、力学指标见表 1.1. 地基各土层物理,力学指标: 土层 编号 土层名称 层底埋深 (m) 层厚 (m) 3(kN/m ) e (%) LI (kPa)c   (MPa)sE (kPa)kf MPasP() 1 杂填土 1.5 1.5 17.5 2 灰褐色粉质粘土 8.7 7.2 18.4 0.90 33 0.95 16.7 21.1 5.4 125 0.72 3 灰褐色泥质粘土 21.5 12.8 17.8 1.06 34 1.10 14.2 18.6 3.8 95 0.86 4 中密粉砂 26.7 5.2 19.7 0.83 30 0 35.8 8.6 210 3.44 5 密实砂土 >26.7 6.0 19.7 0.72 23 0 37.6 11.5 310 6.23 基础工程课程设计 2 2 选择桩型、桩端持力层 、承台埋深 2.1 选择桩型 因为框架跨度大而且不均匀,柱底荷载大 ,不宜采用浅基础。 根据施工场地、地基条件以及场地周围环境条件,选择桩基础。因钻孔灌注桩泥水排泄不便,为减少对周围环境污染,采用静压预制桩,这样可以较好的保证桩身质量,并在较短的施工工期完成沉桩任务,同时,当地的施工技术力量、施工设备以及材料供应也为采用静压桩提供可能性。 2.2 选择桩的几何尺寸以及承台埋深 依据地基土的分布,第⑤层是比较适合的桩端持力层。桩端全断面进入持力层 1.0m(>2d),工程桩入土深度为27.7m 。 承台底进入第②层土 0.6m,所以承台埋深为2.1m,桩基得有效桩长即为27.7-2.1=25.6m。 桩截面尺寸选用450×450㎜,由于施工设备要求,桩分为两截,上段长 13.3m,下端长 13.3m(不包括桩尖长度),实际桩长比有效桩长长1m。这是考虑持力层可能有一定的起伏以及桩需要嵌入承台一定长度而留有的余地。 桩基以及土层分布示意如图。 3 确定单桩极限承载力标准值 本设计属于二级建筑桩基,采用经验参数法和静力触探法估算单桩极限承载力标准值。 根据单桥探头静力触探资料 Ps按图确定桩侧极限阻力标准: 基础工程课程设计 3 55+40c8010070000g15ahd1000 2000 30004000 5000 60000.0p sps(kPa)fe0.02 ps251251000.016p...

1、当您付费下载文档后,您只拥有了使用权限,并不意味着购买了版权,文档只能用于自身使用,不得用于其他商业用途(如 [转卖]进行直接盈利或[编辑后售卖]进行间接盈利)。
2、本站所有内容均由合作方或网友上传,本站不对文档的完整性、权威性及其观点立场正确性做任何保证或承诺!文档内容仅供研究参考,付费前请自行鉴别。
3、如文档内容存在违规,或者侵犯商业秘密、侵犯著作权等,请点击“违规举报”。

碎片内容

桩基础课程设计

小辰8+ 关注
实名认证
内容提供者

出售各种资料和文档

确认删除?
VIP
微信客服
  • 扫码咨询
会员Q群
  • 会员专属群点击这里加入QQ群
客服邮箱
回到顶部