电脑桌面
添加小米粒文库到电脑桌面
安装后可以在桌面快捷访问

检测水泥中水溶性铬所需化验设备hxs

检测水泥中水溶性铬所需化验设备hxs_第1页
1/6
检测水泥中水溶性铬所需化验设备hxs_第2页
2/6
检测水泥中水溶性铬所需化验设备hxs_第3页
3/6
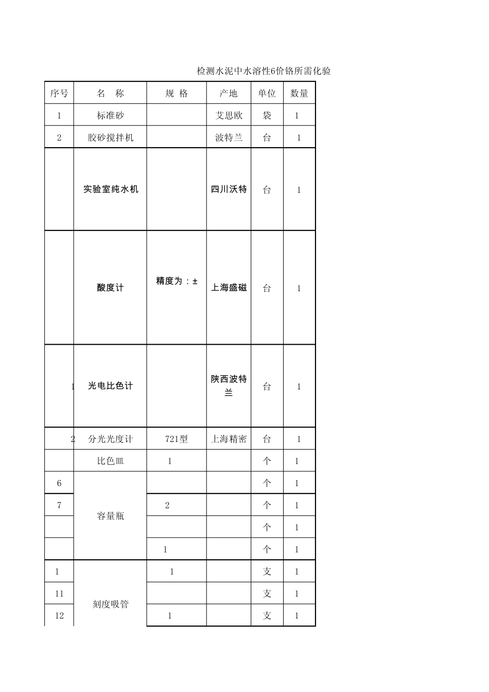
序号 名 称规 格 产地单位数量1标准砂艾思欧袋102胶砂搅拌机JJ-5波特兰台13实 验 室 纯 水 机WP-UP-11-20四 川 沃 特台14酸 度 计精 度 为 : ±0.05pH上海盛磁台15.1光电比色计540nm 陕西波特兰台15.2分光光度计 721型上海精密台15.3比色皿10mm个10650ml个107250ml个108500ml个1091000ml个10101ml支10115ml支101210ml支10检测水泥中水溶性6价铬所需化验容量瓶刻度吸管1315ml支1014移液管50ml支101550ml只1016100ml只1017250ml只1018500ml只10191000ml只1020电子天平 200g/1g余姚金诺台121分析天平200g/0.0001g上海良平台122干燥器Ф 210mm个123盐酸AR(2500ml)瓶 124丙酮瓶 125重铬酸钾瓶 126 二苯基碳酰二肼瓶 1270.50mm陕西波特兰 只10280.16mm陕西波特兰 只10290.080mm陕西波特兰 只1030.1布氏漏斗φ ≥150mm个1030.2真空泵台130.3盛接溶液的小烧杯个530.4抽滤瓶2000ml个230.5 中速定量滤纸盒531胶砂加水器 225ml个132塑料棒根1033吸管0.1ml个10烧杯水泥试验筛34存样瓶2000ml个135刮刀把1我公司提供:开展水泥中6价铬检测所需成套仪器试 公司名称: 陕西波特兰电子科技有限责任公司 详细地址: 西安市金花北路10号 邮政编码: 710032 联 系 人: 贺西京 联系电话: 029-83223198 传真号码: 029-83228283 手 机: 13609264544 13319218569 电子邮箱: 347756220@qq.com备 注陕西唯一销售:陕西波特兰电子科技有限责任公司符合JC/T681-2005行星式水泥胶砂搅拌机标准的要求。传 统 蒸 馏 水 器 的 取 代 品 ,有 较 强 的 节 电 、 节 水 效 率 。优 于 国 家 实 验 室 (GB6682-2000)一 级 水 标 准 ,优 于 二次 蒸 馏 水 ,耗 电 量 每 小 时 50W,原 蒸 馏 水 器 每 小 时 耗 电15度 并 电 热 管 损 坏 和 浪 费 大 量 水 资 源 .( 20吨 才 出 1吨纯 净 水 ) , 不 符 合 节 约 型 .标 书 所 要 求 的 离 子 交 换 纯水 器 属 于 过 渡 产 品 , 已 淘 汰 , 我 公 司 推 荐 使 用 超 纯 水机 , 节 能 环 保 。PHS—3C型 pH计是一 台数字显示pH计, 它采用 白色背光、 双排数字显示液晶, 可同时 显示pH、 温度 值或电 位(mV)、 温度 值。 该仪器 适用 于 大 专院校、 研究院所 、 环 境监测、 工矿企业 等 部 门 的 化 验 室 ...

1、当您付费下载文档后,您只拥有了使用权限,并不意味着购买了版权,文档只能用于自身使用,不得用于其他商业用途(如 [转卖]进行直接盈利或[编辑后售卖]进行间接盈利)。
2、本站所有内容均由合作方或网友上传,本站不对文档的完整性、权威性及其观点立场正确性做任何保证或承诺!文档内容仅供研究参考,付费前请自行鉴别。
3、如文档内容存在违规,或者侵犯商业秘密、侵犯著作权等,请点击“违规举报”。

碎片内容

检测水泥中水溶性铬所需化验设备hxs

您可能关注的文档

确认删除?
VIP
微信客服
  • 扫码咨询
会员Q群
  • 会员专属群点击这里加入QQ群
客服邮箱
回到顶部