电脑桌面
添加小米粒文库到电脑桌面
安装后可以在桌面快捷访问

检验批划分及验收计划

检验批划分及验收计划_第1页
1/6
检验批划分及验收计划_第2页
2/6
检验批划分及验收计划_第3页
3/6
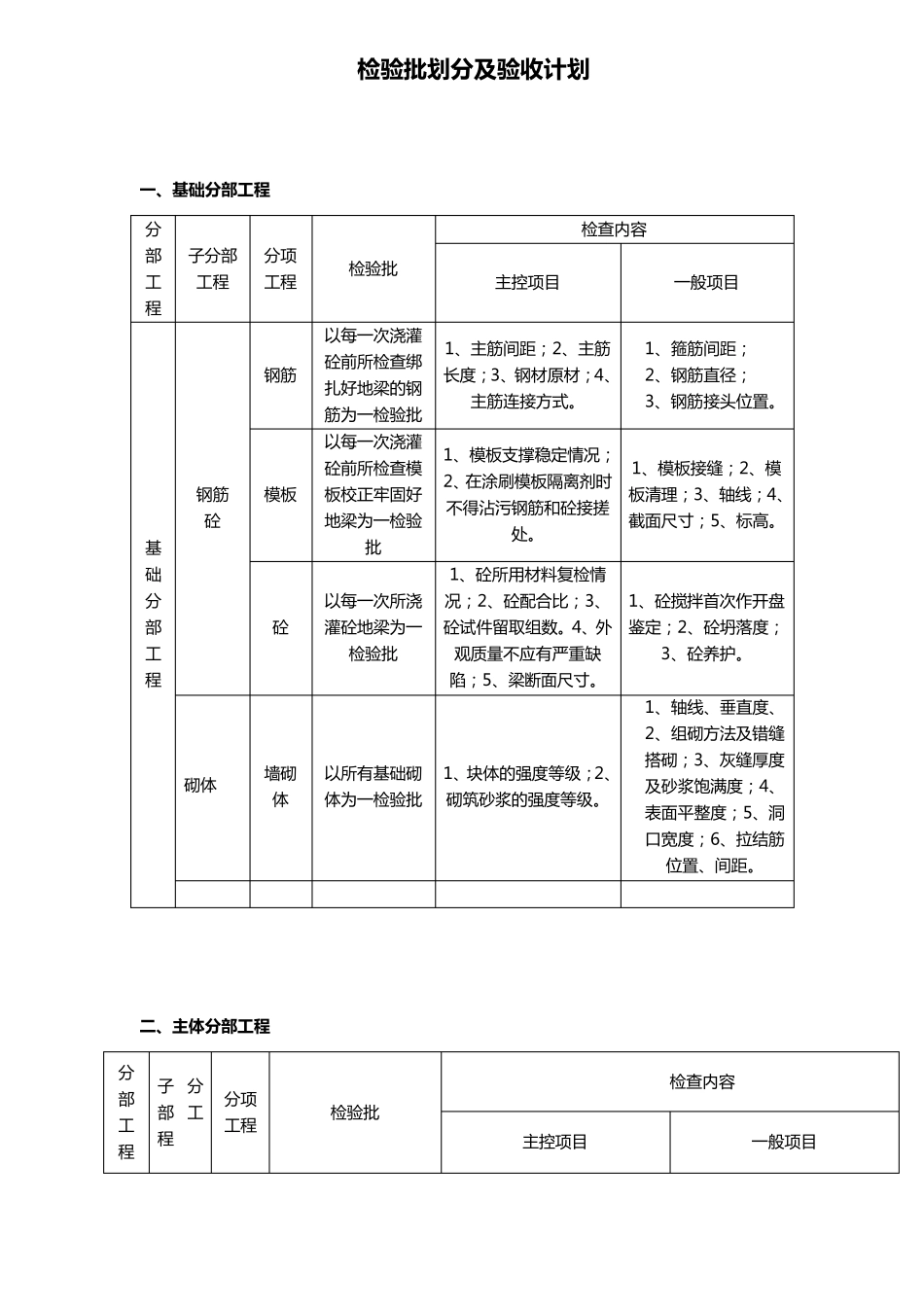
检 验 批 划 分 及 验 收 计 划 一 、基础分 部工程 分部工程 子 分 部工 程 分 项工 程 检 验 批 检 查 内 容 主 控 项 目 一 般 项 目 基 础 分 部 工 程 钢 筋 砼 钢 筋 以 每 一 次 浇 灌砼 前 所 检 查 绑扎 好 地 梁 的 钢筋 为 一 检 验 批 1、主 筋 间距;2、主 筋长度;3、钢 材原材;4、主 筋 连接方式。 1、箍筋 间距; 2、钢 筋 直径; 3、钢 筋 接头位置。 模板 以 每 一 次 浇 灌砼 前 所 检 查 模板校正牢固好地 梁 为 一 检 验批 1、模板支撑稳定情况;2、在涂刷模板隔离剂时不得沾污钢 筋 和砼 接搓处。 1、模板接缝;2、模板清理;3、轴线;4、截面尺寸;5、标高。 砼 以 每 一 次 所 浇灌 砼 地 梁 为 一检 验 批 1、砼 所 用材料复检 情况;2、砼 配合比;3、砼 试件留取组数。4、外观质量不应有严重缺陷;5、梁 断面尺寸。 1、砼 搅拌首次 作开盘鉴定;2、砼 坍落度;3、砼 养护。 砌体 墙砌体 以 所 有基 础 砌体为 一 检 验 批 1、块体的 强度等级;2、砌筑砂浆的 强度等级。 1、轴线、垂直度、2、组砌方法及错缝搭砌;3、灰缝厚度及砂浆饱满度;4、表面平整度;5、洞口宽度;6、拉结筋位置、间距。 二、主体分 部工程 分部工程 子分部工程 分 项工 程 检 验 批 检 查 内 容 主 控 项 目 一 般 项 目 主体分部工程 砼 结构 工程 钢 筋 以 每 一 楼 层 每 现 浇 结构 中 的 柱 、梁板钢 筋 为一 检验批 1、钢 材原材;2、受力钢 筋的 弯钩和弯折;3、箍筋 弯钩形式;4、主 筋 连接方式;5、焊接接头的 力学性能;6、受力钢 筋 的 品种、规格、级别、数量。 1、箍筋 间距;2、钢 筋 外观质量;3、钢 筋 接头位置及接头百分 率;4、受力钢 筋 的 间距、排距、保护层 厚度。 模板 以 每 一 楼 层 每 现 浇 结 构 中 的 柱 、梁板钢 筋 为一检验批 1、模板支撑稳定情况;2、在涂刷模板隔离剂时不得沾污钢筋 和砼 接搓处。 1、模板接缝;2、模板清理;3、轴线;4、截面尺寸;5、标高;6、垂直度 砼 以 每 一 楼 层 每 现 浇 结 构 中 的 柱 、梁板钢 筋 为一检验批 1、砼 所用材料复检情况;2、砼 配合比;3、砼 试件留取组数。4、外观质量不应有严重缺陷;5...

1、当您付费下载文档后,您只拥有了使用权限,并不意味着购买了版权,文档只能用于自身使用,不得用于其他商业用途(如 [转卖]进行直接盈利或[编辑后售卖]进行间接盈利)。
2、本站所有内容均由合作方或网友上传,本站不对文档的完整性、权威性及其观点立场正确性做任何保证或承诺!文档内容仅供研究参考,付费前请自行鉴别。
3、如文档内容存在违规,或者侵犯商业秘密、侵犯著作权等,请点击“违规举报”。

碎片内容

检验批划分及验收计划

您可能关注的文档

确认删除?
VIP
微信客服
  • 扫码咨询
会员Q群
  • 会员专属群点击这里加入QQ群
客服邮箱
回到顶部