电脑桌面
添加小米粒文库到电脑桌面
安装后可以在桌面快捷访问

楼层平面放线记录

楼层平面放线记录_第1页
1/16
楼层平面放线记录_第2页
2/16
楼层平面放线记录_第3页
3/16
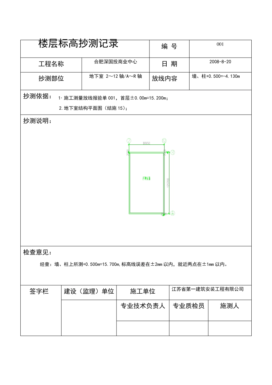
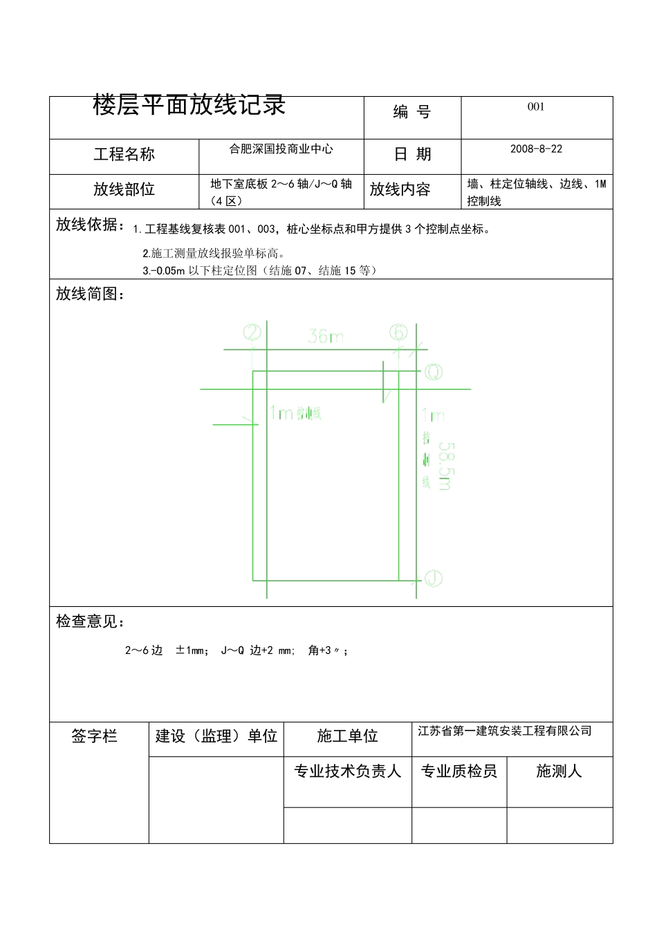
楼层平面放线记录 编 号 0 0 1 工程名称 合肥深国投商业中心 日 期 2008-8-22 放线部位 地下室底板2~6 轴/J~Q 轴 (4 区) 放线内容 墙、柱定位轴线、边线、1M控制线 放线依据:1.工程基线复核表001、003,桩心坐标点和甲方提供3 个控制点坐标。 2.施工测量放线报验单标高。 3.-0.05m 以下柱定位图(结施07、结施15 等) 放线简图: 检查意见: 2~6 边 ±1mm; J~Q 边+2 mm; 角+3〃; 签字栏 建设(监理)单位 施工单位 江苏省第一建筑安装工程有限公司 专业技术负责人 专业质检员 施测人 楼层标高抄测记录 编 号 0 0 1 工程名称 合肥深国投商业中心 日 期 2008-8-20 抄测部位 地下室 2~12 轴/A~R 轴 放线内容 墙、柱+0.500=-4.130m 抄测依据: 1.施工测量放线报验单001,首层±0.00m=15.200m; 2.地下室结构平面图(结施15); 抄测说明: 检查意见: 经查:墙、柱上所测+0.500m=15.700m,标高线误差在±2mm 以内,就近两点在±1mm 以内。 签字栏 建设(监理)单位 施工单位 江苏省第一建筑安装工程有限公司 专业技术负责人 专业质检员 施测人 楼层标高抄测记录 编 号 0 0 2 工程名称 合肥深国投商业中心 日 期 2011-3-10 抄测部位 地下室 12~22 轴/A~R 轴 放线内容 墙、柱+0.500=-4.130m 抄测依据: 1.施工测量放线报验单001,首层±0.00m=15.200m; 2.地下室结构平面图(结施15); 抄测说明: 检查意见: 经查:墙、柱上所测+0.500m=15.700m,标高线误差在±2mm 以内,就近两点在±1mm 以内。 签字栏 建设(监理)单位 施工单位 江苏省第一建筑安装工程有限公司 专业技术负责人 专业质检员 施测人 楼层平面放线记录 编 号 0 0 2 工程名称 合肥深国投商业中心 日 期 2008-8-26 放线部位 地下室底板2~6 轴/E~J 轴 (5 区) 放线内容 墙、柱定位轴线、边线、1M控制线 放线依据:1.工程基线复核表001、003,桩心坐标点和甲方提供3 个控制点坐标。 2.施工测量放线报验单标高。 3.-0.05m 以下柱定位图(结施07、结施15 等) 放线简图: 检查意见: 2~6 边 ±1mm; E~J 边+2 mm; 角+2〃; 签字栏 建设(监理)单位 施工单位 江苏省第一建筑安装工程有限公司 专业技术负责人 专业质检员 施测人 楼层平面放线记录 编 号 0 0 3 工程名称 合肥深国投商业中心 日 期 2008-9-3...

1、当您付费下载文档后,您只拥有了使用权限,并不意味着购买了版权,文档只能用于自身使用,不得用于其他商业用途(如 [转卖]进行直接盈利或[编辑后售卖]进行间接盈利)。
2、本站所有内容均由合作方或网友上传,本站不对文档的完整性、权威性及其观点立场正确性做任何保证或承诺!文档内容仅供研究参考,付费前请自行鉴别。
3、如文档内容存在违规,或者侵犯商业秘密、侵犯著作权等,请点击“违规举报”。

碎片内容

楼层平面放线记录

小辰6+ 关注
实名认证
内容提供者

出售各种资料和文档

相关文档

确认删除?
VIP
微信客服
  • 扫码咨询
会员Q群
  • 会员专属群点击这里加入QQ群
客服邮箱
回到顶部