电脑桌面
添加小米粒文库到电脑桌面
安装后可以在桌面快捷访问

楼梯结构设计及计算

楼梯结构设计及计算_第1页
1/6
楼梯结构设计及计算_第2页
2/6
楼梯结构设计及计算_第3页
3/6
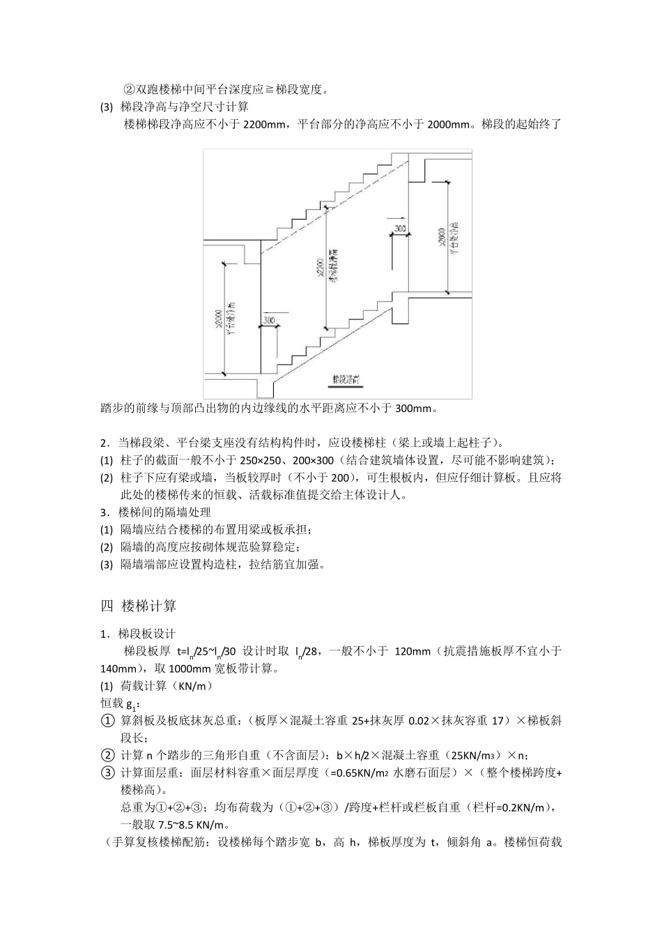
楼梯结构设计及计算 一 识别建筑题图 1.建筑楼梯平面图 (1) 楼梯的位置:根据楼梯的编号或轴线号查到本楼梯在建筑平面图的位置。 (2) 楼梯的尺寸(梯段板的踏步数、休息平台尺寸等)。 (3) 梯段板的走向(上、下)。 (4) 梯段板及平台板的板边。 (5) 隔墙的位置,隔墙的起止位置。 2.建筑楼梯剖面图 (1) 楼梯的竖向尺寸(梯段板的踏步数)。 (2) 竖向标高(楼层标高、休息平台标高)。 (3) 楼梯休息平台与楼层有关时,应有与楼层标高的相对尺寸。 3.面层做法(梯段的水平向、竖向) (1) 一般要根据建筑工程做法得出。a (2) 建筑剖面图(但画出的不一定准,应请建筑师确定)。 二 确定楼梯的结构方案 板式楼梯板厚,下表面平整美观。一般当楼梯使用荷载不大,且梯段的水平投影长度小于 4.5m 时,通常采用板式楼梯(在公共建筑中为了符合卫生和美观的要求大量采用板式楼梯)。但跨度较大仍采用板式楼梯则板要取得厚,自重大,绕度、裂缝不好控制,钢筋也配得多,不经济; 梁式的楼梯板薄,但下表面不平不美观。当使用荷载较大,且梯段的水平投影长度大于4.5m 或预制装配式楼梯,则宜采用梁式楼梯,但要满足净高要求。 1.板式楼梯 2.梁式楼梯 三 楼梯设计 1.确定梯段梁、平台梁的位置及截面 (1) 楼梯宽度 梯段净宽应根据使用过程中人流股数确定,一般按每股人流宽度为0.55+(0~0.15)m计算,并不应少于两股人流。 仅供单人通行的楼梯,其宽度必须满足担任携带物品通过的需要,其梯段净宽应不小于900m。 (2) 楼梯平台 包括楼层平台和中间平台两部分。 楼层平台:封闭楼梯和防火楼梯其楼层平台深度应与中间平台深度一致。 中间平台:其深度依下列情况确定: ①直跑楼梯中间平台深度应≧2b+h。 ②双跑楼梯中间平台深度应≧梯段宽度。 (3) 梯段净高与净空尺寸计算 楼梯梯段净高应不小于 2200mm,平台部分的净高应不小于 2000mm。梯段的起始终了踏步的前缘与顶部凸出物的内边缘线的水平距离应不小于 300mm。 2.当梯段梁、平台梁支座没有结构构件时,应设楼梯柱(梁上或墙上起柱子)。 (1) 柱子的截面一般不小于 250×250、200×300(结合建筑墙体设置,尽可能不影响建筑); (2) 柱子下应有梁或墙,当板较厚时(不小于 200),可生根板内,但应仔细计算板。且应将此处的楼梯传来的恒载、活载标准值提交给主体设计人。 3.楼梯间的隔墙处理 (1) 隔墙应结合楼梯的布置用梁或板承担; (2...

1、当您付费下载文档后,您只拥有了使用权限,并不意味着购买了版权,文档只能用于自身使用,不得用于其他商业用途(如 [转卖]进行直接盈利或[编辑后售卖]进行间接盈利)。
2、本站所有内容均由合作方或网友上传,本站不对文档的完整性、权威性及其观点立场正确性做任何保证或承诺!文档内容仅供研究参考,付费前请自行鉴别。
3、如文档内容存在违规,或者侵犯商业秘密、侵犯著作权等,请点击“违规举报”。

碎片内容

楼梯结构设计及计算

小辰8+ 关注
实名认证
内容提供者

出售各种资料和文档

确认删除?
VIP
微信客服
  • 扫码咨询
会员Q群
  • 会员专属群点击这里加入QQ群
客服邮箱
回到顶部