电脑桌面
添加小米粒文库到电脑桌面
安装后可以在桌面快捷访问

楼梯计算书2

楼梯计算书2_第1页
1/23
楼梯计算书2_第2页
2/23
楼梯计算书2_第3页
3/23
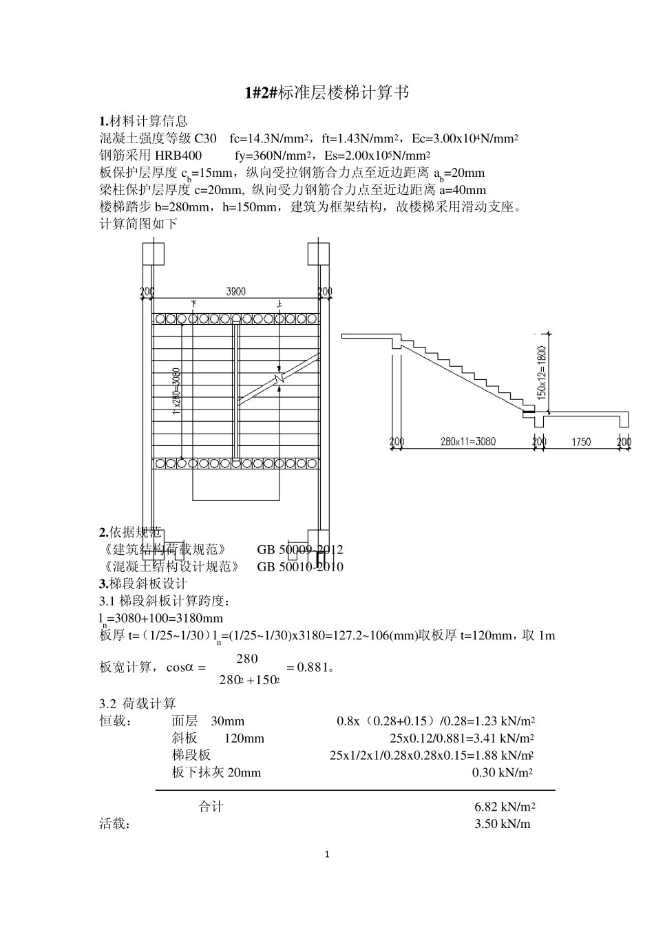
1 1 #2 #标准层楼梯计算书 1 .材料计算信息 混凝土强度等级C30 fc=14.3N/mm2,ft=1.43N/mm2,Ec=3.00x104N/mm2 钢筋采用HRB400 fy=360N/mm2,Es=2.00x105N/mm2 板保护层厚度cb=15mm,纵向受拉钢筋合力点至近边距离ab=20mm 梁柱保护层厚度c=20mm, 纵向受力钢筋合力点至近边距离a=40mm 楼梯踏步b=280mm,h=150mm,建筑为框架结构,故楼梯采用滑动支座。 计算简图如下 2 .依据规范 《建筑结构荷载规范》 GB 50009-2012 《混凝土结构设计规范》 GB 50010-2010 3 .梯段斜板设计 3.1 梯段斜板计算跨度: ln=3080+100=3180mm 板厚t=(1/25~1/30)ln=(1/25~1/30)x3180=127.2~106(mm)取板厚t=120mm,取 1m板宽计算,881.0150280280cos22。 3.2 荷载计算 恒载: 面层 30mm 0.8x(0.28+0.15)/0.28=1.23 kN/m2 斜板 120mm 25x0.12/0.881=3.41 kN/m2 梯段板 25x1/2x1/0.28x0.28x0.15=1.88 kN/m2 板下抹灰 20mm 0.30 kN/m2 合计 6.82 kN/m2 活载: 3.50 kN/m 2 荷载设计值: 1.2x6.82+1.4x3.5=13.08kN/m2 取荷载设计值为13.08kN/m2 3.3 截面设计 梯段板跨中最大弯矩: M=1/8x13.08x3.182=16.53kN.m h0=120-20=100mm 26026201490100938.03601053.16938.0)211(5.0124.0211116.010010003.1411053.16mmhfMAbhfMsysssscs计算受拉钢筋面积计算相对受压区高度确定计算系数 选配 10@140,(As=560mm2),分布钢筋选Φ 8@200。 验算使用条件: (1)b  (2)%179.036043.14545%56.01001000560minytff,同时大于 0.2%,满足要求。 3.4 裂缝宽度验算 计算参数: 0.19.1,20icr粘结特征系数,采用的是带肋钢筋,构件受力特征数mmcs 荷载标准组合下弯矩最大值 mkNM.04.1318.3)5.382.6(812k 1m 宽板的钢筋数量 n=1000/140=7.1 mm10100.11.7101.7dndnd3-2.1.72iii2iieq 小直径)受拉区纵向钢筋的等根据《混规》( 260/7.26756010087.01004.1387.0-mmNAhMsksk钢筋应力作用下,构件纵向受拉标准组合计算按荷载效应)37.1.4根据《混规》( 3 根据《混规》(7.1.2-4)计算按有效受拉混凝土截面面积计算的纵向受拉钢筋配筋率 01.012010005.05605.0bhAAAsteste 根据《混规》(7.1.2-2)裂缝间纵向受拉钢筋应变不均匀系数 753...

1、当您付费下载文档后,您只拥有了使用权限,并不意味着购买了版权,文档只能用于自身使用,不得用于其他商业用途(如 [转卖]进行直接盈利或[编辑后售卖]进行间接盈利)。
2、本站所有内容均由合作方或网友上传,本站不对文档的完整性、权威性及其观点立场正确性做任何保证或承诺!文档内容仅供研究参考,付费前请自行鉴别。
3、如文档内容存在违规,或者侵犯商业秘密、侵犯著作权等,请点击“违规举报”。

碎片内容

楼梯计算书2

您可能关注的文档

小辰2+ 关注
实名认证
内容提供者

出售各种资料和文档

相关标签

确认删除?
VIP
微信客服
  • 扫码咨询
会员Q群
  • 会员专属群点击这里加入QQ群
客服邮箱
回到顶部