电脑桌面
添加小米粒文库到电脑桌面
安装后可以在桌面快捷访问

模板快拆体系施工工法

模板快拆体系施工工法_第1页
1/11
模板快拆体系施工工法_第2页
2/11
模板快拆体系施工工法_第3页
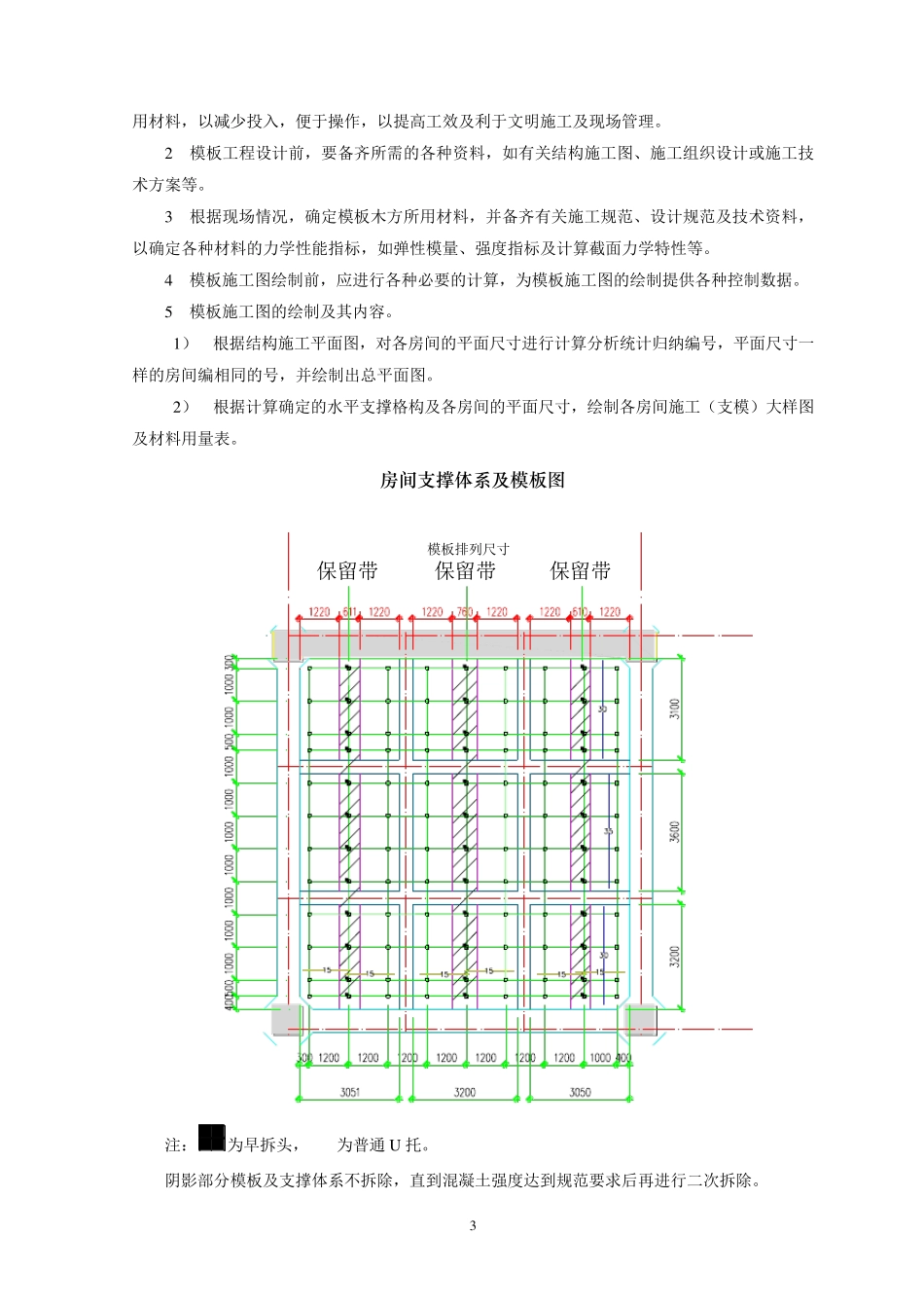
3/11
1 模板快拆体系施工工法 1 前言 国标《混凝土结构工程施工及验收规范》GB 50204—2002 规定,现浇结构的模板及其支架拆除时的混凝土强度应符合设计要求;如设计无要求时,应符合下列规定:板底模、模板跨度≤2.0m时,混凝土强度达到设计强度的 50%时方可拆模;跨度在 2.0m~8.0m 时,混凝土强度达到设计强度的 75%时方可拆模;对于梁,拱壳跨度≤8.0m 时,混凝土强度达到设计强度的 75%、跨度大于 8.0m 时,混凝土强度达到设计强度的 100%时方可拆模。这就说明,结构梁、板跨度的大小,对结构梁、板的内应力大小有直接的影响。为此,如果将梁、板和拱的跨度减小,其结构内应力亦相应减小,则拆模时混凝土强度可以降低,再根据混凝土早期强度增长快的规律,拆模时间可以提前。从而最终实现节能、增效的目的。 2 工法特点 2 .0 .1 施工过程规范化。模板早拆支架杆件构造尺寸及结点连结方式规范化,减少了搭设时的随意性,避免了出现不稳定结构和结点可变状态的可能性。 2 .0 .2 材料周转快,投资少,见效快,经济效益显著。 2 .0 .3 支拆快捷,工作效率高。模板早拆支架构造简单、操作方便、灵活、施工工艺容 易 掌 握 ,支拆快捷,缩 短 施工工期。 2 .0 .4 利 于文 明施工及现场 管 理 。模板支架整 齐 、规范,立 、横 杆用 量 少,有利 于文 明施工及现场 管 理 。 2 .0 .5 有利 于环 境 保 护 ,社 会 效益良 好 。模板材料用 量 减少,减少了树 木 、竹 林 的砍 伐 ,有利 于绿 色 植 被 的保 护 ;同 时,运 输 量 的减少,工人 劳 动 强度的减轻 及有利 于施工现场 的管 理 等 ,使 之产 生 了良 好 的社 会 效益。 2.0.6 功 能多 ,适 应能力强。 3 适用范围 3 .0 .1 适 用 于住 宅 、公 共 建 筑 及工业 厂 房 楼 板、梁;桥 梁、涵 等 工程的模板支撑 体系。 3 .0 .2 适 用 于标准 层 或 标准 房 间较 多 的多 层 、高层 、超 高层 建 筑 的模板支撑 体系。 3 .0 .3 适 用 于单层 面 积 较 大,模板支撑 体系不易 周转的建 筑 物 楼 板支撑 体系。 2 3 .0 .4 适 用 于 框 架 结 构 、 剪 力 墙 结 构 、 框 架 剪 力 墙 结 构 等 多 种 类 型 的 建 筑 物 楼 板 支 撑 体 系 , 尤 其是 跨 度 较 大 的...

1、当您付费下载文档后,您只拥有了使用权限,并不意味着购买了版权,文档只能用于自身使用,不得用于其他商业用途(如 [转卖]进行直接盈利或[编辑后售卖]进行间接盈利)。
2、本站所有内容均由合作方或网友上传,本站不对文档的完整性、权威性及其观点立场正确性做任何保证或承诺!文档内容仅供研究参考,付费前请自行鉴别。
3、如文档内容存在违规,或者侵犯商业秘密、侵犯著作权等,请点击“违规举报”。

碎片内容

模板快拆体系施工工法

小辰6+ 关注
实名认证
内容提供者

出售各种资料和文档

确认删除?
VIP
微信客服
  • 扫码咨询
会员Q群
  • 会员专属群点击这里加入QQ群
客服邮箱
回到顶部