电脑桌面
添加小米粒文库到电脑桌面
安装后可以在桌面快捷访问

模板支撑计算

模板支撑计算_第1页
1/20
模板支撑计算_第2页
2/20
模板支撑计算_第3页
3/20
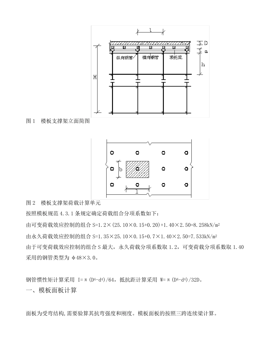
濮阳宏业生物质热电 2000m2冷却塔 扣件钢管楼板模板支架计算书 编 制 人: 审 核 人: 批 准 人: 日 期: 编制单位 :嘉泰建设发展有限公司 扣件钢管楼板模板支架计算书 依据规范: 《建筑施工模板安全技术规范》JGJ 162-2008 《建筑结构荷载规范》GB50009-2012 《钢结构设计规范》GB50017-2003 《混凝土结构设计规范》GB50010-2010 《建筑地基基础设计规范》GB50007-2011 《建筑施工木脚手架安全技术规范》JGJ 164-2008 计算参数: 钢管强度为205.0 N/mm2,钢管强度折减系数取1.00。 模板支架搭设高度为8.8m, 立杆的纵距 b=0.90m,立杆的横距 l=0.90m,立杆的步距 h=1.50m。 面板厚度18mm,剪切强度1.4N/mm2,抗弯强度15.0N/mm2,弹性模量6000.0N/mm2。 木方50×80mm,间距300mm, 木方剪切强度1.3N/mm2,抗弯强度15.0N/mm2,弹性模量9000.0N/mm2。 梁顶托采用 100×100mm 木方。 模板自重 0.20kN/m2,混凝土钢筋自重 25.10kN/m3。 倾倒混凝土荷载标准值 0.00kN/m2,施工均布荷载标准值 2.50kN/m2。 扣件计算折减系数取1.00。 图1 楼板支撑架立面简图 图2 楼板支撑架荷载计算单元 按照模板规范4.3.1 条规定确定荷载组合分项系数如下: 由可变荷载效应控制的组合S=1.2×(25.10×0.15+0.20)+1.40×2.50=8.258kN/m2 由永久荷载效应控制的组合S=1.35×25.10×0.15+0.7×1.40×2.50=7.533kN/m2 由于可变荷载效应控制的组合S 最大,永久荷载分项系数取 1.2,可变荷载分项系数取 1.40 采用的钢管类型为 φ48×3.0。 钢管惯性矩计算采用 I=π(D4-d4)/64,抵抗距计算采用 W=π(D4-d4)/32D。 一、模板面板计算 面板为受弯结构,需要验算其抗弯强度和刚度。模板面板的按照三跨连续梁计算。 考虑0.9的结构重要系数,静荷载标准值 q1 = 0.9×(25.100×0.150×0.900+0.200×0.900)=3.212kN/m 考虑0.9 的结构重要系数,活荷载标准值 q2 = 0.9×(0.000+2.500)×0.900=2.025kN/m 面板的截面惯性矩 I 和截面抵抗矩 W 分别为: 本算例中,截面惯性矩 I 和截面抵抗矩 W 分别为: 截面抵抗矩 W = bh2/6 = 90.00×1.80×1.80/6 = 48.60cm3; 截面惯性矩 I = bh3/12 = 90.00×1.80×1.80×1.80/12 = 43.74cm 4; 式中:b 为板截面宽度,h 为板截面高度。 (1)抗弯强度计算 f = M / W < [f] 其中 f —— 面板的抗弯强度计算值(N/mm2); M —— 面板...

1、当您付费下载文档后,您只拥有了使用权限,并不意味着购买了版权,文档只能用于自身使用,不得用于其他商业用途(如 [转卖]进行直接盈利或[编辑后售卖]进行间接盈利)。
2、本站所有内容均由合作方或网友上传,本站不对文档的完整性、权威性及其观点立场正确性做任何保证或承诺!文档内容仅供研究参考,付费前请自行鉴别。
3、如文档内容存在违规,或者侵犯商业秘密、侵犯著作权等,请点击“违规举报”。

碎片内容

模板支撑计算

您可能关注的文档

确认删除?
VIP
微信客服
  • 扫码咨询
会员Q群
  • 会员专属群点击这里加入QQ群
客服邮箱
回到顶部