电脑桌面
添加小米粒文库到电脑桌面
安装后可以在桌面快捷访问

横向分布系数计算(多种方法计算)

横向分布系数计算(多种方法计算)_第1页
1/11
横向分布系数计算(多种方法计算)_第2页
2/11
横向分布系数计算(多种方法计算)_第3页
3/11
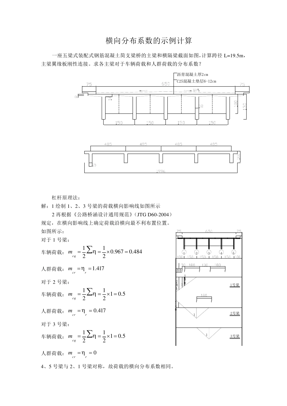
C25混凝土垫层6-12cm沥青混凝土厚2cm横向分布系数的示例计算 一座五梁式装配式钢筋混凝土简支梁桥的主梁和横隔梁截面如图,计算跨径L=19.5m ,主梁翼缘板刚性连接。求各主梁对于车辆荷载和人群荷载的分布系数? 杠杆原理法: 解:1 绘制1、2、3 号梁的荷载横向影响线如图所示 2 再根据《公路桥涵设计通用规范》(JTG D60-2004) 规定,在横向影响线上确定荷载沿横向最不利布置位置。 如图所示: 对于1 号梁: 车辆荷载:484.0967.02121 cqm 人群荷载:417.1rcrm 对于2 号梁: 车辆荷载:5.012121 cqm 人群荷载:417.0rcrm 对于3 号梁: 车辆荷载:5.012121 cqm 人群荷载:0rcrm 4、5 号梁与 2、1 号梁对称,故荷载的横向分布系数相同。 123451号梁2号梁1.4173号梁1 0.96710.4171偏心压力法 (一)假设:荷载位于1 号梁 1 长宽比为26.25.155.19bl,故可按偏心压力法来绘制横向影响线并计算横向分布系数cm 。 本桥的各根主梁的横截面积均相等,梁数为5,梁的间距为1.5m,则: 5.220)5.11(2)5.12(2222524232221512aaaaaaii 2 所以 1 号5 号梁的影响线竖标值为: 6.0122111iaan 2.0122115iaan 由11 和15 绘制荷载作用在 1 号梁上的影响线如上图所示,图中根据《公路桥涵设计通用规范》(JTG D60-2004)规定,在横向影响线上确定荷载沿横向最不利布置位置。 进而由11 和15 绘制的影响线计算0 点得位置,设0 点距离 1 号梁的距离为x,则: 4502.015046.0xxx 0 点已知,可求各类荷载相应于各个荷载位置的横向影响线竖标值 3 计算荷载的横向分布系数 车辆荷载:533.0060.0180.0353.0593.02121 cqm 人群荷载:683.0rcrm (二)当荷载位于2 号梁时 与荷载作用在 1 号梁的区别以下: 4.0122112iaaan 0.6830.6330.6000.5930.3530.180-0.060-0.2000122552iaaan 其他步骤同荷载作用在1 号梁时的计算 修正偏心压力法 (一)假设:荷载位于1 号梁 1 计算I 和TI : 2.3813018)2814(150)18150()2814(1301821)(2122221chbdcbdchy 8.912.3813012yyy 43333313132106543)112.38)(18150(2.381508.911831))((31cmdycbbycyI...

1、当您付费下载文档后,您只拥有了使用权限,并不意味着购买了版权,文档只能用于自身使用,不得用于其他商业用途(如 [转卖]进行直接盈利或[编辑后售卖]进行间接盈利)。
2、本站所有内容均由合作方或网友上传,本站不对文档的完整性、权威性及其观点立场正确性做任何保证或承诺!文档内容仅供研究参考,付费前请自行鉴别。
3、如文档内容存在违规,或者侵犯商业秘密、侵犯著作权等,请点击“违规举报”。

碎片内容

横向分布系数计算(多种方法计算)

小辰9+ 关注
实名认证
内容提供者

出售各种资料和文档

确认删除?
VIP
微信客服
  • 扫码咨询
会员Q群
  • 会员专属群点击这里加入QQ群
客服邮箱
回到顶部