电脑桌面
添加小米粒文库到电脑桌面
安装后可以在桌面快捷访问

比较全的2013定额管道管件定额消耗量

比较全的2013定额管道管件定额消耗量_第1页
1/10
比较全的2013定额管道管件定额消耗量_第2页
2/10
比较全的2013定额管道管件定额消耗量_第3页
3/10
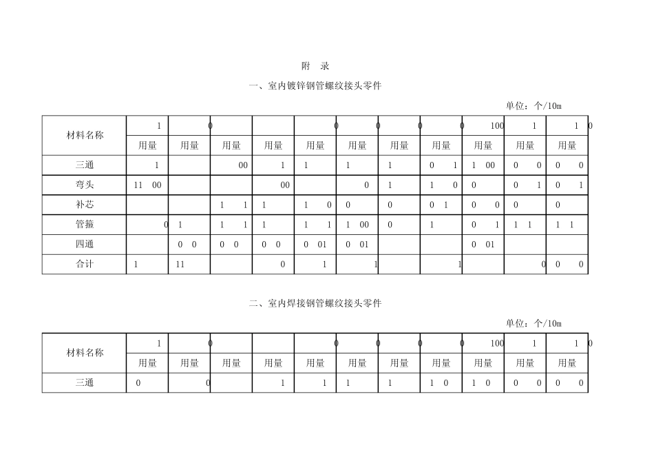
单位:个/10mDN15DN20DN25 DN32 DN40DN50DN70DN80 DN100DN125DN150用量用量用量用量用量用量用量用量用量用量用量3.173.82 3.002.191.371.851.620.711.000.400.4011.003.46 3.82 3.002.77 3.061.671.500.660.510.51-2.77 1.511.281.400.590.370.160.200.250.252.201.421.411.541.611.000.591.540.811.141.14-0.050.040.020.010.01--0.01--16.3711.52 9.78 8.037.166.514.25 3.912.68 2.300.30单位:个/10mDN15DN20DN25 DN32 DN40DN50DN70DN80 DN100DN125DN150用量用量用量用量用量用量用量用量用量用量用量0.832.503.29 3.142.141.581.631.081.020.700.70管箍四通合计补芯三通一、室内镀锌钢管螺纹接头零件材料名称三通弯头二、室内焊接钢管螺纹接头零件材料名称附 录3.203.002.64 2.412.64 2.85 1.260.981.200.800.80-0.832.46 2.020.960.590.580.450.330.200.20-0.140.340.630.430.16-----6.404.903.39 1.911.671.030.881.030.950.900.906.26 4.76 2.95 0.77-------0.270.060.07--------16.9616.19 15.14 10.88 7.84 6.214.35 3.54 3.502.602.60单位:10m1520253240507080100125150三通个3.173.87 3.042.211.381.861.620.711.010.400.40弯头个11.003.46 3.82 3.002.77 3.061.671.500.660.510.51直接头个2.204.192.92 2.82 3.011.590.961.701.011.391.39合计个16.3711.52 9.87 8.037.166.514.25 3.912.68 2.302.30单位公称直径(mm)三、塑料给水管接头零件含量表补芯管件名称四通管箍弯头根母合计丝堵单位:个/10m单位:个/10m四通接轮扫除口异径管三通弯头DN50用量DN150用量材料名称四、室内承插塑料排水管接头零件5.55-20.211.153.45-0.119.02伸缩节1.3610.76DN150用量用量1.330.111.440.100.4111.380.140.416.98DN100用量4.484.140.251.040.810.25DN75用量1.931.590.132.862.720.17DN200用量DN250用量DN100DN300用量材料名称五、室内承插铸铁雨水管接头零件单位:个/10mDN300用量0.701.700.301.404.101.550.060.510.212.000.600.164.161.504.931.380.890.050.230.111.501.300.894.081.300.890.050.230.11异径管接头合计0.050.230.111.000.970.250.25-3.58三通弯头雨水斗扫除口2.003.63材料名称三通DN75用量0.202.00-0.903.10弯头异径管接轮合计3.60DN150用量0.701.700.301.404.10DN100用量DN200用量0.701.700.101.000.302.200.301.404.10DN250用量0.701.700.301.404.10六、室内承插铸铁给水管接头零...

1、当您付费下载文档后,您只拥有了使用权限,并不意味着购买了版权,文档只能用于自身使用,不得用于其他商业用途(如 [转卖]进行直接盈利或[编辑后售卖]进行间接盈利)。
2、本站所有内容均由合作方或网友上传,本站不对文档的完整性、权威性及其观点立场正确性做任何保证或承诺!文档内容仅供研究参考,付费前请自行鉴别。
3、如文档内容存在违规,或者侵犯商业秘密、侵犯著作权等,请点击“违规举报”。

碎片内容

比较全的2013定额管道管件定额消耗量

小辰3+ 关注
实名认证
内容提供者

出售各种资料和文档

确认删除?
VIP
微信客服
  • 扫码咨询
会员Q群
  • 会员专属群点击这里加入QQ群
客服邮箱
回到顶部