电脑桌面
添加小米粒文库到电脑桌面
安装后可以在桌面快捷访问

水利工程单位工程外观质量评定标准报备(枢纽工程)

水利工程单位工程外观质量评定标准报备(枢纽工程)_第1页
1/6
水利工程单位工程外观质量评定标准报备(枢纽工程)_第2页
2/6
水利工程单位工程外观质量评定标准报备(枢纽工程)_第3页
3/6
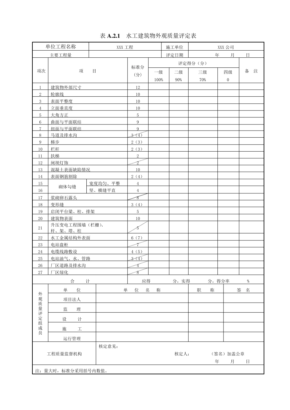
单位工程外观质量评定标准及标准分报审表 (XXX[2020]外观报审 号) 合同名称:XXXX 工程施工 合同编号:xxx-2020-00-02 致:XXX 项目施工监理部 根据设计图纸和《水利水电建设工程验收规程》(SL233-2008)、《水利水电工程施工质量检验与评定规程》(SL176-2007)、《水利水电工程单元工程施工质量验收评定规程》(SL631~634-2012)规定,经与相关单位研究,建议 XXXX 工程 的单位外观质量评定标准及标准分按附表设定进行评定,请审定。 承 包 人:XXXX 工程项目经理部 项目经理: 日 期: 年 月 日 监理机构意见: 监理机构: XXXX 工程两宗建设项目施工监理部 监理工程师: 日 期: 年 月 日 发包人意见: 发 包 人:XXX 建设管理中心 负 责 人: 日 期: 年 月 日 说明:本表一式 3 份,由承包人填写。相关单位审签后,返还承包人 1 份,其余各方各 1 份。 X X X 工程外观质量评定标准 1、 工 程 概 况 : 2020 年 X 月 X 日 工 程 由 XXX 局 以 《 关 于 XX 工 程 初 步 设 计 的 批 复 》( XX〔 2020〕 XX 号 ) 批 复 立 项 ,建 设 内 容 主 要 为 : 对 主 、 副 坝 进 行 防 渗 及 加 固 , 重 建 或 加 固 主 副 坝 输 水 涵 管 、 放 水 塔 及 交 通 桥 , 加 固 溢洪 道 , 修 整 防 汛 道 路 , 配 套 管 理 用 房 及 管 理 设 施 , 工 程 概 算 总 投 资 为 XXX 万 元 。 2、 基 本 规 定 附 录 中 的 外 观 质 量 评 定 表 列 出 的 某 些 项 目 , 如 实 际 工 程 中 无 该 项 内 容 , 应 在 相 应 检 查 、 检 测 栏 内用 斜 线 “ / ” 表 示 ; 工 程 有 附 录 中 未 列 出 的 外 观 质 量 项 目 时 , 应 根 据 工 程 情 况 和 有 关 技 术 标 准 补 充 。 ( 1) 检 查 、 检 测 项 目 经 外 观 质 量 评 定 组全面检 查 后, 抽测 25%, 且各项 不少于 10 点。 ( 2) 各项 目 工 程 外 观 质 量 分为 四级, 各级标 准 得分见下表 A1。 表 1 外 观 质 量 等级与标 准 得分 评 定 等级 检 测 项 目 测 点合格率( %) 各项 评 定 得分 一级 100 该 项 标 准 ...

1、当您付费下载文档后,您只拥有了使用权限,并不意味着购买了版权,文档只能用于自身使用,不得用于其他商业用途(如 [转卖]进行直接盈利或[编辑后售卖]进行间接盈利)。
2、本站所有内容均由合作方或网友上传,本站不对文档的完整性、权威性及其观点立场正确性做任何保证或承诺!文档内容仅供研究参考,付费前请自行鉴别。
3、如文档内容存在违规,或者侵犯商业秘密、侵犯著作权等,请点击“违规举报”。

碎片内容

水利工程单位工程外观质量评定标准报备(枢纽工程)

您可能关注的文档

小辰9+ 关注
实名认证
内容提供者

出售各种资料和文档

确认删除?
VIP
微信客服
  • 扫码咨询
会员Q群
  • 会员专属群点击这里加入QQ群
客服邮箱
回到顶部