电脑桌面
添加小米粒文库到电脑桌面
安装后可以在桌面快捷访问

水泥净浆强度报告

水泥净浆强度报告_第1页
1/86
水泥净浆强度报告_第2页
2/86
水泥净浆强度报告_第3页
3/86
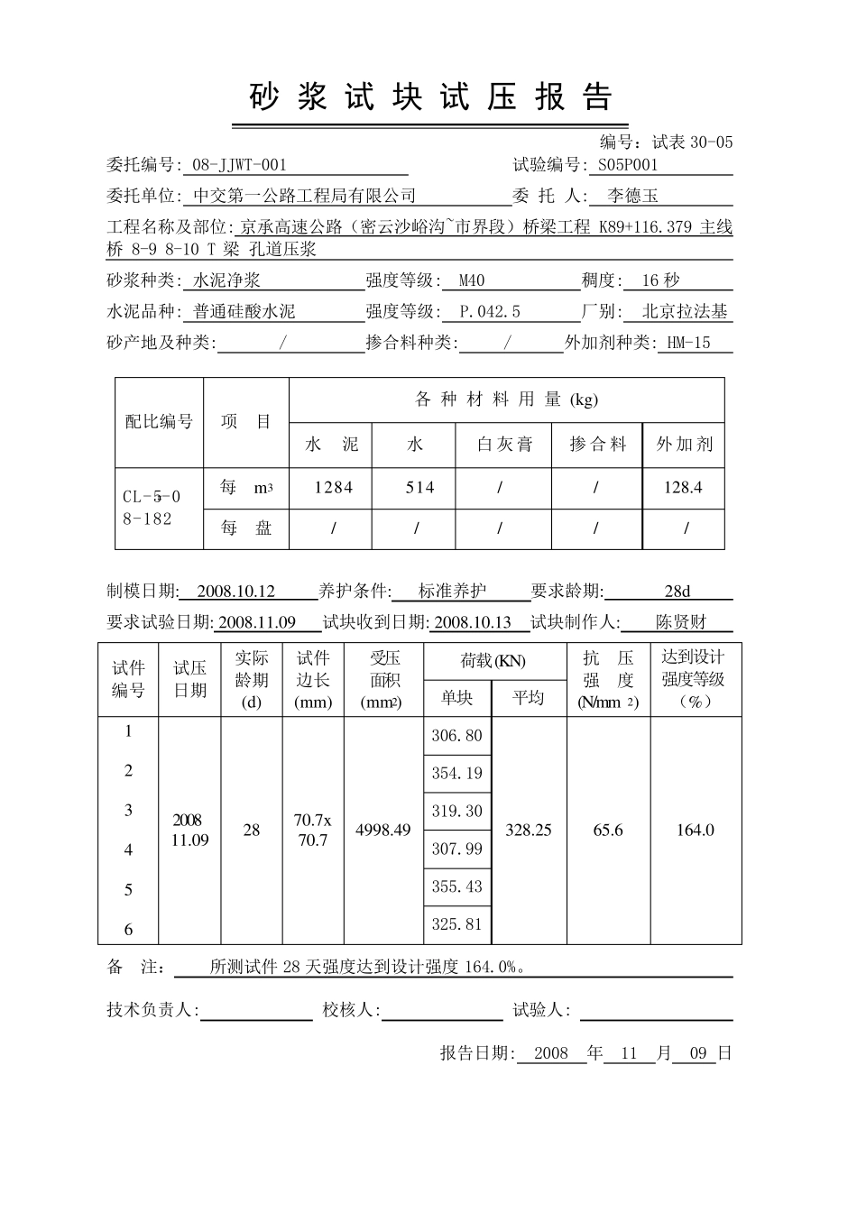
砂 浆 试 块 试 压 报 告 编 号 : 试 表 30-05 委 托 编 号 : 08-JJWT-001 试 验 编 号 : S05P001 委 托 单 位 : 中 交 第 一 公 路 工 程 局 有 限 公 司 委 托 人 : 李 德 玉 工 程 名 称 及 部 位 : 京 承 高 速 公 路 ( 密 云 沙 峪 沟 ~市 界 段 ) 桥 梁 工 程 K89+116.379 主 线桥 8-9 8-10 T 梁 孔 道 压 浆 砂 浆 种 类 : 水 泥 净 浆 强 度 等 级 : M40 稠 度 : 16 秒 水 泥 品 种 : 普 通 硅 酸 水 泥 强 度 等 级 : P.042.5 厂 别 : 北 京 拉 法 基 砂 产 地 及 种 类 : / 掺 合 料 种 类 : / 外 加 剂 种 类 : HM-15 配 比 编 号 项 目 各 种 材 料 用 量 (kg) 水 泥 水 白 灰 膏 掺 合 料 外 加 剂 CL-5#-0 8-182 每 m3 1284 514 / / 128.4 每 盘 / / / / / 制 模 日 期 : 2008.10.12 养 护 条 件 : 标 准 养 护 要 求 龄 期 : 28d 要 求 试 验 日 期 : 2008.11.09 试 块 收 到 日 期 : 2008.10.13 试 块 制 作 人 : 陈 贤 财 试 件 编 号 试 压 日 期 实 际 龄 期 (d) 试 件 边 长 (mm) 受 压 面 积 (mm2) 荷 载 (KN) 抗 压 强 度(N/mm 2) 达 到 设 计强 度 等 级 ( %) 单 块 平均 1 2 3 4 5 6 2008 11.09 28 70.7x70.7 4998.49 306.80 328.25 65.6 164.0 354.19 319.30 307.99 355.43 325.81 备 注: 所测试 件 28 天强 度 达 到 设 计强 度164.0%。 技术负责人 : 校核人 : 试 验 人 : 报告日 期 : 2008 年 11 月 09 日 砂 浆 试 块 试 压 报 告 编 号 : 试 表 30-05 委 托 编 号 : 08-JJWT-001 试 验 编 号 : S05P002 委 托 单 位 : 中 交 第 一 公 路 工 程 局 有 限 公 司 委 托 人 : 李 德 玉 工 程 名 称 及 部 位 : 京 承 高 速 公 路 ( 密 云 沙 峪 沟 ~市 界 段 ) 桥 梁 工 程 K89+116.379 主 线桥 8-9 8-10 T 梁 孔 道 压 浆 砂 浆 种 类 : 水 泥 净 浆 强 度 等 级 : M40 稠 度 : 16 秒 水 泥 品 种 : 普 通 硅 酸 水 泥 ...

1、当您付费下载文档后,您只拥有了使用权限,并不意味着购买了版权,文档只能用于自身使用,不得用于其他商业用途(如 [转卖]进行直接盈利或[编辑后售卖]进行间接盈利)。
2、本站所有内容均由合作方或网友上传,本站不对文档的完整性、权威性及其观点立场正确性做任何保证或承诺!文档内容仅供研究参考,付费前请自行鉴别。
3、如文档内容存在违规,或者侵犯商业秘密、侵犯著作权等,请点击“违规举报”。

碎片内容

水泥净浆强度报告

确认删除?
VIP
微信客服
  • 扫码咨询
会员Q群
  • 会员专属群点击这里加入QQ群
客服邮箱
回到顶部