电脑桌面
添加小米粒文库到电脑桌面
安装后可以在桌面快捷访问

水泵自动供水电路

水泵自动供水电路_第1页
1/20
水泵自动供水电路_第2页
2/20
水泵自动供水电路_第3页
3/20
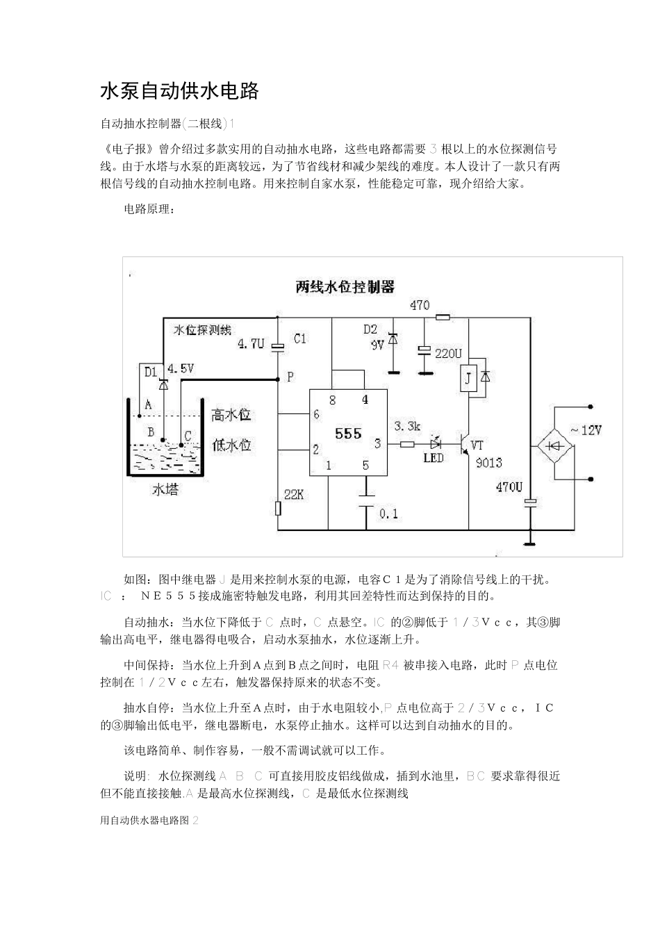
水泵自动供水电路 自动抽水控制器(二根线)1 《电子报》曾介绍过多款实用的自动抽水电路,这些电路都需要3 根以上的水位探测信号线。由于水塔与水泵的距离较远,为了节省线材和减少架线的难度。本人设计了一款只有两根信号线的自动抽水控制电路。用来控制自家水泵,性能稳定可靠,现介绍给大家。 电路原理: 如图:图中继电器J 是用来控制水泵的电源,电容C1是为了消除信号线上的干扰。 IC : NE555接成施密特触发电路,利用其回差特性而达到保持的目的。 自动抽水:当水位下降低于C 点时,C 点悬空。IC 的②脚低于1/3Vcc,其③脚输出高电平,继电器得电吸合,启动水泵抽水,水位逐渐上升。 中间保持:当水位上升到A点到B点之间时,电阻R 4 被串接入电路,此时P 点电位控制在1/2Vcc左右,触发器保持原来的状态不变。 抽水自停:当水位上升至A点时,由于水电阻较小,P 点电位高于2/3Vcc,IC的③脚输出低电平,继电器断电,水泵停止 抽水。这样 可以达到自动抽水的目的。 该 电路简 单 、 制作 容易 ,一般 不需调 试 就 可以工 作 。 说 明 : 水位探测线A B C 可直 接用胶 皮 铝 线做 成,插 到水池 里 ,BC 要求 靠得很 近但 不能直 接接触.A 是最 高水位探测线,C 是最 低水位探测线 用自动供 水器电路图2 本例介绍的农用自动供水器,可用于对三相(采用交流380V 电压)水泵和单相(采用交流220V 电压)水泵的自动控制,实现无人值守自动抽水。 电路工作原理 该农用自动供水器电路由电源电路、水位检测电路和控制执行电路组成,如图 1 所示。 图 2 水泵自动供水器电路 电源电路由电源变压器T、整流二极管 VD1~VD4 和滤波电容器C 组成。 水位检测电路由高水位电极 A、低水位电极 B 和主电极 C 组成。 控制执行电路由继电器K、控制晶体管 V 和交流接触器KM 等元件组成。 交流220Y 电压经 T 降压、VD1~VD4 整流和C 滤波后,产生直流12V 电压,供给控制执行电路。 在水塔内无水或水位低于低水位电极 B 时,控制管 V 因基极电位与发射极电位相同而处于截止状态,继电器K 不动作,其常开触点 K2 断开,常闭触点 K1 接通,交流接触器KM 通电吸合,使三相水泵电动机 M1 通电运转,水泵开始抽水。 当水塔内水位到达高水位电极 A 处时,+12V 电压经电阻器R1、高水位电极 A、水的导电电阻和主电极 C 加至 V 的...

1、当您付费下载文档后,您只拥有了使用权限,并不意味着购买了版权,文档只能用于自身使用,不得用于其他商业用途(如 [转卖]进行直接盈利或[编辑后售卖]进行间接盈利)。
2、本站所有内容均由合作方或网友上传,本站不对文档的完整性、权威性及其观点立场正确性做任何保证或承诺!文档内容仅供研究参考,付费前请自行鉴别。
3、如文档内容存在违规,或者侵犯商业秘密、侵犯著作权等,请点击“违规举报”。

碎片内容

水泵自动供水电路

小辰+ 关注
实名认证
内容提供者

出售各种文档和资料

确认删除?
VIP
微信客服
  • 扫码咨询
会员Q群
  • 会员专属群点击这里加入QQ群
客服邮箱
回到顶部