电脑桌面
添加小米粒文库到电脑桌面
安装后可以在桌面快捷访问

水泵采购技术要求

水泵采购技术要求_第1页
1/7
水泵采购技术要求_第2页
2/7
水泵采购技术要求_第3页
3/7
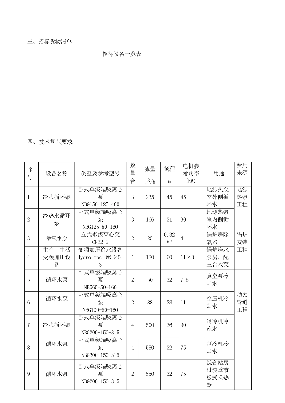
水泵采购技术要求 一、招标内容: 1.1 招标内容、数量: 产及生活水泵 25 台 1.2 供货地点为: 1.3 交货期: 年 月 日交货。 1.4 质量要求:合格。 二、投标人资格要求: 2.1 投标申请人必须具备独立法人资格,有国家质量监督检验检疫总局颁发有效的《全国工业产品生产许可证》。 2.2 本项目只允许设备制造商或经法人授权的代理商投标,不允许分包、转包、联合体投标。 2.3 拒绝列入政府不良行为记录期间的企业或个人投标。 2.4 具体要求详见招标文件。 三、招标货物清单 招标设备一览表 四、技术规范要求 序号 设备名称 类型及参考型号 数量 流量 扬程 电机参考功率 (KW) 用途 费用来源 台 m3/h m 1 冷水循环泵 卧式单级端吸离心泵 NBG150-125-400 3 235 45 45 地源热泵室外侧循环水 地源热泵工程 2 冷热水循环泵 卧式单级端吸离心泵 NBG125-80-160 3 166 31 30 地源热泵室内侧循环水 3 除氧水泵 立式多级离心泵 CR32-2 2 25 0.32MP 4 锅炉房除氧器 锅炉安装工程 4 生产,生活变频加压设备 变频加压给水设备 Hydro-mpc 3*CR45-3 1 120 60 11×3 锅炉房水泵房,配三台水泵 5 循环水泵 卧式单级端吸离心泵 NBG65-50-160 2 50 32 7.5 真空泵冷却水 动力管道工程 6 循环水泵 卧式单级端吸离心泵 NBG100-80-160 2 88 28 11 空压机冷却水 7 冷水循环泵 卧式单级端吸离心泵 NBG200-150-315 4 500 36 90 制冷机冷冻水 8 循环水泵 卧式单级端吸离心泵 NBG200-150-315 4 550 32 75 制冷机冷却水 9 循环水泵 卧式单级端吸离心泵 NBG200-150-315 2 550 32 75 综合站房过渡季节板式换热器 4.1 投标人所提供的设备应依据下列标准进行设计、制造、安装和检测: 4.1.1《离心泵的技术规范.2 类》ISO 5199-2002 4.1.2《端吸离心泵.机械密封和软密封空腔的尺寸》ISO 3069-2000; 4.1.3《离心泵.水平板设计》ANSI/HI 1.3.4-1997; 4.1.4《离心泵的技术规范.类别III》ISO 9908-1993; 4.1.5《离心泵的技术规范.1 类》ISO 9905-1994; 4.1.6 其他有关的现行国际或国家标准规范。 以上标准如与国际或国家最近所执行的标准不一致时,应执行较高的标准。 4.2 如国家有新的标准或技术规范,按新的标准执行。 4.3 除上述明确列出的标准或技术规范外,其它现行的相关标准,投标人均应遵守。 五、基本技术要求(带“*”号...

1、当您付费下载文档后,您只拥有了使用权限,并不意味着购买了版权,文档只能用于自身使用,不得用于其他商业用途(如 [转卖]进行直接盈利或[编辑后售卖]进行间接盈利)。
2、本站所有内容均由合作方或网友上传,本站不对文档的完整性、权威性及其观点立场正确性做任何保证或承诺!文档内容仅供研究参考,付费前请自行鉴别。
3、如文档内容存在违规,或者侵犯商业秘密、侵犯著作权等,请点击“违规举报”。

碎片内容

水泵采购技术要求

您可能关注的文档

确认删除?
VIP
微信客服
  • 扫码咨询
会员Q群
  • 会员专属群点击这里加入QQ群
客服邮箱
回到顶部