电脑桌面
添加小米粒文库到电脑桌面
安装后可以在桌面快捷访问

水稳钻芯报告

水稳钻芯报告_第1页
1/10
水稳钻芯报告_第2页
2/10
水稳钻芯报告_第3页
3/10
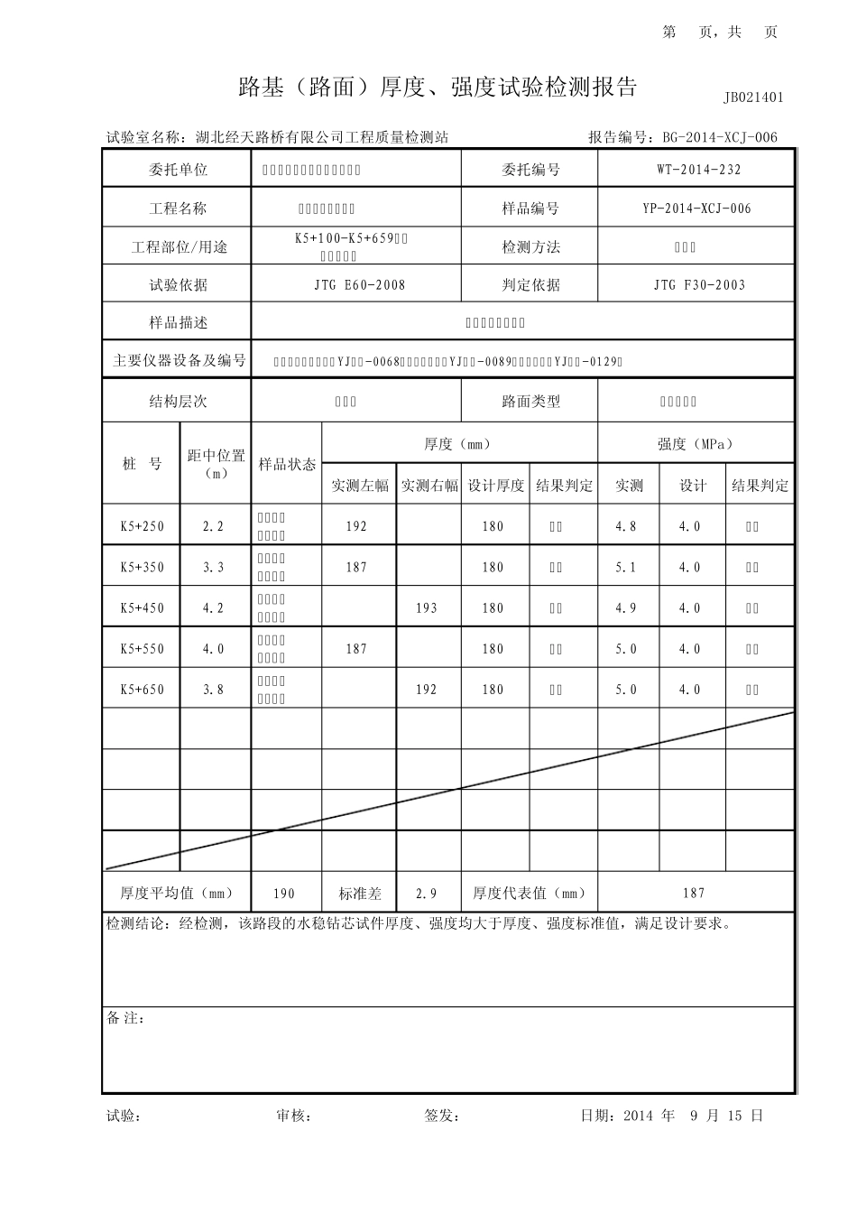
第 页,共 页实测左幅实测右幅设计厚度结果判定实测设计结果判定K3+4002.0表面密实、无缺损188180合格4.54.0合格K3+5004.0表面密实、无缺损182180合格4.94.0合格K3+6003.0表面密实、无缺损186180合格5.94.0合格K3+7004.0表面密实、无缺损190180合格5.14.0合格K3+8003.0表面密实、无缺损185180合格5.44.0合格K3+9002.0表面密实、无缺损186180合格5.84.0合格186标准差2.7工程名称宜璞孔路大修工程样品编号YP-2014-XCJ-005 路基(路面)厚度、强度试验检测报告 JB021401试验室名称:湖北经天路桥有限公司工程质量检测站 报告编号:BG-2014-XCJ-005委托单位湖北经天路桥有限公司四公司委托编号WT-2014-231试验依据JTG E60-2008判定依据JTG F30-2003工程部位/用途K3+365-K4+000全幅水稳底基层检测方法钻芯法184结构层次 底基层路面类型混凝土路面样品描述表面密实、无缺损主要仪器设备及编号混凝土钻孔取芯机(YJ/检-0068)、游标卡尺(YJ/检-0089)、压力机(YJ/压-0129)检测结论:经检测,该路段的水稳钻芯试件厚度、强度均大于厚度、强度标准值,满足设计要求。备 注:试验: 审核: 签发: 日期:2014 年 9 月 11 日桩 号距中位置(m)样品状态厚度(mm)强度(MPa)厚度平均值(mm)厚度代表值(mm)第 页,共 页第 页,共 页实测左幅实测右幅设计厚度结果判定实测设计结果判定K5+2502.2表面密实、无缺损192180合格4.84.0合格K5+3503.3表面密实、无缺损187180合格5.14.0合格K5+4504.2表面密实、无缺损193180合格4.94.0合格K5+5504.0表面密实、无缺损187180合格5.04.0合格K5+6503.8表面密实、无缺损192180合格5.04.0合格190标准差2.9工程名称宜璞孔路大修工程样品编号YP-2014-XCJ-006 路基(路面)厚度、强度试验检测报告 JB021401试验室名称:湖北经天路桥有限公司工程质量检测站 报告编号:BG-2014-XCJ-006委托单位湖北经天路桥有限公司四公司委托编号WT-2014-232试验依据JTG E60-2008判定依据JTG F30-2003工程部位/用途K5+100-K5+659全幅水稳底基层检测方法钻芯法底基层路面类型混凝土路面样品描述表面密实、无缺损主要仪器设备及编号混凝土钻孔取芯机(YJ/检-0068)、游标卡尺(YJ/检-0089)、压力机(YJ/压-0129)强度(MPa)厚度平均值(mm)厚度代表值(mm)187桩 号距中位置(m)样品状态厚度(mm)结构层次检测结论:经检测,该路段的水稳钻芯试件厚度、强度均大于厚度、强度标准值,满足设计要求。备 注:...

1、当您付费下载文档后,您只拥有了使用权限,并不意味着购买了版权,文档只能用于自身使用,不得用于其他商业用途(如 [转卖]进行直接盈利或[编辑后售卖]进行间接盈利)。
2、本站所有内容均由合作方或网友上传,本站不对文档的完整性、权威性及其观点立场正确性做任何保证或承诺!文档内容仅供研究参考,付费前请自行鉴别。
3、如文档内容存在违规,或者侵犯商业秘密、侵犯著作权等,请点击“违规举报”。

碎片内容

水稳钻芯报告

您可能关注的文档

确认删除?
VIP
微信客服
  • 扫码咨询
会员Q群
  • 会员专属群点击这里加入QQ群
客服邮箱
回到顶部