电脑桌面
添加小米粒文库到电脑桌面
安装后可以在桌面快捷访问

江苏省关于2013建设工程量清单计价规范及其9本计算规范的贯彻意

江苏省关于2013建设工程量清单计价规范及其9本计算规范的贯彻意_第1页
1/8
江苏省关于2013建设工程量清单计价规范及其9本计算规范的贯彻意_第2页
2/8
江苏省关于2013建设工程量清单计价规范及其9本计算规范的贯彻意_第3页
3/8
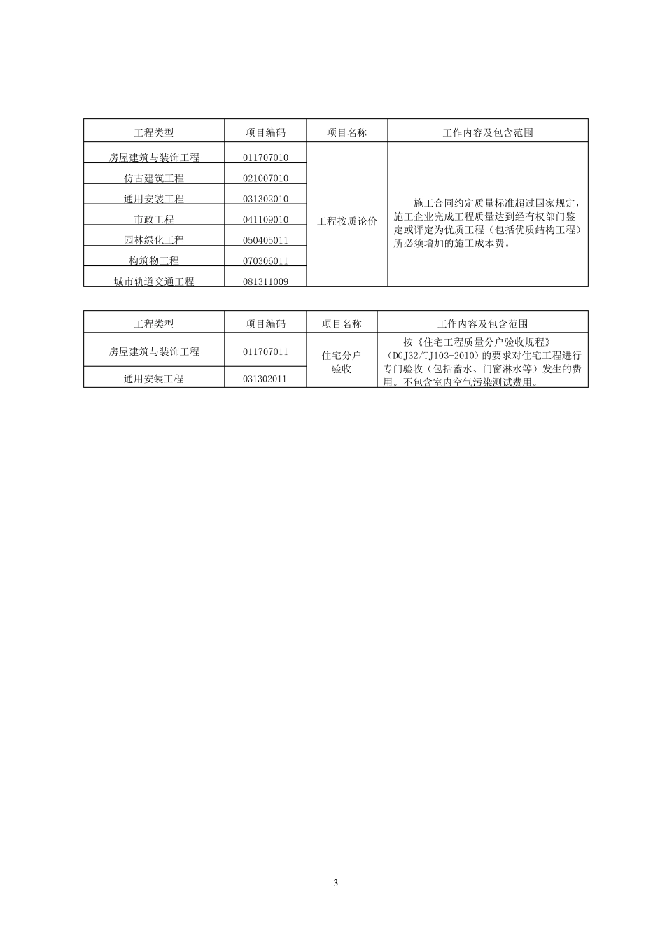
1 附件一: 措施项目清单调整和增加 一、单价措施项目: 1、房屋建筑与装饰工程中增补电梯井脚手架。 项目编码 项目 名称 项目特征 计量 单位 工程量计算 规则 工作内容 011701009 电梯井脚手架 电梯井高度 座 按设计图示 数量计算 1.搭设拆除脚手架、安全网 2.铺、翻脚手板 2、011702003 构造柱模板工程量计算规则调整为:按图示外露部分计算面积(锯齿形按锯齿形最宽面计算模板宽度)。 3、011703001 工程量计算规则中的“施工工期日历天”为定额工期。 4、011704001 超高施工增加注 1 调整为:超高施工增加适用于建筑物檐口高度超过 20m 或层数超过 6 层时。工程量按超过 20m 部分与超过 6层部分建筑面积中的较大值计算。地下室不计算层数。 二、总价措施项目调整和增加如下: 工程 类型 项目编码 项目 名称 工作内容及包含范围 房屋建筑与装饰工程 011707001 安全文明施工 1.环境保护:现场施工机械设备降低噪音、防扰民措施费用;水泥和其他易飞扬细颗粒建筑材料密闭存放或采取 覆 盖 措施等 费用;工程防扬尘 洒 水费用;土 石 方 、建渣 外运 车 辆 冲 洗 、防洒 漏 等 费用;现场污 染 源 的控 制 、生 活 垃 圾 清理 外运 、场地排 水排 污 措施的费用;其他环境保护措施费用。 2.文明施工:“五 牌 一图”的费用;现场围挡 的墙 面美 化 (包括 内外粉 刷 、刷 白 、标 语 等 )、压 顶 装饰费用;现场厕 所 便 槽 刷 白 、贴 面砖 ,水泥砂 浆 地面或地砖 费用, 建筑物内临 时便 溺 设施费用;其他施工现场临 时设施的装饰装修 、美 化 措施费用;现场生 活 卫 生 设施费用;符 合 卫 生 要 求 的饮 水设备、淋 浴 、消毒 等 设施费用;生 活 用洁 净 燃 料费用;防煤 气 中毒 、防蚊 虫 叮 咬 等 措施费用;施工现场操 作场地的硬 化 费用;现场绿 化 费用、治 安综 合 治 理 费用、现场电子监 控 设备费用;现场配 备医 药 保健 器 材、物品 费用和急 救 人 员 培 训 费用;用于现场工人 的防暑 降温 费、电风 扇 、空 调等 设备及用电费用;其他文明施工措施费用。 3.安全施工:安全资 料、特殊 作业 专 项方 案 的编制 , 安全施工标 志 的购 置及安全宣 传 的费用;“三 宝 ”(安全帽 、安全带 、安全网),“四 口”(楼...

1、当您付费下载文档后,您只拥有了使用权限,并不意味着购买了版权,文档只能用于自身使用,不得用于其他商业用途(如 [转卖]进行直接盈利或[编辑后售卖]进行间接盈利)。
2、本站所有内容均由合作方或网友上传,本站不对文档的完整性、权威性及其观点立场正确性做任何保证或承诺!文档内容仅供研究参考,付费前请自行鉴别。
3、如文档内容存在违规,或者侵犯商业秘密、侵犯著作权等,请点击“违规举报”。

碎片内容

江苏省关于2013建设工程量清单计价规范及其9本计算规范的贯彻意

小辰5+ 关注
实名认证
内容提供者

出售各种资料和文档

确认删除?
VIP
微信客服
  • 扫码咨询
会员Q群
  • 会员专属群点击这里加入QQ群
客服邮箱
回到顶部