电脑桌面
添加小米粒文库到电脑桌面
安装后可以在桌面快捷访问

江苏省检测收费标准

江苏省检测收费标准_第1页
1/20
江苏省检测收费标准_第2页
2/20
江苏省检测收费标准_第3页
3/20
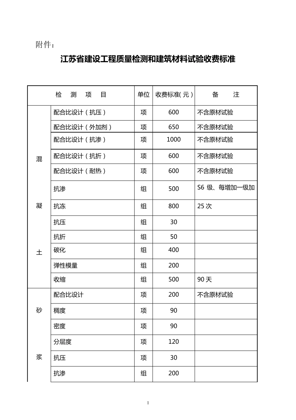
1 附件: 江 苏 省 建 设 工 程 质 量 检 测 和 建 筑 材 料 试 验 收 费 标 准 检 测 项 目 单 位 收 费 标 准( 元 ) 备 注 混 凝 土 配 合 比 设 计 ( 抗 压 ) 项 600 不 含 原 材 试 验 配 合 比 设 计 ( 外 加 剂 ) 项 650 不 含 原 材 试 验 配 合 比 设 计 ( 抗 渗 ) 项 1000 不 含 原 材 试 验 配 合 比 设 计 ( 抗 折 ) 项 600 不 含 原 材 试 验 配 合 比 设 计 ( 耐 热 ) 项 600 不 含 原 材 试 验 抗 渗 组 500 S6 级 、每增加 一级 加抗 冻 组 800 25 次 抗 压 组 30 抗 折 组 50 碳化 组 400 弹性模量 组 200 收 缩 组 500 90 天 砂 浆 配 合 比 设 计 项 200 不 含 原 材 试 验 稠度 项 90 密度 项 90 分层度 项 120 抗 压 项 30 抗 渗 组 200 2 建 筑 用 石 颗 粒 级 配 组 100 表 观 密 度 组 80 含 泥 量 组 80 泥 块 含 量 组 80 含 水 率 组 50 吸 水 率 组 50 堆 积 密 度 、紧密 密 度 组 80 有机物含 量 组 80 压碎指标 组 120 针片状含 量 组 80 坚固性 组 280 硫酸盐硫化物 组 130 建 筑 颗 粒 级 配 组 80 表 观 密 度 组 80 含 泥 量 组 80 泥 块 含 量 组 80 建 筑 用 含 水 率 组 50 吸 水 率 组 50 堆 积 密 度 、紧密 密 度 组 80 云母含 量 组 80 轻物含 量 组 80 有机物含 量 组 80 3 建 筑 用 坚 固 性 组 280 硫 酸 盐 硫 化 物 组 130 氯 离 子 含 量 组 130 混 凝 土 外 加 剂 凝 结 时 间 组 200 减 水 率 组 150 含 气 量 组 150 泌 水 率 组 150 收 缩 率 组 500 抗 压 强 度 组 500 固 体 含 量 组 50 密 度 组 40 PH 值 组 40 标 准养 护 砂 浆 组 30 28 天 混 凝 土 组 40 28 天 水 泥 强 度 组 300 安 定 性 ( 试 饼 法 ) 组 50 安 定 性 ( 雷 氏 法 ) 组 70 标 准 稠 度 组 25 细 度 ( 筛 余 法 ) 组 25 凝 结 时 间 组 50 氧 化 镁 组 165 三氧 化 硫 组 70 烧失量 组 35 4 烧...

1、当您付费下载文档后,您只拥有了使用权限,并不意味着购买了版权,文档只能用于自身使用,不得用于其他商业用途(如 [转卖]进行直接盈利或[编辑后售卖]进行间接盈利)。
2、本站所有内容均由合作方或网友上传,本站不对文档的完整性、权威性及其观点立场正确性做任何保证或承诺!文档内容仅供研究参考,付费前请自行鉴别。
3、如文档内容存在违规,或者侵犯商业秘密、侵犯著作权等,请点击“违规举报”。

碎片内容

江苏省检测收费标准

您可能关注的文档

小辰5+ 关注
实名认证
内容提供者

出售各种资料和文档

确认删除?
VIP
微信客服
  • 扫码咨询
会员Q群
  • 会员专属群点击这里加入QQ群
客服邮箱
回到顶部