电脑桌面
添加小米粒文库到电脑桌面
安装后可以在桌面快捷访问

汽车人造革技术标准

汽车人造革技术标准_第1页
1/10
汽车人造革技术标准_第2页
2/10
汽车人造革技术标准_第3页
3/10
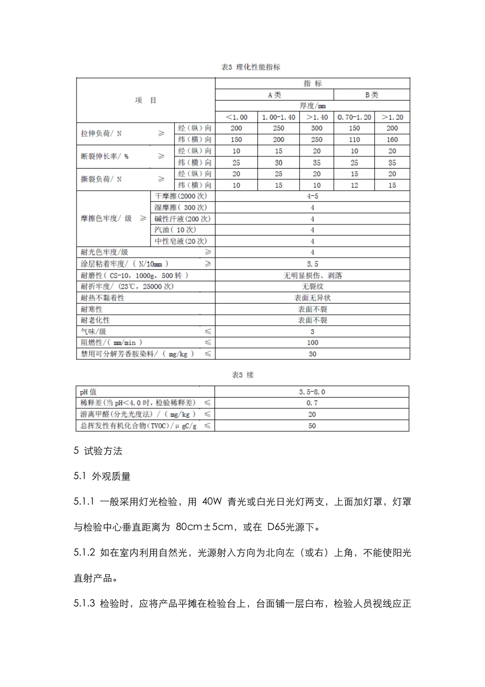
汽 车 人 造 革 技 术 标 准 1 范 围 本 部 分 规 定 了 汽 车 内 饰 人 造 革 材 料 的 分 类 、 要 求 、 试 验 方 法 、 检 验 规 则 、 标 志 、包 装 、 运 输 与 贮 存 。 本 部 分 适 用 于 汽 车 座 椅 套 、 座 /靠 垫 、 头 枕 、 扶 手 、 装 饰 性 衬 板 、 里 衬 等 装 饰 用的 各 类 聚 氯 乙 烯 、 聚 氨 酯 、 聚 酰 胺 、 聚 烯 烃 人 造 革 的 成 品 、 半 成 品 及 原 料 等 。 2 规 范 性 引 用 文 件 下 列 文 件 对 于 本 文 件 的 应 用 是 必 不 可 少 的 。 凡 是 注 日 期 的 引 用 文 件 , 仅 所 注 日 期的 版 本 适 用 于 本 文 件 。 凡 是 不 注 日 期 的 引 用 文 件 , 其 最 新 版 本 ( 包 括 所 有 的 修 改单 ) 适 用 于 本 文 件 。 GB/T 4689.20 皮 革 涂 层 粘 着 牢 度 测 定 方 法 GB/T 4694 皮 革 成 品 的 包 装 、 标 志 、 运 输 和 保 管 GB/T 8948 聚 氯 乙 烯 人 造 革 GB/T 19941 皮 革 和 毛 皮 化 学 试 验 甲 醛 含 量 的 测 定 GB/T 19942 皮 革 和 毛 皮 化 学 试 验 禁 用 偶 氮 染 料 的 测 定 GB/T 20400 皮 革 和 毛 皮 有 害 物 质 限量 QB/T 2537 皮 革 色牢 度 试 验 往复式摩擦色牢 度 QB/T 2710 皮 革 物 理和 机械试 验 抗张强度 和 伸长率的 测 定 QB/T 2711 皮 革 物 理和 机械试 验 撕裂力的 测 定 :双边撕裂 QB/T 2714 皮 革 物 理和 机械试 验 耐折牢 度 的 测 定 QB/T 2724 皮 革 化 学 试 验 pH 值的 测 定 QB/T 2725 皮 革 气味的 测 定 QB/T 2726 皮 革 物 理 和 机 械 试 验 耐 磨 性 能 的 测 定 QB/T 2727 皮 革 色 牢 度 试 验 耐 光 色 牢 度 : 氙 弧 QB/T 2729 皮 革 物 理 和 机 械 试 验 水 平 燃 烧 性 能 的 测 定 QB/T 2779 鞋 面 用 聚 氯 乙 烯 人 造 革 3 分 类 产 品 按 布 基 编 织 方 法 分 类 , 见 表 1。 4 要 求 4.1 外 观 质 量 外 观 质 量 应...

1、当您付费下载文档后,您只拥有了使用权限,并不意味着购买了版权,文档只能用于自身使用,不得用于其他商业用途(如 [转卖]进行直接盈利或[编辑后售卖]进行间接盈利)。
2、本站所有内容均由合作方或网友上传,本站不对文档的完整性、权威性及其观点立场正确性做任何保证或承诺!文档内容仅供研究参考,付费前请自行鉴别。
3、如文档内容存在违规,或者侵犯商业秘密、侵犯著作权等,请点击“违规举报”。

碎片内容

汽车人造革技术标准

确认删除?
VIP
微信客服
  • 扫码咨询
会员Q群
  • 会员专属群点击这里加入QQ群
客服邮箱
回到顶部