电脑桌面
添加小米粒文库到电脑桌面
安装后可以在桌面快捷访问

汽车检测与维修教学大纲VIP专享

汽车检测与维修教学大纲_第1页
1/6
汽车检测与维修教学大纲_第2页
2/6
汽车检测与维修教学大纲_第3页
3/6
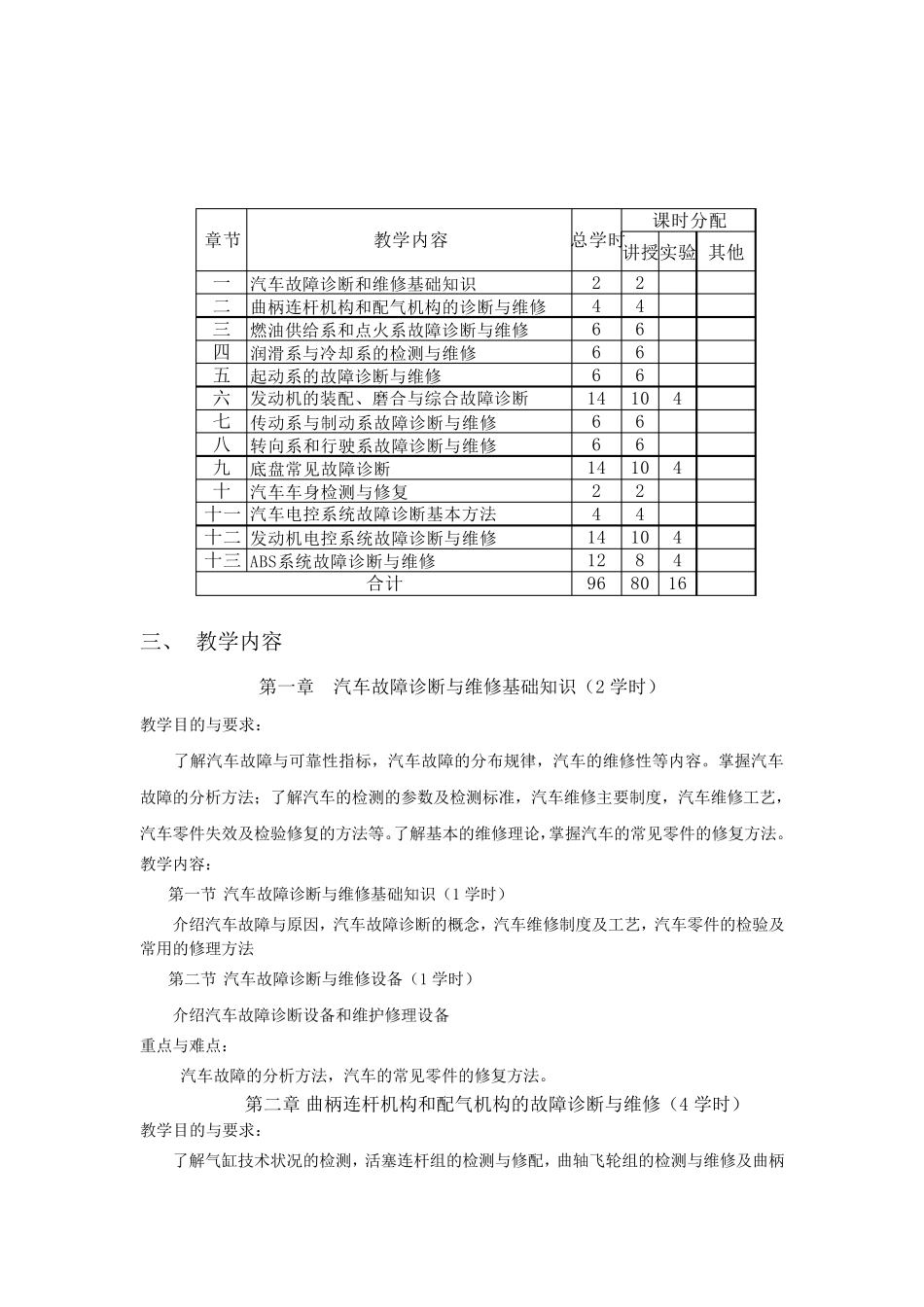
汽车检测与维修 编 写 者 : 刘 晓 光 审核者 : 王晓 华 适用专业:汽车检测与维修 参考学时:80 理论学时+16 实验学时 课程性质:专业课 考核方式:考试 参考书目:1、《汽车检测与维修》,董正身,机械工业出版社,2005.1. 2、《汽车诊断与检测》,陈焕江,机械工业出版社,2005.8 3、《汽车故障诊断与维修技术》,闵永军,万茂松,周良,高等教育出版社,2004.7. 一、 说明 (一) 本课程任务 《汽车检测与维修》是汽车检测与维修专业必修的专业课程,通过本课程的学习,应使学生掌握汽车故障诊断的主要方法和零件检测的主要方法;培养学生分析判断与排除汽车常见故障的能力,同时也使学生掌握汽车维修检测设备的使用方法。 (二) 应达到的要求 要求学生掌握汽车发动机和底盘常见故障的诊断方法与维修方法,使学生具有对检测设备动手操作的能力。 (三) 编写原则 1、 本大纲适用于高职汽车检测与维修专业的教学,其他专业采用时应作适当调整; 2、 在课程总课时的范围之内,各章节学时分配,任课教师可作调整,执行时以编制的教学进度表为准。 (四) 建议 《汽车检测与维修》是一门实用性很 强 的课程,应在课堂 教学的基 础 上 相 应补 充 现 实中汽车常见故障的使用案 例 ,结 合 案 例 进行教学。另 外 辅 助 多 媒 体 教学,这 有利 于学生加 深 理解 和掌握课堂 教学内容 ,并 可进一步 提 高学生适应工作现 场 的能力。 二、 学时计 划 三、 教学内容 第一章 汽车故障诊断与维修基础知识(2 学时) 教学目的与要求: 了解汽车故障与可靠性指标,汽车故障的分布规律,汽车的维修性等内容。掌握汽车故障的分析方法;了解汽车的检测的参数及检测标准,汽车维修主要制度,汽车维修工艺,汽车零件失效及检验修复的方法等。了解基本的维修理论,掌握汽车的常见零件的修复方法。 教学内容: 第一节 汽车故障诊断与维修基础知识(1 学时) 介绍汽车故障与原因,汽车故障诊断的概念,汽车维修制度及工艺,汽车零件的检验及常用的修理方法 第二节 汽车故障诊断与维修设备(1 学时) 介绍汽车故障诊断设备和维护修理设备 重点与难点: 汽车故障的分析方法,汽车的常见零件的修复方法。 第二章 曲柄连杆机构和配气机构的故障诊断与维修(4 学时) 教学目的与要求: 了解气缸技术状况的检测,活塞连杆组的检测与修配,曲轴飞轮组的检测与维修...

1、当您付费下载文档后,您只拥有了使用权限,并不意味着购买了版权,文档只能用于自身使用,不得用于其他商业用途(如 [转卖]进行直接盈利或[编辑后售卖]进行间接盈利)。
2、本站所有内容均由合作方或网友上传,本站不对文档的完整性、权威性及其观点立场正确性做任何保证或承诺!文档内容仅供研究参考,付费前请自行鉴别。
3、如文档内容存在违规,或者侵犯商业秘密、侵犯著作权等,请点击“违规举报”。

碎片内容

汽车检测与维修教学大纲

确认删除?
VIP
微信客服
  • 扫码咨询
会员Q群
  • 会员专属群点击这里加入QQ群
客服邮箱
回到顶部