电脑桌面
添加小米粒文库到电脑桌面
安装后可以在桌面快捷访问

汽车电器设备构造与设备任务工单

汽车电器设备构造与设备任务工单_第1页
1/9
汽车电器设备构造与设备任务工单_第2页
2/9
汽车电器设备构造与设备任务工单_第3页
3/9
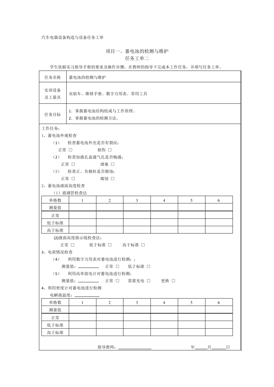
汽车电器设备构造与设备任务工单 项目一、蓄电池的检测与维护 任务工单一 学生依据实习指导手册的要求及操作步骤,在教师的指导下完成本工作任务,并填写任务工单。 任务名称 蓄电池的检测与维护 实训设备 及工量具 实验车、维修手册、数字万用表、常用工具 任务目标 1.掌握蓄电池结构组成与工作原理。 2.掌握蓄电池的检测方法。 工作任务: 1、 蓄电池的结构组成? 2、 普通蓄电池的检测项目? 3、 免维护蓄电池的特点? 4、 蓄电池故障产生的原因有哪些? 5、 蓄电池的故障现象有哪些? 6、 如何正确使用蓄电池,延长使用寿命? 7、 蓄电池故障排除方法有哪些? 指导教师: 年 月 日 汽车电器设备构造与设备任务工单 项目一、蓄电池的检测与维护 任务工单二 学生依据实习指导手册的要求及操作步骤,在教师的指导下完成本工作任务,并填写任务工单。 任务名称 蓄电池的检测与维护 实训设备 及工量具 实验车、维修手册、数字万用表、常用工具 任务目标 1.掌握蓄电池结构组成与工作原理。 2.掌握蓄电池的检测方法。 工作任务: 1、蓄电池外观检查 (1) 检查蓄电池外壳是否有裂纹: 正常 □ 损伤 □ (2) 检查加液孔盖通气孔是否畅通: 正常 □ 堵塞 □ (3) 检查正、负极柱是否腐蚀: 正常 □ 腐蚀 □ 2、蓄电池液面高度检查 (1)玻璃管检查法 单格数 1 2 3 4 5 6 测量值 正常 低于标准 高于标准 (2)液面高度指示线检查法: 正常 □ 低于标准 □ 高于标准 □ 3、电荷情况检查 (4) 利用数字万用表对蓄电池进行检测:; 测量值: 正常 □ 低于标准 □ (5) 利用高率放电计对蓄电池进行检测: 测量值: 正常 □ 需要充电 □ 更换 □ 4、利用密度计对蓄电池进行检测 电解液温度: 单格数 1 2 3 4 5 6 测量值 正常 低于标准 高于标准 指导教师: 年 月 日 汽车电器设备构造与设备任务工单 项目二、交流发电机拆装与检测 任务工单一 学生依据实习指导手册的要求及操作步骤,在教师的指导下完成本工作任务,并填写任务工单。 任务名称 交流发电机的拆装与检测 实训设备 及工量具 实验车、交流发电机、维修手册、数字万用表、常用拆装工具、拉拔器、直尺、细砂纸 任务目标 1.能正确使用工具进行交流发电机的拆装。 2.能正确使用数字万用表对交流发电机进行检测,并能准确判断交流发电机的技术性能。 工作任...

1、当您付费下载文档后,您只拥有了使用权限,并不意味着购买了版权,文档只能用于自身使用,不得用于其他商业用途(如 [转卖]进行直接盈利或[编辑后售卖]进行间接盈利)。
2、本站所有内容均由合作方或网友上传,本站不对文档的完整性、权威性及其观点立场正确性做任何保证或承诺!文档内容仅供研究参考,付费前请自行鉴别。
3、如文档内容存在违规,或者侵犯商业秘密、侵犯著作权等,请点击“违规举报”。

碎片内容

汽车电器设备构造与设备任务工单

您可能关注的文档

确认删除?
VIP
微信客服
  • 扫码咨询
会员Q群
  • 会员专属群点击这里加入QQ群
客服邮箱
回到顶部