电脑桌面
添加小米粒文库到电脑桌面
安装后可以在桌面快捷访问

汽车维修工(中级)操作技能考核试题

汽车维修工(中级)操作技能考核试题_第1页
1/35
汽车维修工(中级)操作技能考核试题_第2页
2/35
汽车维修工(中级)操作技能考核试题_第3页
3/35
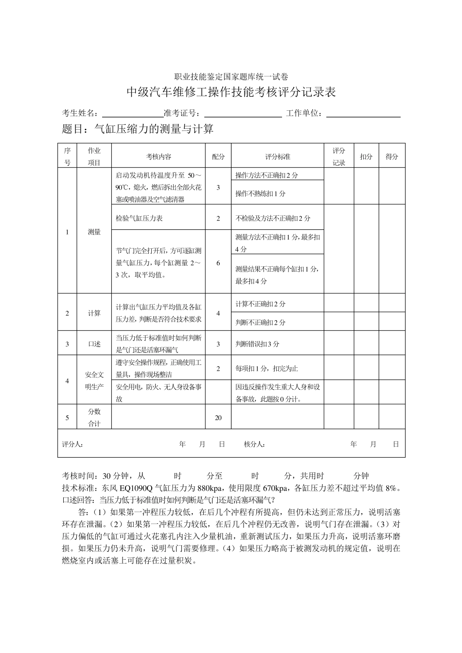
汽车维修工(中级)操作技能 考核试题 职业技能鉴定国家题库统一试卷 中级汽车维修工操作技能考核评分记录表 考生姓名: 准考证号: 工作单位: 题目:气缸压缩力的测量与计算 序号 作业 项目 考核内容 配分 评分标准 评分 记录 扣分 得分 1 测量 启动发动机待温度升至50~90℃,熄火,燃后拆出全部火花塞或喷油器及空气滤清器 3 操作方法不正确扣2 分 操作不熟练扣1 分 检验气缸压力表 2 不检验及方法不正确扣2 分 节气门完全打开后,方可逐缸测量气缸压力,每个缸测量2~3 次,取平均值。 6 测量方法不正确扣1 分,最多扣4 分 测量结果不正确每个缸扣1 分,最多扣4 分 2 计算 计算出气缸压力平均值及各缸压力差,判断是否符合技术要求 4 计算不正确扣2 分 判断不正确扣2 分 3 口述 当压力低于标准值时如何判断是气门还是活塞环漏气 3 判断错误扣3 分 4 安全文 明生产 遵守安全操作规程,正确使用工量具,操作现场整洁 2 每项扣1 分,扣完为止 安全用电,防火、无人身设备事故 因违反操作发生重大人身和设备事故,此题按0 分计。 5 分数 合计 20 评分人: 年 月 日 核分人: 年 月 日 考核时间:30 分钟,从 时 分至 时 分,共用时 分钟 技术标准:东风 EQ1090Q 气缸压力为 880kpa,使用限度670kpa,各缸压力差不超过平均值 8%。 口述回答:当压力低于标准值时如何判断是气门还是活塞环漏气? 答:(1)如果第一冲程压力较低,在后几个冲程有所提高,但仍未达到正常压力,说明活塞环存在泄漏。(2)如果第一冲程压力较低,在后几个冲程仍无改善,说明气门存在泄漏。(3)对压力偏低的气缸可通过火花塞孔内注入少量机油,重新测试压力,如果压力升高,说明活塞环磨损。如果压力仍未升高,说明气门需要修理。(4)如果压力略高于被测发动机的规定值,说明在燃烧室内或活塞上可能存在过量积炭。 职业技能鉴定国家题库统一试卷 中级汽车维修工操作技能考核试题 考生姓名: 准考证号: 工作单位: 题目:气缸压缩力的测量与计算 考核要求: (1) 按正确的操作规程用气缸压力表检查气缸压缩力; (2) 计算出气缸压力平均值和气缸压力差 (3) 判断气缸压力是否符合技术标准。 考核时间:30 分钟。 配分:20 分。 缸 数 1 2 3 4 5 6 平均值 气缸 压力 第 1 次测 第 2 次测 平均 气缸压力差 结论 职业技能鉴定国家题库统一试卷...

1、当您付费下载文档后,您只拥有了使用权限,并不意味着购买了版权,文档只能用于自身使用,不得用于其他商业用途(如 [转卖]进行直接盈利或[编辑后售卖]进行间接盈利)。
2、本站所有内容均由合作方或网友上传,本站不对文档的完整性、权威性及其观点立场正确性做任何保证或承诺!文档内容仅供研究参考,付费前请自行鉴别。
3、如文档内容存在违规,或者侵犯商业秘密、侵犯著作权等,请点击“违规举报”。

碎片内容

汽车维修工(中级)操作技能考核试题

您可能关注的文档

确认删除?
VIP
微信客服
  • 扫码咨询
会员Q群
  • 会员专属群点击这里加入QQ群
客服邮箱
回到顶部