电脑桌面
添加小米粒文库到电脑桌面
安装后可以在桌面快捷访问

河北2012定额计算规则

河北2012定额计算规则_第1页
1/27
河北2012定额计算规则_第2页
2/27
河北2012定额计算规则_第3页
3/27
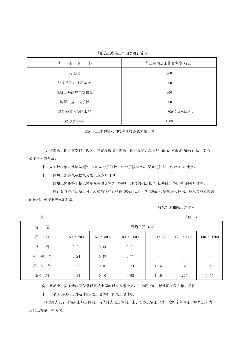
说 明 一、为统一全省工业与民用建筑工程工程量的计算,制定本规则。 二、本规则与2008 年《全国统一建筑工程基础定额河北省消耗量定额》配套使用,作为确定本省范围内建筑工程造价及其消耗量的依据。 三、建筑工程工程量除依据2008 年《全国统一建筑工程基础定额河北省消耗量定额》及本规则各项规定外,尚应依据以下文件: 1.经审定的施工设计图纸及其说明。 2.经审定的施工组织设计或施工技术措施方案。 3.经审定的其他有关技术经济文件。 四、本规则的计算尺寸,以设计图纸表示的尺寸或设计图纸能读出的尺寸为准。除另有规定外,工程量的计量单位应按下列规定计算: 1.以体积计算的为“m3”。 2.以面积计算的为“m2”。 3.以长度计算的为“m”。 4.以重量计算的为“t”。 5.以个(或座)计算的为“个(或座)”。 汇总工程量时,其准确度取值:m3、m2、m 取两位小数;t 取三位小数;台(套或件等)取整数,两位或三位小数后的位数按四舍五入法取舍。 A.1 土、石方工程 一、土方体积的计算,均以挖掘前的天然密实体积计算。 二、建筑物、构筑物及管道沟挖土按设计室外地坪以下以立方米计算。设计室外地坪以上的挖土按山坡切土计算。 三、平整场地工程量按建筑物(或构筑物)的底面积(包括外墙保温板)计算,包括有基础的底层阳 台面积。围墙按中 心 线 每 边 各增 加 1m 计算。道路 及室外管道沟不 计算平整场地。 四、外墙沟槽 长度按图示尺寸的中 心 线 计算;内墙沟槽 长度按图示尺寸的沟槽 净 长线 计算。其突 出部 分 应并入沟槽 工程量内计算。 各种 检 查 井 和 给 排 水 管道接 口 处 ,因 加 宽 而 增 加 的土方工程量,应按相 应管道沟槽 全部 土方工程量增 加2.5%计算。 管道沟底宽 度应按设计规定计算。设计无 规定时,按下表规定计算。 管道沟底宽度尺寸表 单位:m 管 径 (mm) 铸铁管、钢管、 石棉水泥管 塑料管 混凝土管、钢筋混凝土管、预应力钢筋混凝土管 陶土管 50~75 100~200 250~350 400~450 500~600 700~800 900~1000 1100~1200 1300~1400 0.60 0.70 0.80 1.00 1.30 1.60 1.80 2.00 2.20 0.70 0.80 0.90 1.10 1.40 1.70 1.90 2.10 2.40 0.80 0.90 1.00 1.30 1.50 1.80 2.00 2.30 2.60 0.70 0.80 0.90 1.10 1.40 — — — — 五、地下室墙基沟槽深度,系从地下室挖土底面计算至槽底...

1、当您付费下载文档后,您只拥有了使用权限,并不意味着购买了版权,文档只能用于自身使用,不得用于其他商业用途(如 [转卖]进行直接盈利或[编辑后售卖]进行间接盈利)。
2、本站所有内容均由合作方或网友上传,本站不对文档的完整性、权威性及其观点立场正确性做任何保证或承诺!文档内容仅供研究参考,付费前请自行鉴别。
3、如文档内容存在违规,或者侵犯商业秘密、侵犯著作权等,请点击“违规举报”。

碎片内容

河北2012定额计算规则

小辰2+ 关注
实名认证
内容提供者

出售各种资料和文档

确认删除?
VIP
微信客服
  • 扫码咨询
会员Q群
  • 会员专属群点击这里加入QQ群
客服邮箱
回到顶部