电脑桌面
添加小米粒文库到电脑桌面
安装后可以在桌面快捷访问

2025年土建造价员练习题

2025年土建造价员练习题_第1页
1/30
2025年土建造价员练习题_第2页
2/30
2025年土建造价员练习题_第3页
3/30
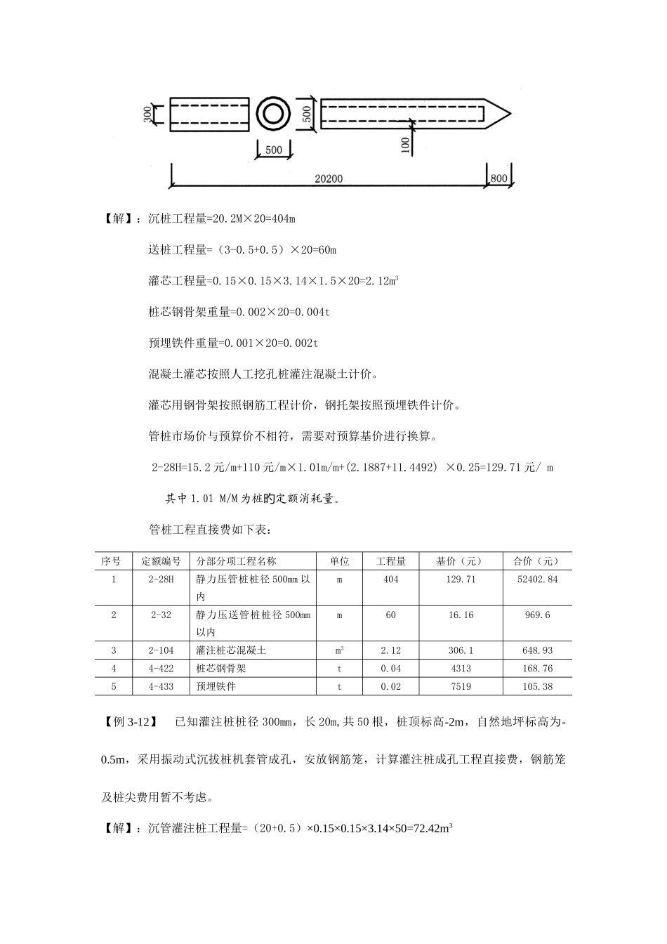
【例 3-10】 已知方桩共 20 根,详细尺寸见下图,到现场市场价为 430 元/m3,分两节沉桩,采用电焊接桩,每个接头角钢重 2kg,桩顶标高-2m,自然地坪标高为-0.3m,用步履式柴油打桩机打桩,求工程直接费。 【解】:沉桩工程量=(0.4×0.4)(17.40+0.6) ×20=57.6 m3 查定额得 2-2 基价=1235 元/10m3,加入主材后计价调整为 2-2H=123.5+430.0×1.01+(29.799+88.199)×0.25=587.30 元/m3 接桩工程量=2×20/1000=0.04t 送桩工程量=0.4×0.4(2-0.3+0.5)×20=7.04 m3方桩工程直接费如下表:序号定额编号分部分项工程名称单位工程量基价(元)合价(元)12-2H打方桩桩长 25m 以内m357.6587.333828.4822-6送方桩桩长 25m 以内m37.04107.4756.132-17电焊接桩包角钢T0.046635265.4【例 3-11】 管桩共 20 根,如下图所示,采用静力压桩机沉桩,C25 混凝土灌芯 1.5m,芯内钢骨架均为二级钢,重 2kg,钢托架重 1.0kg,计算管桩直接工程费。桩顶标高-3m,自然地坪标高为-0.5m,桩尖费用不考虑。已知该管桩到现场市场价格为 110 元/m。【解】:沉桩工程量=20.2M×20=404m 送桩工程量=(3-0.5+0.5)×20=60m 灌芯工程量=0.15×0.15×3.14×1.5×20=2.12m3桩芯钢骨架重量=0.002×20=0.004t 预埋铁件重量=0.001×20=0.002t混凝土灌芯按照人工挖孔桩灌注混凝土计价。灌芯用钢骨架按照钢筋工程计价,钢托架按照预埋铁件计价。管桩市场价与预算价不相符,需要对预算基价进行换算。2-28H=15.2 元/m+110 元/m×1.01m/m+(2.1887+11.4492) ×0.25=129.71 元/ m 其中 1.01 M/M 为桩定额消耗量。旳管桩工程直接费如下表:序号定额编号分部分项工程名称单位工程量基价(元)合价(元)12-28H静力压管桩桩径 500mm 以内m404129.7152402.8422-32静力压送管桩桩径 500mm以内m6016.16969.632-104灌注桩芯混凝土m32.12306.1648.9344-422桩芯钢骨架t0.044313168.7654-433预埋铁件t0.027519105.38【例 3-12】 已知灌注桩桩径 300mm,长 20m,共 50 根,桩顶标高-2m,自然地坪标高为-0.5m,采用振动式沉拔桩机套管成孔,安放钢筋笼,计算灌注桩成孔工程直接费,钢筋笼及桩尖费用暂不考虑。【解】:沉管灌注桩工程量=(20+0.5)×0.15×0.15×3.14×50=72.42m3 因有安放钢筋笼,沉管人工和机械乘系数 1.15;单位工程沉管工程量不不不大于150 m3,对应定额旳打桩人工及机械乘以系数 1.25 查定额并换算单价 2-43H=775+(33...

1、当您付费下载文档后,您只拥有了使用权限,并不意味着购买了版权,文档只能用于自身使用,不得用于其他商业用途(如 [转卖]进行直接盈利或[编辑后售卖]进行间接盈利)。
2、本站所有内容均由合作方或网友上传,本站不对文档的完整性、权威性及其观点立场正确性做任何保证或承诺!文档内容仅供研究参考,付费前请自行鉴别。
3、如文档内容存在违规,或者侵犯商业秘密、侵犯著作权等,请点击“违规举报”。

碎片内容

2025年土建造价员练习题

您可能关注的文档

静心书店+ 关注
实名认证
内容提供者

专注于各类考试试卷和真题。

确认删除?
VIP
微信客服
  • 扫码咨询
会员Q群
  • 会员专属群点击这里加入QQ群
客服邮箱
回到顶部