电脑桌面
添加小米粒文库到电脑桌面
安装后可以在桌面快捷访问

2025年JGJ59建筑施工安全检查标准评分表全套范本

2025年JGJ59建筑施工安全检查标准评分表全套范本_第1页
1/29
2025年JGJ59建筑施工安全检查标准评分表全套范本_第2页
2/29
2025年JGJ59建筑施工安全检查标准评分表全套范本_第3页
3/29
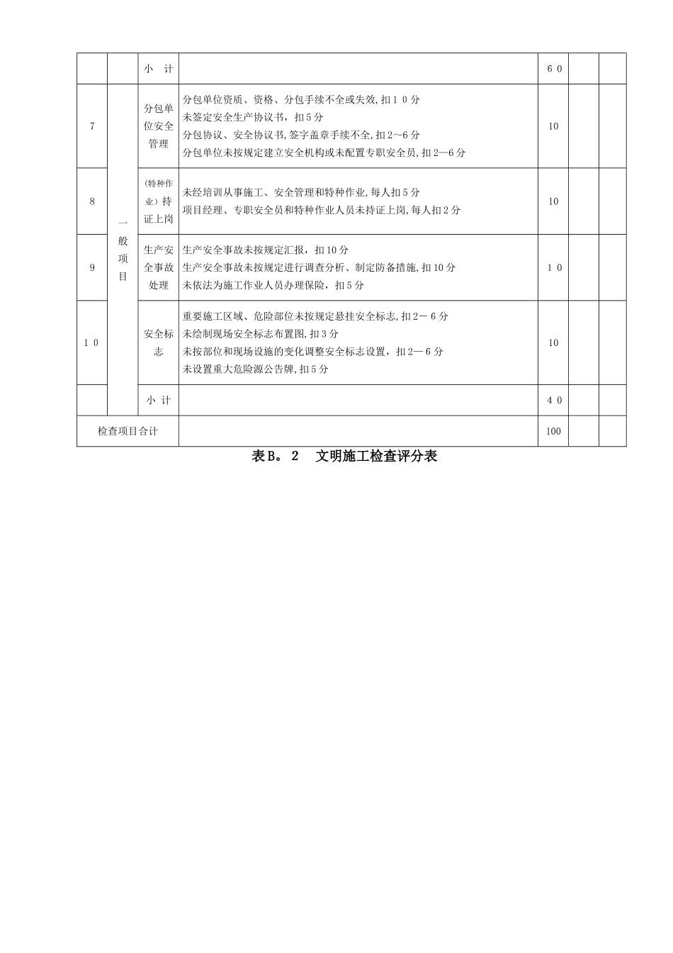
表A 建筑施工安全检查评分汇总表企 业 名 称 : 资 质 等 级 : ﻩ年 月 日单位工程(施工现场)名 称建筑面积(m 2)构造ﻫ类型总计得分(满分分值1 00分)项 目 名 称 及 分 值安全管理(满分 10分)文明施工(满分15分)脚手架(满分1 0分) 基坑工程(满分 1 0分)模板支架(满分1 0分)高处作业(满分 10分)施工用电(满分10分)物料提高机与施工升降机(满分 10分)塔式起重机与起重吊装(满分 10分)施工机具(满分 5 分)评语:检查单位负责人受检项目项目经理附录 B 建筑施工安全分项检查评分表表B.1 安全管理检查评分表序号检查项目扣 分 标 准应得分数扣减分数实得分数1保 证 项 目安全生产责任制未建立安全生产责任制,扣 10 分安全生产责任制未经负责人签字确认,扣 3 分未备有各工种安全技术操作规程,扣2-1 0分未按规定配置专职安全员,扣 2—10 分工程项目部承包协议中未明确安全生产考核指标,扣5分未制定安全生产资金保障制度,扣5分未编制安全资金使用计划或未按计划实行,扣2~5 分未制定安全生产管理目的(伤亡控制、安全达标、文明施工),扣 5 分未进行安全责任目的分解的,扣5分未建立安全生产责任制、责任目的考核制度,扣 5 分未按考核制度对管理人员定期考核,扣 2~5 分1 02施 工 组织 设 计施工组织设计中未制定安全技术措施,扣10分危险性较大的分部分项工程未编制安全专题施工方案,扣1 0 分未按规定对(超过一定规模的危险性较大的分部分项工程)专题方案进行专家论证,扣 1 0分施工组织设计、专题施工方案未经审批,扣 10 分安全措施、专题施工方案无针对性或缺乏设计计算,扣2~8 分未按施工组织设计、专题施工方案组织实行,扣 2~10 分1 03安全技术交 底未进行书面安全技术交底,扣1 0 分未按分部分项进行交底,扣5分交底内容不全或针对性不强,扣 2~5 分交底未履行签字手续,扣 2~4分104安全检查未建立安全检查(定期、季节性)制度,扣 10 分未留有(定期、季节性)安全检查记录,扣5分事故隐患的整改未做到定人、定期间、定措施,扣2~6 分对重大事故隐患改告知书所列项目未按期整改和复查,扣5-10 分105安全教育未建立安全教育培训制度,扣1 0 分新入场工人未进行三级安全教育培训和考核,扣 5 分未明确详细安全教育培训内容,扣 2~8 分变换工种或采用新技术、新工艺、新设备、新材料施工时未进行安全教育,扣5 分施工管...

1、当您付费下载文档后,您只拥有了使用权限,并不意味着购买了版权,文档只能用于自身使用,不得用于其他商业用途(如 [转卖]进行直接盈利或[编辑后售卖]进行间接盈利)。
2、本站所有内容均由合作方或网友上传,本站不对文档的完整性、权威性及其观点立场正确性做任何保证或承诺!文档内容仅供研究参考,付费前请自行鉴别。
3、如文档内容存在违规,或者侵犯商业秘密、侵犯著作权等,请点击“违规举报”。

碎片内容

2025年JGJ59建筑施工安全检查标准评分表全套范本

卷上珠帘+ 关注
实名认证
内容提供者

该用户很懒,什么也没介绍

确认删除?
VIP
微信客服
  • 扫码咨询
会员Q群
  • 会员专属群点击这里加入QQ群
客服邮箱
回到顶部