电脑桌面
添加小米粒文库到电脑桌面
安装后可以在桌面快捷访问

2025年机械设计技术员考试试卷

2025年机械设计技术员考试试卷_第1页
1/4
2025年机械设计技术员考试试卷_第2页
2/4
2025年机械设计技术员考试试卷_第3页
3/4
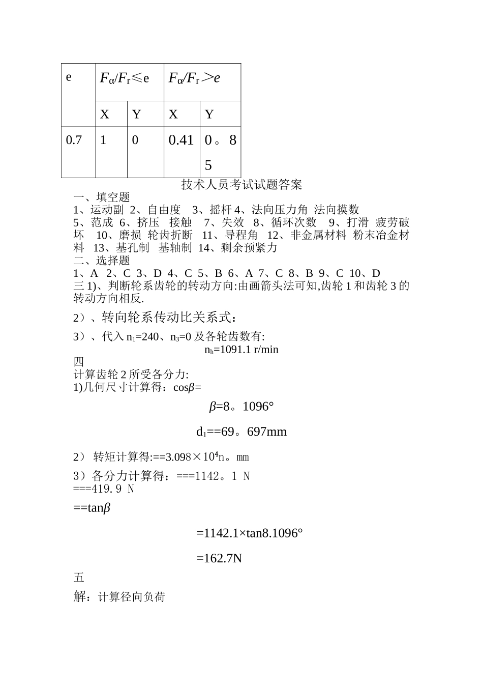
机械设计技术人员考试试题一、填空题(30 分)1。 两构件之间的这种直接接触的可动联接称为运动副。2。 确定构件位置的独立运动参数的数目称为构件的自由度。3。 平面四杆机构中,在除连杆之外不能做整周的杆是摇杆,支架.4。 斜齿轮应取 法面模数 和法面压力角作为其原则参数。5. 在用范成法法加工齿轮时,若被加工齿轮的齿数较小,则也许出现根切现象。6。 零件受载时在传力的接触表面上会产生应力,其中面接触传力为挤压应力,点、线接触传力为接触应力。7。 机构零件由于某些原因丧失工作能力而不能正常工作时称为失效。8。 疲劳断裂不仅与应力的数值有关,并且还与应力的循环次数有关.9。 带传动的重要失效形式是打滑、疲劳破坏及带与带轮的磨损。10. 开式齿轮传动的重要失效形式是齿面磨损和轮齿折断 .11。 增大蜗杆直径可提高蜗杆的强度和刚度,但在一定的模数、头数下导程角将减小,传动效率受影响。12. 常用的滑动轴承材料分为金属材料、非金属材料和粉末冶金材料三类13. 滚动轴承的配合制度是轴承与轴的配合为基孔制配合,轴承与轴承座孔的配合为基轴制配合。14. 受轴向外载荷的紧螺栓联接,其螺栓的轴向总载荷等于工作载荷与之和二、选择题(20 分)1。 对于原则的渐开线齿轮,去顶圆压力角 αa 与分度圆压力角 α 的关系是( )A.αa > αB.αa < αC.αa =αD。不确定的2。 滚子链传动的最重要参数是( )A。 滚子外径 B. 销轴直径C.节距 D。 极限拉伸载荷3。 带传动的弹性滑动( )A。 一般只发生在积极轮上B。 是由于有效圆周力局限性引起的C。 可以通过增大包角予以避免D。 是传动比不稳定的原因4。 一般闭式齿轮传动常见的失效形式是( )A.齿面胶合 B. 齿面磨损C。 齿面点蚀 D。 齿面塑性变形5。 从所受载荷可知,齿轮减速器输出轴的类型是( )A。 传动轴 B。 转轴C。 转动心轴 D.固定心轴6。 当滚动轴承同步承受径向力和轴向力,转速较低时应优先选用( )A.圆锥滚子轴承 B。圆柱滚子轴承C. 调心滚子轴承 D。 角接触球轴承7. 润滑脂耐高温能力的指标是( )A. 黏度 B。 油性 C. 滴点 D。 针入度8。 紧定螺钉合用于联接( )A. 一种零件较厚,常常拆卸 B。 一种零件较厚,不常拆卸C。 两个较薄零件,常常拆卸 D. 两个较薄零件,不常拆卸9。 套筒联轴器的重要特点是( )A。 构造简单,径向尺寸小 B. 装卸时不需要做轴向移动C. 可赔偿两轴的相对位...

1、当您付费下载文档后,您只拥有了使用权限,并不意味着购买了版权,文档只能用于自身使用,不得用于其他商业用途(如 [转卖]进行直接盈利或[编辑后售卖]进行间接盈利)。
2、本站所有内容均由合作方或网友上传,本站不对文档的完整性、权威性及其观点立场正确性做任何保证或承诺!文档内容仅供研究参考,付费前请自行鉴别。
3、如文档内容存在违规,或者侵犯商业秘密、侵犯著作权等,请点击“违规举报”。

碎片内容

2025年机械设计技术员考试试卷

山水人家+ 关注
实名认证
内容提供者

读万卷书,行万里路。

确认删除?
VIP
微信客服
  • 扫码咨询
会员Q群
  • 会员专属群点击这里加入QQ群
客服邮箱
回到顶部