电脑桌面
添加小米粒文库到电脑桌面
安装后可以在桌面快捷访问

燃气管道施工质量检验记录

燃气管道施工质量检验记录_第1页
1/8
燃气管道施工质量检验记录_第2页
2/8
燃气管道施工质量检验记录_第3页
3/8
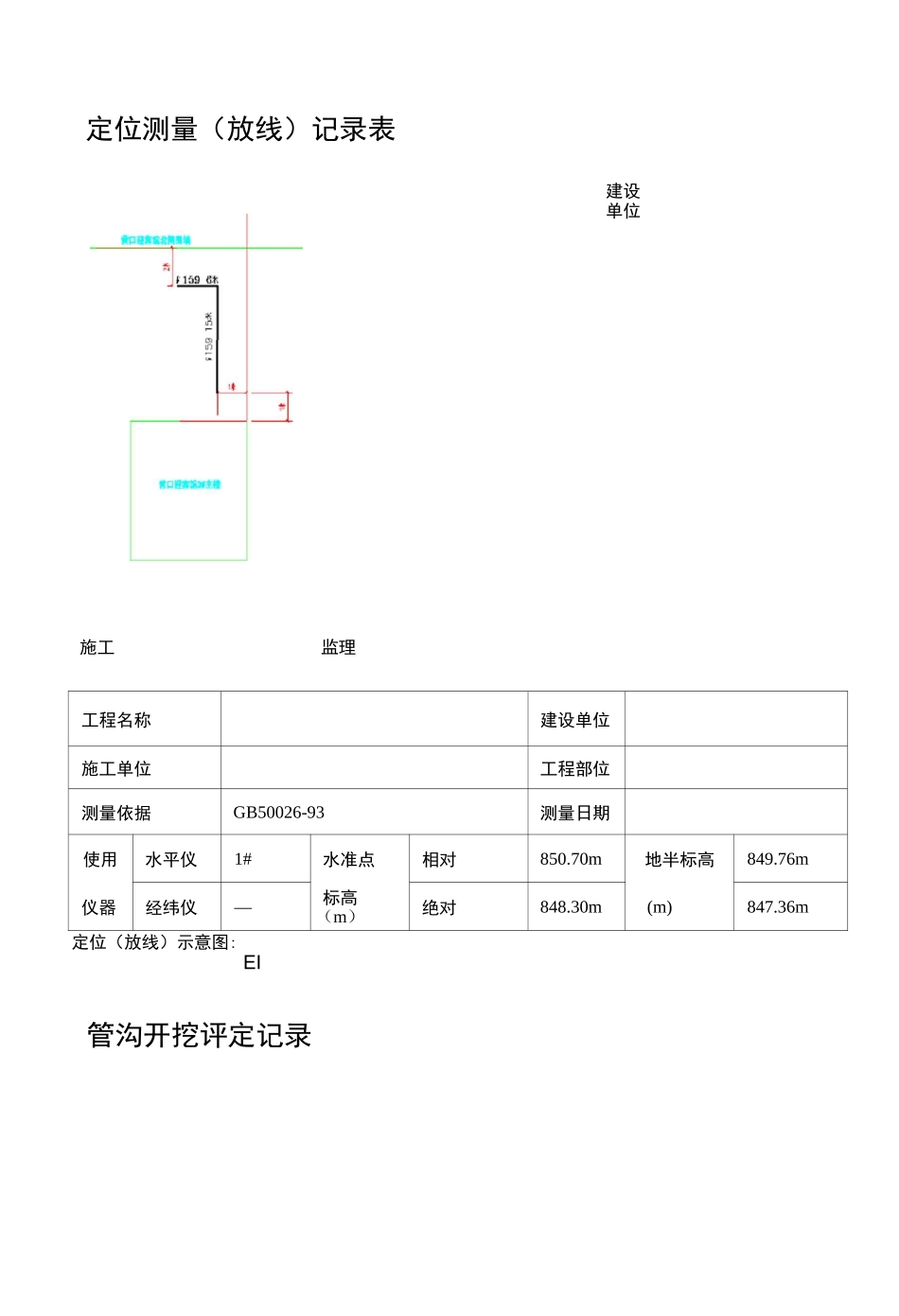
施工单位监理单位建设单位定位测量(放线)记录表工程名称建设单位施工单位工程部位测量依据GB50026-93测量日期使用水平仪1#水准点相对850.70m地半标高849.76m仪器经纬仪—标高(m)绝对848.30m(m)847.36m定位(放线)示意图:EI管沟开挖评定记录工程名称工程编号施工单位工程部位开工日期管沟长度21m开槽方式机械与人工混合土质二类管径f159X5检査内容序号检査项目检査结果1槽底宽度与坡度合格2沟底平整及排水合格序允许偏检测偏差值号差123456789101标高-50mm-30-35-40-35-40-30-40-35-40-382中心线偏移+100mm+80+75+85+90+80+75+80+75+70+85检测点10合格点10合格率100%不合格处理情况:无施工单位意见:监理单位意见:建设单位意见:质检员:施工管理员:项目经理:现场监理:负责人:年月日年月日年月日管沟回填土检査记录编号:001工程名称工程编号施工单位工程部位3#主楼北侧燃气管道至调压箱检查内容管底、周围及管顶回填情况分层夯实情况警示带、示踪带敷设二次回填情况夯实度细砂回填至管顶>300mm分层夯实厚度<200mm管顶回填夯实500mm 以上敷设细土回填后土方高出地面200mm>95%1310200符合设计要求200mm符合设计要求2310190符合设计要求200mm符合设计要求3320200符合设计要求200mm符合设计要求4310200符合设计要求200mm符合设计要求5320200符合设计要求200mm符合设计要求6310190符合设计要求200mm符合设计要求7310190符合设计要求200mm符合设计要求83200190符合设计要求200mm符合设计要求9320190符合设计要求200mm符合设计要求10320200符合设计要求200mm符合设计要求检查结果:合格口期,施工单位监理单位建设单位技术负贵人:检查人:监理工程师:现场代表:PE 管道焊接检査记录工程名称工程编号施工单位营口市广隆锅炉安装有限公司工程部位3#主楼北侧燃气管道至调压箱检查内容焊口编号管道规格气温焊接压力(MPa)凸起高度(mm)吸热时间(S)冷却时间(S)连接质量1De9020°C8211合格2De9020°C8211合格3De9020°C8211合格4De9020°C8211合格5De9020°C8211合格6De9020°C8211合格7De9020°C8211合格8De9020°C8211合格9De9020°C8211合格10De9020°C8211合格11De9020°C8211合格12De9020°C8211合格施工单位监理单位建设单位技术负责人:检查人:监理工程师:现场代表:管道防腐及补口检査记录工程名称施工单位工程部位3#主楼北侧燃气管道至调压箱编号管道规格管段防腐材料防腐等级补口内容数量14159X5 无缝钢管21 米聚乙烯绝缘热缩套(带〉...

1、当您付费下载文档后,您只拥有了使用权限,并不意味着购买了版权,文档只能用于自身使用,不得用于其他商业用途(如 [转卖]进行直接盈利或[编辑后售卖]进行间接盈利)。
2、本站所有内容均由合作方或网友上传,本站不对文档的完整性、权威性及其观点立场正确性做任何保证或承诺!文档内容仅供研究参考,付费前请自行鉴别。
3、如文档内容存在违规,或者侵犯商业秘密、侵犯著作权等,请点击“违规举报”。

碎片内容

燃气管道施工质量检验记录

您可能关注的文档

确认删除?
VIP
微信客服
  • 扫码咨询
会员Q群
  • 会员专属群点击这里加入QQ群
客服邮箱
回到顶部