电脑桌面
添加小米粒文库到电脑桌面
安装后可以在桌面快捷访问

勘测收费标准

勘测收费标准_第1页
1/11
勘测收费标准_第2页
2/11
勘测收费标准_第3页
3/11
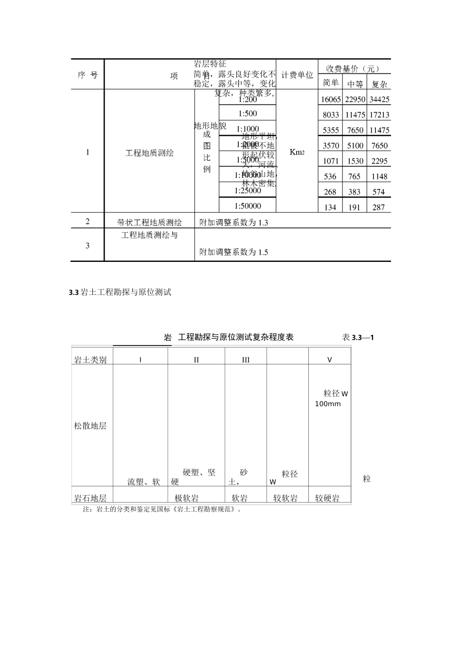
技术工作费收费比例(%)1201003 岩土工程勘察岩土工程勘察技术工作费收费比例表表 3.1—1岩土工程勘察等级甲级乙级丙级注:1、岩土工程勘察等级见国标《岩土工程勘察规范》;2、利用已有勘察资料提出勘察报告的只收取技术工作费,技术工作费的计费基数为所利用勘察资料的实物工作收费额。3.2 工程地质测绘工程地质测绘复杂程度表表 3.2—13.1 技术工作地质构造简单岩层产状水平或有显著的褶皱、断层有复杂的褶皱、断层岩层特征简单,露头良好变化不稳定,露头中等,变化复杂,种类繁多,地形地貌地形平坦,植被不地形起伏较大,河流、岭谷山地,林木密集,3.3 岩土工程勘探与原位测试表 3.3—1岩土类别IIIIIIV松散地层流塑、软硬塑、坚硬砂土,粒径W粒径 W100mm岩石地层极软岩软岩较软岩较硬岩工程勘探与原位测试复杂程度表粒注:岩土的分类和鉴定见国标《岩土工程勘察规范》。序号项目勘探项目深度 D(m)/长度 L(m)DW1010〈DW2020〈DW30钻孔30〈DW4040〈DW5050〈DW6060〈DW8080〈DW100收费基价(元)IIIIIIWV刑4671117207301382588914725937747769107176311452573821272093685366809815124943963980910916827748971190112118730754278910001322043355928621092计费单位m探井D〉100每增加 20m,按前一档收费基价乘耻以 1.2 的附加调整系数DW2m5063781252002502〈DW56378971562503135〈DW10789712019431038810〈DW20103128159256410513D〉20 每增加 10m,按前一档收费基价乘以 1.3 的附加调整系数探槽平硐DW2m3D>2LW5050〈LW100100〈LW150m150〈LW200200〈LW250250〈LW30040527292120148587510413317421535052573598011731348368551772102912311415385578809107812901482403604845112713481550420630882117614071617438656919122514661684L>300每增加 50m,按前一档收费基价乘以 1.1 的附加调整系数标准断面为 4m2,大于标准断面部分乘以 0.6 附加调整系数,另行计算收费取土、水、石试样实物工作收费基价表表 3.3—3取土、水、石试样实物工作收费基价表表 3.3—3序号测试项目目测试深度计费单位圆锥动力触探试验静力触探轻型重型超重型单桥双桥双测孔压扁铲侧胀试验十字板剪切试验DW1010〈DW2020〈DW3030〈DW4040〈DW50DW1010〈DW2020〈DW3030〈DW4040〈DW50DW1010〈DW2020〈DW3030〈DW4040〈DW5050〈DW6060〈DW80IIIIIIWV刑32508250781283003754256397159375469531751161914505636388913822753466875710616427063679590114...

1、当您付费下载文档后,您只拥有了使用权限,并不意味着购买了版权,文档只能用于自身使用,不得用于其他商业用途(如 [转卖]进行直接盈利或[编辑后售卖]进行间接盈利)。
2、本站所有内容均由合作方或网友上传,本站不对文档的完整性、权威性及其观点立场正确性做任何保证或承诺!文档内容仅供研究参考,付费前请自行鉴别。
3、如文档内容存在违规,或者侵犯商业秘密、侵犯著作权等,请点击“违规举报”。

碎片内容

勘测收费标准

确认删除?
VIP
微信客服
  • 扫码咨询
会员Q群
  • 会员专属群点击这里加入QQ群
客服邮箱
回到顶部