电脑桌面
添加小米粒文库到电脑桌面
安装后可以在桌面快捷访问

车辆安全检查表

车辆安全检查表_第1页
1/6
车辆安全检查表_第2页
2/6
车辆安全检查表_第3页
3/6
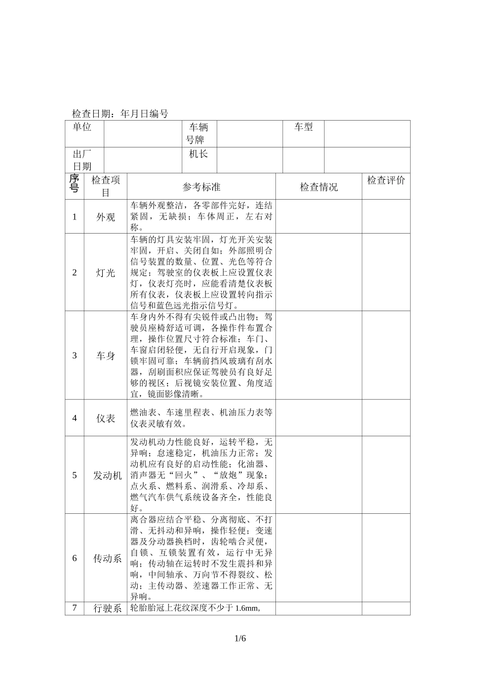
1/6检查日期:年月日编号单位车辆号牌车型出厂日期机长序号检查项目参考标准检查情况检查评价1外观车辆外观整洁,各零部件完好,连结紧固,无缺损;车体周正,左右对称。2灯光车辆的灯具安装牢固,灯光开关安装牢固,开启、关闭自如;外部照明合信号装置的数量、位置、光色等符合规定;驾驶室的仪表板上应设置仪表灯,仪表灯亮时,应能看清楚仪表板所有仪表,仪表板上应设置转向指示信号和蓝色远光指示信号灯。3车身车身内外不得有尖锐件或凸出物;驾驶员座椅舒适可调,各操作件布置合理,操作位置尺寸符合标准;车门、车窗启闭轻便,无自行开启现象,门锁牢固可靠;车辆前挡风玻璃有刮水器,刮刷面积应保证驾驶员有良好足够的视区;后视镜安装位置、角度适宜,镜面影像清晰。4仪表燃油表、车速里程表、机油压力表等仪表灵敏有效。5发动机发动机动力性能良好,运转平稳,无异响;怠速稳定,机油压力正常;发动机应有良好的启动性能;化油器、消声器无“回火”、“放炮”现象;点火系、燃料系、润滑系、冷却系、燃气汽车供气系统设备齐全,性能良好。6传动系离合器应结合平稳、分离彻底、不打滑、无抖动和异响,操作轻便;变速器及分动器换档时,齿轮啮合灵便,自锁、互锁装置有效,运行中无异响;传动轴在运转时不发生震抖和异响,中间轴承、万向节不得裂纹、松动;主传动器、差速器工作正常、无异响。7行驶系轮胎胎冠上花纹深度不少于 1.6mm,2/6不暴露轮胎帘布层,胎面和胎侧不得有长度超过 25cm、深度足以暴露出帘布层的破损和割伤,转向轮不得装用翻新轮胎;钢板弹簧无裂纹、断片和缺片;车架不变形,锈蚀、弯曲,螺栓、铆钉不得缺少和松动;前、后桥不变形、裂纹,减震器工作正常。8转向系主方向盘转动灵活、操作轻便、无阻滞现象,车轮转到极限位置时不与其它部件干涉;转向轮转向后应自动回正;转向节及臂,转向横、直拉杆及球销无裂纹和损伤,球销不松旷,横、直拉杆不得拼焊。9制动系行车制动踏板自由行程、产生最大制动作用时踏板力应符合该车整车有关技术条件的规定;行车制动系最大制动效能应在踏板全行程的 4/5 以内达至 1」,驻车制动系最大制动效能应在操纵杆全行程的 3/4 以内达到。10总体要求“四动”:一提能发动,一脚能制动,一手能转动(方向盘),一人能推动;“四全”:蓄电池电足安牢,灯光明亮完好,喇叭清脆响亮,雨刮灵活自如;“四不漏”:全车无漏油、漏水、漏气、漏电现象;“四清”:畜电池、空气滤清器、汽...

1、当您付费下载文档后,您只拥有了使用权限,并不意味着购买了版权,文档只能用于自身使用,不得用于其他商业用途(如 [转卖]进行直接盈利或[编辑后售卖]进行间接盈利)。
2、本站所有内容均由合作方或网友上传,本站不对文档的完整性、权威性及其观点立场正确性做任何保证或承诺!文档内容仅供研究参考,付费前请自行鉴别。
3、如文档内容存在违规,或者侵犯商业秘密、侵犯著作权等,请点击“违规举报”。

碎片内容

车辆安全检查表

您可能关注的文档

确认删除?
VIP
微信客服
  • 扫码咨询
会员Q群
  • 会员专属群点击这里加入QQ群
客服邮箱
回到顶部