电脑桌面
添加小米粒文库到电脑桌面
安装后可以在桌面快捷访问

新版资源配备计划方案(模板)

新版资源配备计划方案(模板)_第1页
1/11
新版资源配备计划方案(模板)_第2页
2/11
新版资源配备计划方案(模板)_第3页
3/11
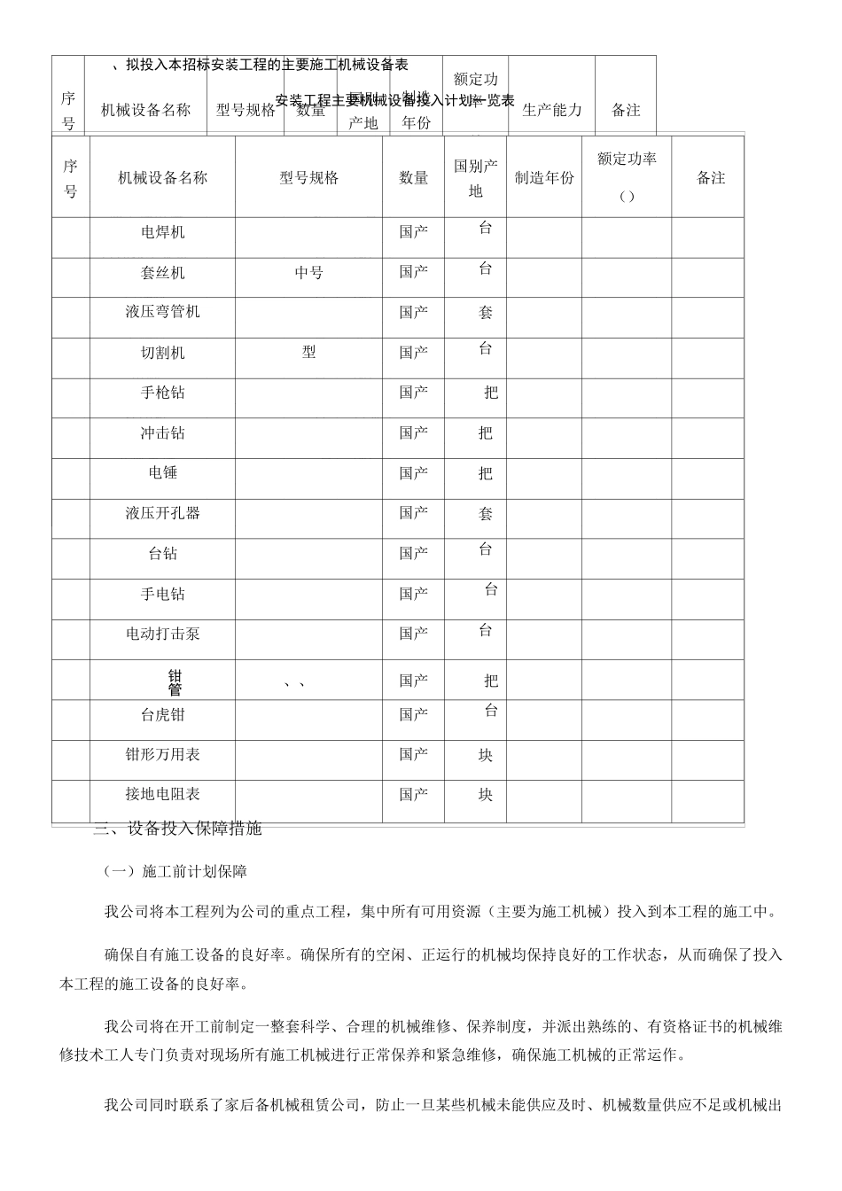
资源配备计划方案第一节机械设备投入、进场计划、拟投入本招标建筑工程的主要施工机械设备表建筑工程主要机械设备投入计划一览表序号机械设备名称型号规格数量国别产地制造年份额定功率()生产能力备注挖掘机型辆日本立力铲自卸运输汽车台国产车塔吊台国产、空气压缩机台国产立力施工电梯台国产双笼电梯搅浆机台国产风镐及风钻套国产钢筋切断机钢筋调直机钢筋变曲机交流电弧焊机平板式砼振动器台国产插入式砼振动器台国产气割枪套国产混凝土泵型台国产立方小时台式砂轮切割机台国产潜水泵台国产序号机械设备名称型号规格数量国别产地制造年份额定功率()生产能力备注圆盘锯台国产冲击钻电锤把合资自动找平水准仪台国产经纬仪台国产全站仪台北京电脑台国产打印机台日本分体空调台国产、拟投入本招标安装工程的主要施工机械设备表安装工程主要机械设备投入计划一览表序号机械设备名称型号规格数量国别产地制造年份额定功率()备注电焊机国产台套丝机中号国产台液压弯管机国产套切割机型国产台手枪钻国产把冲击钻国产把电锤国产把液压开孔器国产套台钻国产台手电钻国产台电动打击泵国产台钳管、、国产把台虎钳国产台钳形万用表国产块接地电阻表国产块三、设备投入保障措施(一)施工前计划保障我公司将本工程列为公司的重点工程,集中所有可用资源(主要为施工机械)投入到本工程的施工中。确保自有施工设备的良好率。确保所有的空闲、正运行的机械均保持良好的工作状态,从而确保了投入本工程的施工设备的良好率。我公司将在开工前制定一整套科学、合理的机械维修、保养制度,并派出熟练的、有资格证书的机械维修技术工人专门负责对现场所有施工机械进行正常保养和紧急维修,确保施工机械的正常运作。我公司同时联系了家后备机械租赁公司,防止一旦某些机械未能供应及时、机械数量供应不足或机械出现故障、损坏等,我公司可由其它家机械租赁公司中租赁机械,从多条渠道来确保满足工程的施工进行要求。(二)机械设备投入使用管理设备使用原则()施工现场所使用的机械、设备必须按要求实行安全管理和安装验收制度。()使用的施工机械、机具和电气设备,在安装前,应当按照规定的安全技术标准进行检测,经检测合格后方可安装;机械安装要按审核后的施工平面布置图进行。()施工机械在投入使用前,应按规定进行验收,并办好验收手续登记。经验收,确认机械状态良好,能安全运行的,才准投入使用。()所有施工机械的操作人员都必须经过培训合格后...

1、当您付费下载文档后,您只拥有了使用权限,并不意味着购买了版权,文档只能用于自身使用,不得用于其他商业用途(如 [转卖]进行直接盈利或[编辑后售卖]进行间接盈利)。
2、本站所有内容均由合作方或网友上传,本站不对文档的完整性、权威性及其观点立场正确性做任何保证或承诺!文档内容仅供研究参考,付费前请自行鉴别。
3、如文档内容存在违规,或者侵犯商业秘密、侵犯著作权等,请点击“违规举报”。

碎片内容

新版资源配备计划方案(模板)

确认删除?
VIP
微信客服
  • 扫码咨询
会员Q群
  • 会员专属群点击这里加入QQ群
客服邮箱
回到顶部