电脑桌面
添加小米粒文库到电脑桌面
安装后可以在桌面快捷访问

实验室质量监督记录填写模板VIP专享

实验室质量监督记录填写模板_第1页
1/7
实验室质量监督记录填写模板_第2页
2/7
实验室质量监督记录填写模板_第3页
3/7
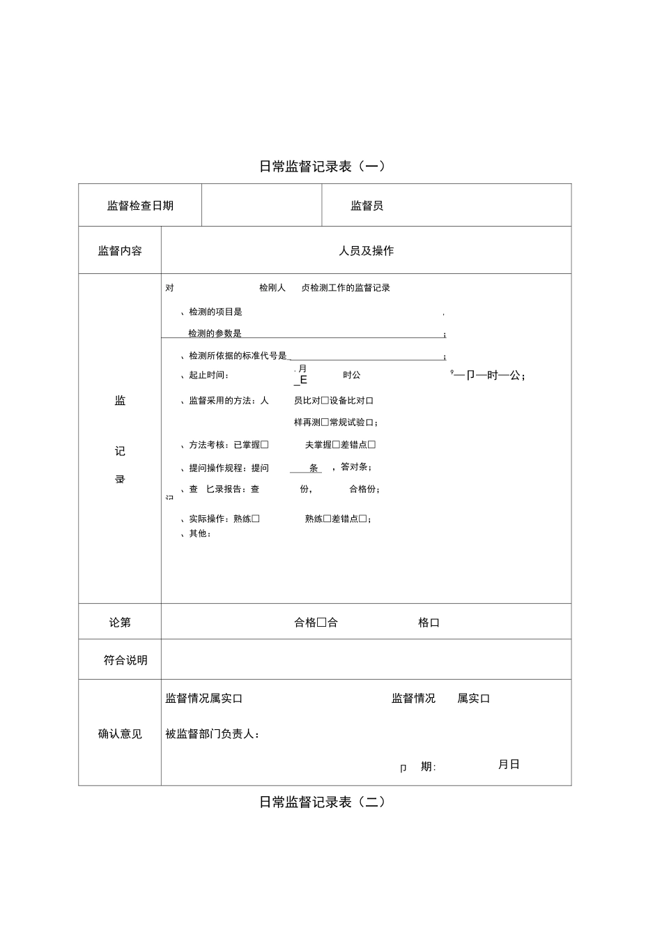
日常监督记录表(一)监督检查日期监督员监督内容人员及操作对检刚人贞检测工作的监督记录、检测的项目是,检测的参数是;、检测所依据的标准代号是_;、起止时间:.月_E时公9—卩—时—公;监、监督采用的方法:人员比对□设备比对口样再测□常规试验口;记、方法考核:已掌握□夫掌握□差错点□、提问操作规程:提问条,答对条;录、查记匕录报告:查份,合格份;、实际操作:熟练□熟练□差错点□;、其他:论第合格□合格口符合说明监督情况属实口监督情况属实口确认意见被监督部门负责人:卩期:月日日常监督记录表(二)监督检查日期监督员监督内容设施及环境条件对字设施和环境盖件冇监督记录:、本室的环境条件是:温,湿,里他;、是否配备相应的控制设施:是口否□;、是否按规定及时记录监控记录:是□否口;、当环境条件危及到检测结果时,检测人员是否停止工作,报告符合,对已检测的数据标明无效,并采取措施保证检测结果的有效性,待环境条件恢复正常后再继续进工作:是口否口;监、对相容的相邻区域是否有效的隔离,同时应采取相应措施防止相互干督记扰或交叉污染:是□否口;、对无菌区域,是否明确标识,并能有效地控制、1~1-监测和记录:是口否录、对影响检测质的区域的进入和使用,是否加以控制:是口否口;、实验区与办公区是否保持有好的隔离,并“P贴“实验受控区或等同标/识,无关人员夫经批准 f 随意进入实验区域:是□否口;、产生有害气体作业场所是否安装通风排气系统:是□否口、其他:论U-结合格□合格口符合说明监督情况丿 属实口监督情压屠实口确认意见被监督部]门负责人:卩期:月日日常监督记录表(三)监督检查日期监督员监督内容检测方法对室所使用栓测方法的监督记录:、是否编制现最新有效版本标准目录,并经技术负责人批准以文件形式发布执:<□否口;、抽查个检测标准,其中作废标准个;监、所选用的方法是否通知客户:是口否口;、如果缺少作业指导书可能影响检测结果时,是否编制相应的作业指导书:记<□否口;、所有与实验■室工作有关的指导书、标准是否保持现形有效,并在操作现场录于操作者取阅:是口否口;、对检测方法的偏离是否仅在已被文件规定、经技术判断、授权和客户同意的情况下才允许发生:是口否口;、当检测方法有要求或客户有要求时,是否能进测确定的评定:<□否口;、其他:论第合格□合 格口符合说明监督情况属实口监督情况属实口确认意见被监督部门负责人:卩 期:月日日常监督记录表(...

1、当您付费下载文档后,您只拥有了使用权限,并不意味着购买了版权,文档只能用于自身使用,不得用于其他商业用途(如 [转卖]进行直接盈利或[编辑后售卖]进行间接盈利)。
2、本站所有内容均由合作方或网友上传,本站不对文档的完整性、权威性及其观点立场正确性做任何保证或承诺!文档内容仅供研究参考,付费前请自行鉴别。
3、如文档内容存在违规,或者侵犯商业秘密、侵犯著作权等,请点击“违规举报”。

碎片内容

实验室质量监督记录填写模板

确认删除?
VIP
微信客服
  • 扫码咨询
会员Q群
  • 会员专属群点击这里加入QQ群
客服邮箱
回到顶部