电脑桌面
添加小米粒文库到电脑桌面
安装后可以在桌面快捷访问

油库安全应急预案

油库安全应急预案_第1页
1/14
油库安全应急预案_第2页
2/14
油库安全应急预案_第3页
3/14
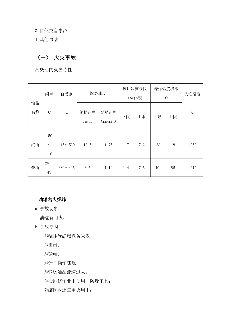
油库安全应急预案 一、 事故处理原则 事故处理应坚持以人为本、关爱生命,先重点、后一般的原则,以最快的速度、最大的效能,有序地实施救援,最大限度减少人员伤亡和财产损失,把事故危害降到最低点,维护周边地区的安全和社会稳定。 应急救援原则:快速反应、统一指挥、单位自救与社会救援相结合。为尽快阻止事故进一步蔓延,尽可能减少人员伤亡和财产损失,事故处理过程中应遵循以下原则。 (1) 应急人员必须在保证自身安全的前提下处理事故; (2) 所有应急人员必须服从统一指挥、安排; (3) 发生事故在进行自救的同时要及时报警,尽最大可能减少事故损失; (4) 在处理火灾事故时,要尽力保护火灾周围的机、电、仪等设施不受损害; (5) 在处理可燃性物质泄漏事故时,泄漏点周围要设置可靠的警戒区,区域内严禁产生静电火花、电器火花、明火等火源,严禁使用手提电话等非防爆通讯工 具 ; (6) 进入 有毒 、浓 烟 、有限空 间 等场 所,必须配 戴 有效的防毒 面 具 (空 气 呼吸 器),避 免 人员伤亡; (7) 眼 睛 受到刺 激 性液 体 的接 触 或 被 浓 烟 熏 烤 感 到不适 ,应立 即 用清 水 冲 洗 ,并 上 下活 动 眼 球 ,保证冲 洗 干 净 ,严重时及时联 系 医 生; (8) 操 作 人员衣 物、身体 受到酸 液 及毒 物的污 染 时,将 污 染 衣 物迅 速除 去 ,浸 到身体 上 时,要及时淋 浴 ; (9) 发现 中毒 者 失去 知 觉 ,立 即 进行人工 呼 吸 ,同时联 系 急救中心 ,并 逐 级 汇报; (10) 及时向 附 近 单位、居 民 区通报情 况 ,做 好 人员紧 急疏 散 的准 备 。 二 、紧急停工 1. 切断电源; 2. 现场操作人员立即关闭电源 3. 油品有泄漏时,用消防沙对泄漏油品进行围堵、回收,无发回收的用沙土等进行覆盖防止泄漏范围的扩大。检查并确定泄漏点后,对泄漏部位进行抢修; 4. 在油库附近设立警戒线,禁止与抢险救援无关的车辆和人员进入;指挥库加油车辆驶出该区域; 5. 停止一切收发油作业,关闭油罐闸阀; 6. 疏散加油油车辆及驾驶员。 三、 事故联络 在发生事故、报警、处理事故的过程中,需联络的相关方和联络方式如下图 四、应急事件 根据风险评价和分析结果,对以下危险事件制定应急计划: 1.火灾事故 2.油品泄漏事故 发生事故 操作人员 安全领导小...

1、当您付费下载文档后,您只拥有了使用权限,并不意味着购买了版权,文档只能用于自身使用,不得用于其他商业用途(如 [转卖]进行直接盈利或[编辑后售卖]进行间接盈利)。
2、本站所有内容均由合作方或网友上传,本站不对文档的完整性、权威性及其观点立场正确性做任何保证或承诺!文档内容仅供研究参考,付费前请自行鉴别。
3、如文档内容存在违规,或者侵犯商业秘密、侵犯著作权等,请点击“违规举报”。

碎片内容

油库安全应急预案

小辰7+ 关注
实名认证
内容提供者

出售各种资料和文档

确认删除?
VIP
微信客服
  • 扫码咨询
会员Q群
  • 会员专属群点击这里加入QQ群
客服邮箱
回到顶部