电脑桌面
添加小米粒文库到电脑桌面
安装后可以在桌面快捷访问

电力排管检验批VIP专享

电力排管检验批_第1页
1/7
电力排管检验批_第2页
2/7
电力排管检验批_第3页
3/7
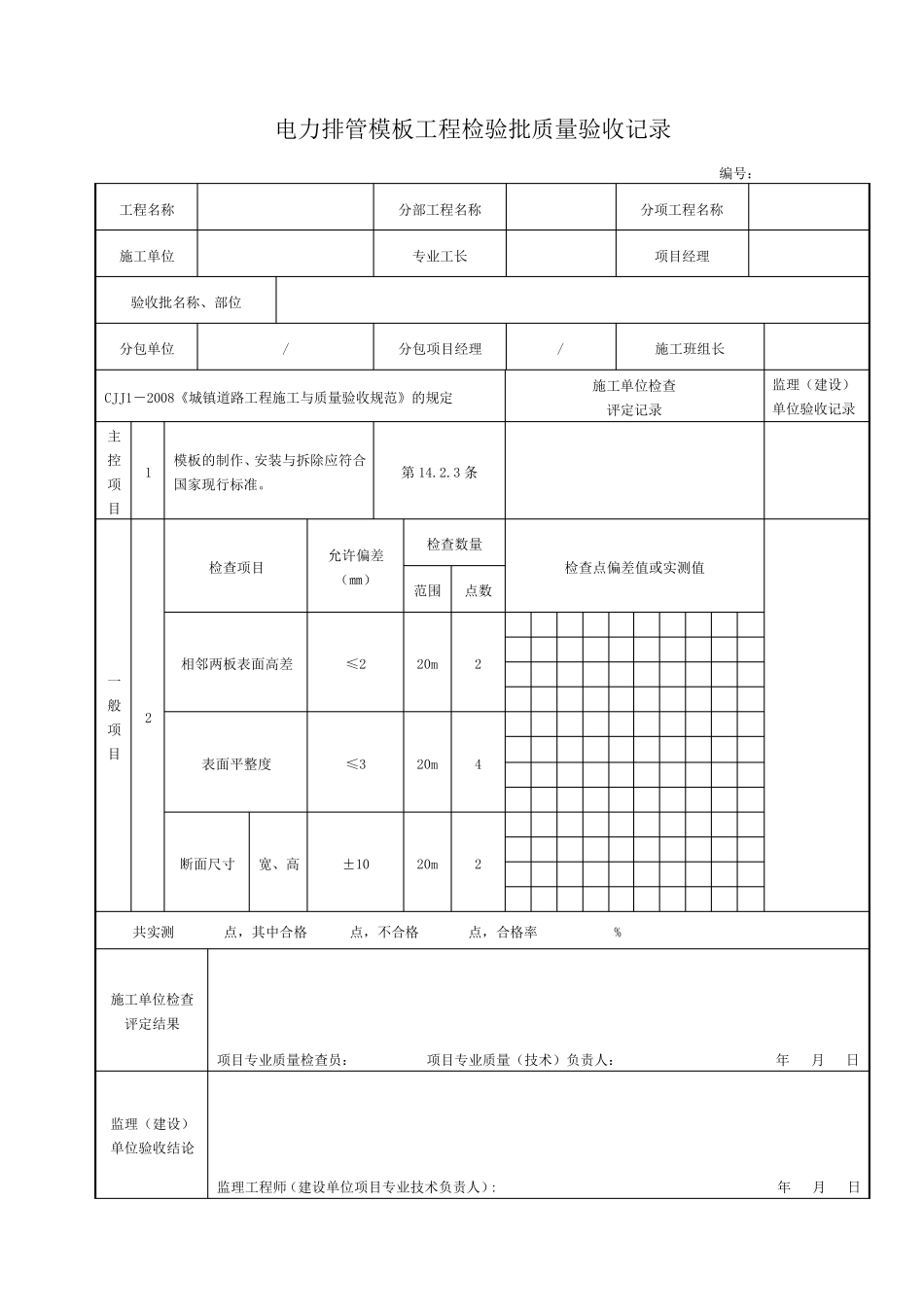
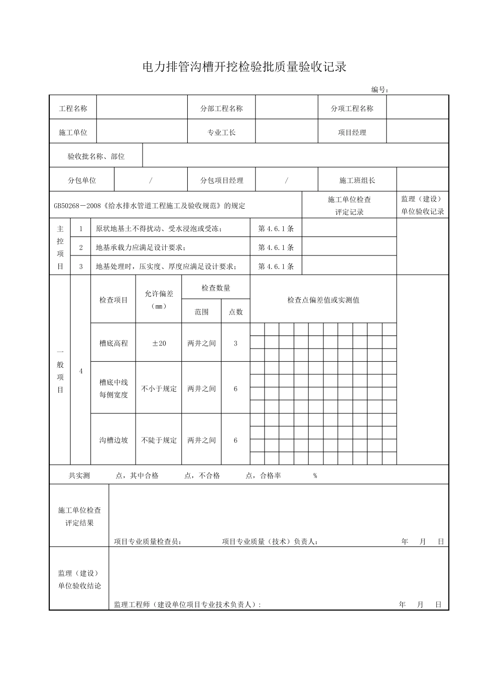
电力排管沟槽开挖检验批质量验收记录 编号: 工程名称 分部工程名称 分项工程名称 施工单位 专业工长 项目经理 验收批名称、部位 分包单位 / 分包项目经理 / 施工班组长 GB50268-2008《给水排水管道工程施工及验收规范》的规定 施工单位检查 评定记录 监理(建设) 单位验收记录 主控 项目 1 原状地基土不得扰动、受水浸泡或受冻; 第4.6.1 条 2 地基承载力应满足设计要求; 第4.6.1 条 3 地基处理时,压实度、厚度应满足设计要求; 第4.6.1 条 一般项目 4 检查项目 允许偏差 (㎜) 检查数量 检查点偏差值或实测值 范围 点数 槽底高程 ±20 两井之间 3 槽底中线 每侧宽度 不小于规定 两井之间 6 沟槽边坡 不陡于规定 两井之间 6 共实测 点,其中合格 点,不合格 点,合格率 % 施工单位检查 评定结果 项目专业质量检查员: 项目专业质量(技术)负责人: 年 月 日 监理(建设) 单位验收结论 监理工程师(建设单位项目专业技术负责人): 年 月 日 电力排管铺设工程检验批质量验收记录 编号: 工程名称 分部工程名称 分项工程名称 施工单位 专业工长 项目经理 验收批名称、部位 分包单位 / 分包项目经理 / 施工班组长 GB50268-2008《给水排水管道工程施工及验收规范》的规定 施工单位检查 评定记录 监理(建设) 单位验收记录 主控 项目 1 管道埋设深度、轴线位置应符合设计要求,无倒坡; 第5.10.9 条 2 管道无结构贯通裂缝和明显缺损情况; 第5.10.9 条 3 管道铺设安装必须稳固,管道安装后应线形平直; 第5.10.9 条 一般项目 4 检查项目 允许偏差 (㎜) 检查数量 检查点偏差值或实测值 范围 点数 水平轴线 15 两井之间 10 点 管底高程 ±10 两井之间 10 点 共实测 点,其中合格 点,不合格 点,合格率 % 施工单位检查 评定结果 项目专业质量检查员: 项目专业质量(技术)负责人: 年 月 日 监理(建设) 单位验收结论 监理工程师(建设单位项目专业技术负责人): 年 月 日 电力排管模板工程检验批质量验收记录 编号: 工程名称 分部工程名称 分项工程名称 施工单位 专业工长 项目经理 验收批名称、部位 分包单位 / 分包项目经理 / 施工班组长 CJJ1-2008《城镇道路工程施工与质量验收规范》的规定 施工单位检查 评定记录 监理(建设) 单位验收记录 主控 项目 1 模...

1、当您付费下载文档后,您只拥有了使用权限,并不意味着购买了版权,文档只能用于自身使用,不得用于其他商业用途(如 [转卖]进行直接盈利或[编辑后售卖]进行间接盈利)。
2、本站所有内容均由合作方或网友上传,本站不对文档的完整性、权威性及其观点立场正确性做任何保证或承诺!文档内容仅供研究参考,付费前请自行鉴别。
3、如文档内容存在违规,或者侵犯商业秘密、侵犯著作权等,请点击“违规举报”。

碎片内容

电力排管检验批

确认删除?
VIP
微信客服
  • 扫码咨询
会员Q群
  • 会员专属群点击这里加入QQ群
客服邮箱
回到顶部