电脑桌面
添加小米粒文库到电脑桌面
安装后可以在桌面快捷访问

电动机型号全参数表

电动机型号全参数表_第1页
1/8
电动机型号全参数表_第2页
2/8
电动机型号全参数表_第3页
3/8
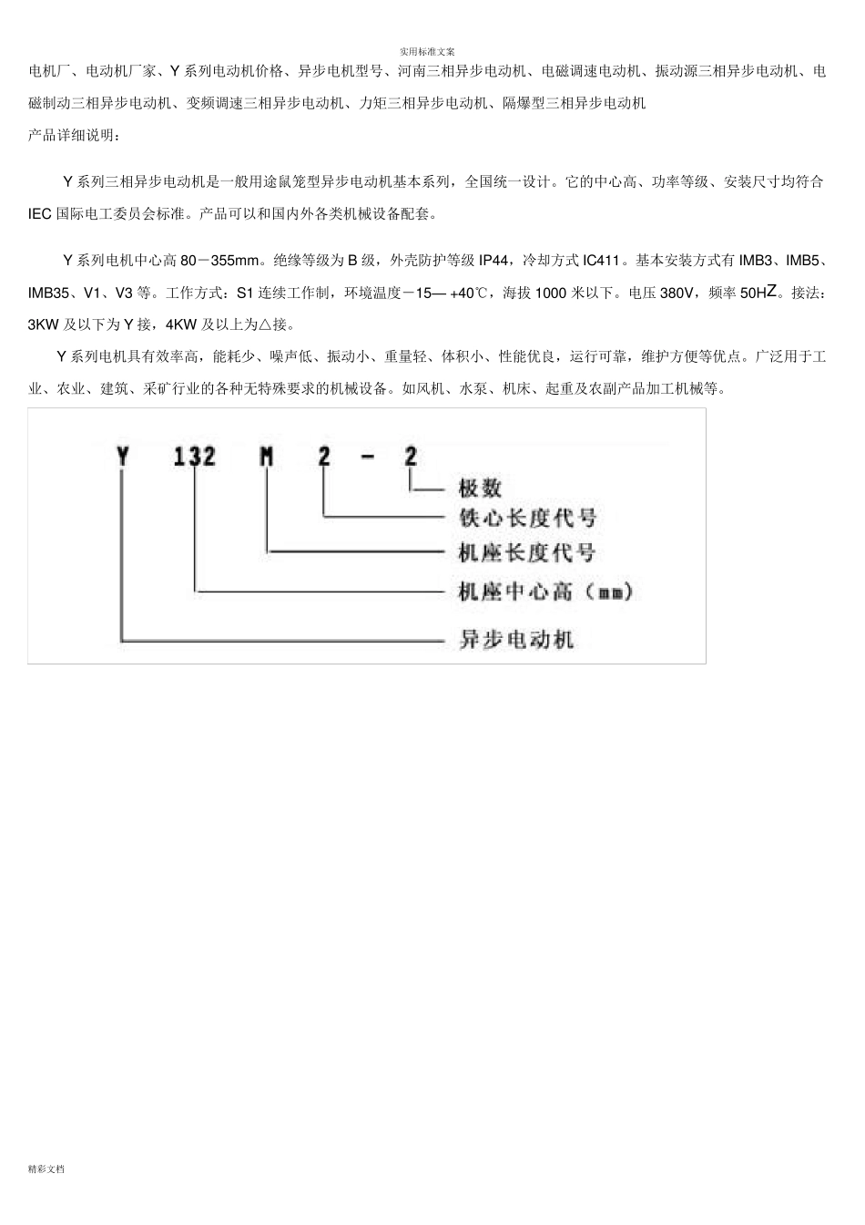
实用标准文案 精彩文档 电机厂、电动机厂家、Y 系列电动机价格、异步电机型号、河南三相异步电动机、电磁调速电动机、振动源三相异步电动机、电磁制动三相异步电动机、变频调速三相异步电动机、力矩三相异步电动机、隔爆型三相异步电动机 产品详细说明: Y 系列三相异步电动机是一般用途鼠笼型异步电动机基本系列,全国统一设计。它的中心高、功率等级、安装尺寸均符合IEC 国际电工委员会标准。产品可以和国内外各类机械设备配套。 Y 系列电机中心高80-355m m 。绝缘等级为B 级,外壳防护等级IP44,冷却方式IC411。基本安装方式有IMB3、IMB5、IMB35、V1、V3 等。工作方式:S1 连续工作制,环境温度-15— +40℃,海拔 1000 米以下。电压 380V,频率50HZ。接法:3KW 及以下为Y 接,4KW 及以上为△接。 Y 系列电机具有效率高,能耗少、噪声低、振动小、重量轻、体积小、性能优良,运行可靠,维护方便等优点。广泛用于工业、农业、建筑、采矿行业的各种无特殊要求 的机械设备。如 风 机、水 泵 、机床 、起 重及农副 产品加 工机械等。 实用标准文案 精彩文档 实用标准文案 精彩文档 实用标准文案 精彩文档 实用标准文案 精彩文档 实用标准文案 精彩文档 B35 尺寸数据 机座号 凸缘号 极数 机座 轴伸 凸圆端盖 AB AC AD HD L A A/2 B C H K D E F G M N P R S T 孔数 Y80 FF165 2.4 125 62.5 100 50 80 10 19 40 6 15.5 165 130 200 0 12 3.5 4 165 175 150 175 290 Y90S 2.4.6 140 70 56 90 24 50 8 20 180 195 160 195 315 Y90L 125 340 Y100L FF215 160 80 140 63 100 12 28 60 24 215 180 250 15 4 205 215 180 245 380 Y112M 190 95 70 112 245 240 190 265 400 Y132S FF265 2.4.6.8 216 108 89 132 38 80 10 33 265 230 300 280 275 210 315 475 Y132M 178 515 实用标准文案 精彩文档 Y160M FF300 254 127 210 108 160 15 42 110 12 37 300 250 350 19 5 330 335 265 385 605 Y160L 254 650 Y180M 279 139.5 241 121 180 48 14 42.5 355 380 285 430 670 Y180L 279 710 Y200L FF350 318 159 305 133 200 19 55 16 49 350 300 400 395 420 315 475 775 Y225S FF400 4.8 356 178 286 149 225 60 140 18 53 400 350 450 8 435 475 345 530 820 Y225M 2 311 55 110 16 49 815 4.6.8 60 140 18 53 845 Y250M FF500 2 406 203 349 168 250 24 500 450 550 490 915 385 575 930 4.6.8 65 58 Y280S 2 457 228.5 368 190 280 550 585 410 640 1000 4.6.8 75 20 67.5 Y280M 2 419 65 18 58 1050 4.6.8 75 20 67.5 Y315S FF600 2 508 254 406 216 315 28 65 18 58 600 550 660 24 6 744 645 576 865 1240 4.6.8.10 80 170 22 71 1270 Y315M 2 457 68 140 18 58 1310 4.6.8.10 80 170 22 71 1340 Y3152 506 14 1 58 131实用标准文案 精彩文档 L 8 5 0 8 0 4.6.8.10 80 170 22 71 1340 Y355M FF740 2 610 305 560 254 355 75 140 20 67.5 740 680 800 740 750 680 1035 1540 4.6.8.10 95 170 25 86 1570 Y355L 2 630 75 140 20 67.5 1540 4.6.8.10

1、当您付费下载文档后,您只拥有了使用权限,并不意味着购买了版权,文档只能用于自身使用,不得用于其他商业用途(如 [转卖]进行直接盈利或[编辑后售卖]进行间接盈利)。
2、本站所有内容均由合作方或网友上传,本站不对文档的完整性、权威性及其观点立场正确性做任何保证或承诺!文档内容仅供研究参考,付费前请自行鉴别。
3、如文档内容存在违规,或者侵犯商业秘密、侵犯著作权等,请点击“违规举报”。

碎片内容

电动机型号全参数表

确认删除?
VIP
微信客服
  • 扫码咨询
会员Q群
  • 会员专属群点击这里加入QQ群
客服邮箱
回到顶部