电脑桌面
添加小米粒文库到电脑桌面
安装后可以在桌面快捷访问

电动给水泵检修作业指导书

电动给水泵检修作业指导书_第1页
1/15
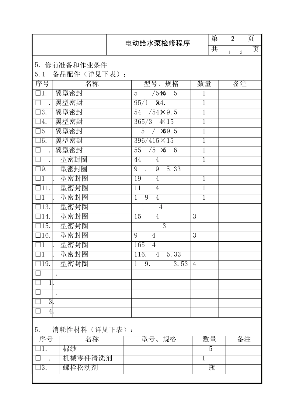
电动给水泵检修作业指导书_第2页
2/15
电动给水泵检修作业指导书_第3页
3/15
电动给水泵检修程序 第 1 页 共15页 0.受控信息 本程序作为企业标准文件批准后生效并盖章发放: 编写 签名: 日期: 审核 签名: 日期: 批准 签名: 日期: 受控章 1. 目的 1.1 规范和指导检修行为,确保给水泵小汽轮机本体的检修质量符合规定要求。 1.2 本检修程序为所有参加本项目的工作人员所必须遵循的质量保证程序。 2. 适用对象和内容 适用于我厂汽机房0米型号为:HGC6/6电动给水泵. 程序指导以下工作: 2.1 给水泵本体的检查、测量、修复及中心的找正。 2.2 给水泵本体、轴承、转子、轴封、平衡装置检查修理 3. 设备规范 型 号 HGC6/6 流量 762m3/h 扬程 1161m 转速 2980min 配带功率 3200kw 汽蚀余量 效率 80.6% 旋转方向 从驱动端看泵为顺时针方向旋转 厂家 上海凯士比泵有限公司 4. 引用文件 4.1 上海凯士比泵HGC6/6型锅炉给水泵产品使用说明书 4.2 国电都匀发电有限公司技术标准:汽机专业检修规程。 电动给水泵检修程序 第 2 页 共15页 5. 修前准备和作业条件 5.1 备品配件(详见下表): 序号 名称 型号、规格 数量 备注 □1. 翼型密封 520/545×25 1 □2. 翼型密封 95/103×4.2 1 □3. 翼型密封 540/541×9.5 1 □4. 翼型密封 365/384×15 1 □5. 翼型密封 250/262×9.5 1 □6. 翼型密封 396/415×15 1 □7. 翼型密封 550/575×26 1 □8. o型密封圈 440*4 1 □9. o型密封圈 97.79*5.33 2 □10. o型密封圈 190*4N 1 □11. o型密封圈 118*4N 1 □12. o型密封圈 109*4N 1 □13. o型密封圈 212*4N 2 □14. o型密封圈 150*4N 3 □15. o型密封圈 220*3 2 □16. o型密封圈 90*4N 3 □17. o型密封圈 165*4N 2 □18. o型密封圈 116.84*5.33 2 □19. o型密封圈 129.77*3.53 4 □20. □21. □22. □23. □24. 5.2 消耗性材料(详见下表): 序号 名称 型号、规格 数量 备注 □1. 棉纱 25kg □2. 机械零件清洗剂 10kg □3. 螺栓松动剂 2瓶 电动给水泵检修程序 第 3 页 共15页 □4. 不锈钢带或紫铜带 0.05 mm 0.1kg □5. 不锈钢带或紫铜带 0.10 mm 0.2 kg □6. 不锈钢带或紫铜带 0.15 mm 0.2kg □7. 不锈钢带或紫铜带 0.20 mm 0.2kg □8. 不锈钢带或紫铜带 0.25 mm 0.2kg □9. 不锈钢带或紫铜带 0.30 mm 0.2kg □10. 不锈钢带...

1、当您付费下载文档后,您只拥有了使用权限,并不意味着购买了版权,文档只能用于自身使用,不得用于其他商业用途(如 [转卖]进行直接盈利或[编辑后售卖]进行间接盈利)。
2、本站所有内容均由合作方或网友上传,本站不对文档的完整性、权威性及其观点立场正确性做任何保证或承诺!文档内容仅供研究参考,付费前请自行鉴别。
3、如文档内容存在违规,或者侵犯商业秘密、侵犯著作权等,请点击“违规举报”。

碎片内容

电动给水泵检修作业指导书

小辰2+ 关注
实名认证
内容提供者

出售各种资料和文档

确认删除?
VIP
微信客服
  • 扫码咨询
会员Q群
  • 会员专属群点击这里加入QQ群
客服邮箱
回到顶部