电脑桌面
添加小米粒文库到电脑桌面
安装后可以在桌面快捷访问

电机实训报告VIP专享

电机实训报告_第1页
1/20
电机实训报告_第2页
2/20
电机实训报告_第3页
3/20
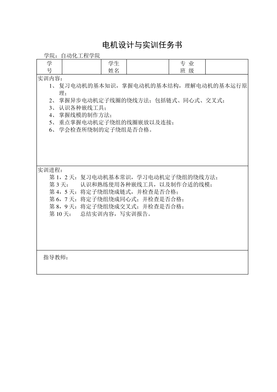
电机实训报告 电机绕组的设计与实训 学院(系) 年级专业 学生姓名 指导教师 日期 电机设计与实训任务书 学院:自动化工程学院 学 号 学生 姓名 专 业 班 级 实训内容: 1 、 复习电动机的基本知识,掌握电动机的基本结构,理解电动机的基本运行原理; 2 、 掌握异步电动机定子线圈的绕线方法;包括链式、同心式、交叉式; 3 、 认识各种嵌线工具; 4 、 掌握线模的制作方法; 5 、 重点掌握电动机定子绕组的线圈嵌放以及连接; 6 、 学会检查所绕制的定子绕组是否合格。 实训进程: 第 1 ,2 天:复习电动机基本常识,学习电动机定子绕组的绕线方法; 第 3 天: 认识和熟练使用各种嵌线工具,以及制作合适的线模; 第 4 ,5 天:将定子绕组绕成链式,并检查是否合格; 第 6 ,7 天:将定子绕组绕成同心式;并检查是否合格; 第 8 ,9 天:将定子绕组绕成交叉式;并检查是否合格; 第 1 0 天: 总结实训内容,写实训报告。 指导教师: 电机实训报告 III 目 录 电机绕组的设计与实训 ................................................................................ I 一 实训目的 ............................................................................................... 1 二 异步电机的基础理论 ........................................................................... 2 2.1 三相异步电动机的结构 ............................... 2 2.2 三相交流电机旋转磁场的产生 ......................... 6 2.3 交流绕组的基本知识 ................................. 7 三 电机绕组的嵌线 ................................................................................. 10 3.1 绕线工具 .......................................... 10 3.2 绝缘材料与制作槽楔 ................................ 13 3.3 链式绕组嵌线 ...................................... 14 3.4 同心式绕组嵌线 .................................. 15 3.5 交叉式绕组嵌线 .................................. 16 四 实训总结及心得体会 ......................................................................... 17 电机实训报告 1 一 实训目的 1. 加深理解三相电动机的工作原理 2. 熟悉电动机的嵌线工艺、装配流...

1、当您付费下载文档后,您只拥有了使用权限,并不意味着购买了版权,文档只能用于自身使用,不得用于其他商业用途(如 [转卖]进行直接盈利或[编辑后售卖]进行间接盈利)。
2、本站所有内容均由合作方或网友上传,本站不对文档的完整性、权威性及其观点立场正确性做任何保证或承诺!文档内容仅供研究参考,付费前请自行鉴别。
3、如文档内容存在违规,或者侵犯商业秘密、侵犯著作权等,请点击“违规举报”。

碎片内容

电机实训报告

确认删除?
VIP
微信客服
  • 扫码咨询
会员Q群
  • 会员专属群点击这里加入QQ群
客服邮箱
回到顶部