电脑桌面
添加小米粒文库到电脑桌面
安装后可以在桌面快捷访问

电梯试运行报告

电梯试运行报告_第1页
1/9
电梯试运行报告_第2页
2/9
电梯试运行报告_第3页
3/9
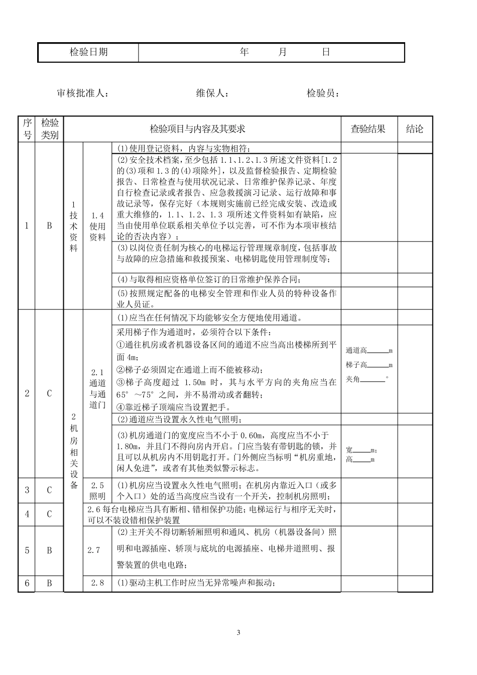
1 电梯试运行检验报告 使用单位 : 荆门市三恒房地产开发有限公司 注册代码 : 3110-420800-201108-0005 设备名称 : 曳引式客梯 施工单位 : 2011.07.22 检验日期 : 2011.08.02 2 电梯试运行检验报告 设备名称 注册代码 使用单位 设备使用地点 使用单位机构代码 使用单位 内部编号 安全管理人员 制造日期 制造单位 规格型号 产品编号 维护保养单位 电话 设备 技术 参数 额定载重量 kg 额定速度 m/s 层站数 层 站 控制方式 检验依据 《电梯监督检验和定期检验规则—曳引与强制驱动电梯》(TSG T7001-2009) 检验 条件 温度: ℃ 电压: V □√符 合 □不 符 合 主要检验仪器设备 1、塞尺 2、直尺 3、卡尺 4、斜尺 5、钢卷尺 6、电梯专用转速度表 7、手持红外线测温仪 8、绝缘电阻测试仪 9、数字钳型万用表 检验结论: (章) 备注 3 检 验 日 期 年 月 日 审 核 批 准 人 : 维 保 人 : 检 验 员 : 序号 检 验类 别 检 验 项 目 与 内 容 及 其 要 求 查 验 结 果 结 论 1 B 1技术资料 1.4 使 用 资 料 (1)使 用 登 记 资 料 , 内 容 与 实 物 相 符 ; (2)安 全 技 术 档 案 ,至 少 包 括 1.1、1.2、1.3 所 述 文 件 资 料 [1.2的 (3)项 和 1.3 的 (4)项 除 外 ], 以 及 监 督 检 验 报 告 、 定 期 检 验报 告 、 日 常 检 查 与 使 用 状 况 记 录 、 日 常 维 护 保 养 记 录 、 年 度自 行 检 查 记 录 或 者 报 告 、 应 急 救 援 演 习 记 录 、 运 行 故 障 和 事故 记 录 等 , 保 存 完 好 ( 本 规 则 实 施 前 已 经 完 成 安 装 、 改 造 或重 大 维 修 的 , 1.1、 1.2、 1.3 项 所 述 文 件 资 料 如 有 缺 陷 , 应当 由 使 用 单 位 联 系 相 关 单 位 予 以 完 善 , 可 不 作 为 本 项 审 核 结论 的 否 决 内 容 ); (3)以 岗位 责任制为 核 心的 电梯运 行 管理规 章制度 , 包 括 事 故与 故 障 的 应 急 措施 和 救 援 预案 、 电梯钥匙使 用 管理制度 等 ; (4)与 取得相 应 资 格单 位 签订的 日 常 维 护 保 养 合同; (5)按照规 定 配...

1、当您付费下载文档后,您只拥有了使用权限,并不意味着购买了版权,文档只能用于自身使用,不得用于其他商业用途(如 [转卖]进行直接盈利或[编辑后售卖]进行间接盈利)。
2、本站所有内容均由合作方或网友上传,本站不对文档的完整性、权威性及其观点立场正确性做任何保证或承诺!文档内容仅供研究参考,付费前请自行鉴别。
3、如文档内容存在违规,或者侵犯商业秘密、侵犯著作权等,请点击“违规举报”。

碎片内容

电梯试运行报告

您可能关注的文档

确认删除?
VIP
微信客服
  • 扫码咨询
会员Q群
  • 会员专属群点击这里加入QQ群
客服邮箱
回到顶部